|
Поставщик
|
Contrastech |
|
Типы изделий
|
камеры |
|
Тип сенсора
|
CMOS |
|
Серия
|
Mars Series |
|
Разрешение, Мп
|
0,3 |
|
Частота кадров
|
120 к/с |
|
Тип матрицы
|
цветная |
|
Разрешение, пикселей
|
640x480 |
Особенности:
- Разрешение 0.3 Мп;
- Поддержка GenlCam и GigE Vision;
- Поддержка HALCON, Vision Pro, Labview;
- Поддержка NVIDIA TXl, TX2, Windows, Mac.
Технические характеристики:
|
|
Параметр |
Значение |
|
Сенсор |
| |
|
Производитель |
ON Semiconductor | |
|
Модель |
PYTHON 300 | |
|
Тип затвора |
Глобальный затвор | |
|
Размер сенсора |
1/4" | |
|
Тип сенсора |
КМОП | |
|
Разрешение |
640 x 480 пикс | |
|
Размер пикселя |
4.8 мкм x 4.8 мкм | |
|
Частота кадров |
120 кадр/с | |
|
Тип матрицы |
Цветная | |
|
Стандарт EMVA |
| |
|
Динамический диапазон |
60.0 дБ | |
|
Отношение сигнал/шум (тип.) |
>38.0 дБ | |
|
Камера |
| |
|
Интерфейс |
GigE | |
|
АЦП |
8/10 бит | |
|
Синхронизация |
Программный триггер Аппаратный триггер Free run | |
|
Вход/выход |
x1 оптоизолированный вход x1 оптоизолированный выход | |
|
Источник питания |
Через PoE или 6-24В | |
|
Конструкция |
| |
|
Конструкция |
Компактная промышленная конструкция | |
|
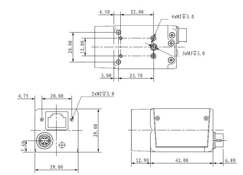
Габаритные размеры (Д x Ш x В) |
42 мм x 29 мм x 29 мм | |
|
Крепление объектива |
C-Mount (доступно CS-Mount) | |
|
Температура |
-30…+50 °C (рабочая) -30…+80 °C (хранение) | |
|
Вес (тип.) |
88 г | |
|
Программное обеспечение |
| |
|
Драйвер, SDK |
Дополнительный комплект для разработки для камер серии Mars (iCentral) или стороннее программное обеспечение, поддерживающее протокол GigE | |
|
Операционная система |
Windows, Linux | |
|
Соответствие |
GigE и GenICam | |
Оплата продукции производится по безналичному расчету на основании счета либо договора поставки. Компания АЗИМУТ ФОТОНИКС принимает участие в конкурсных торгах (электронных аукционах) на выполнение заказов от бюджетных организаций. Для бюджетных организаций предусмотрена работа с частичной предоплатой в рамках договоров по ФЗ.
Доставка оборудования и компонентов во все регионы России осуществляется транспортными компаниями (Major Express, Гарантпост, СДЭК) с обязательным соблюдением требований к транспортировке и хранению, также возможен самовывоз из нашего офиса в Москве. Условия отправки груза в страны СНГ и ЕАЭС необходимо уточнять отдельно у специалистов нашей компании.
