|
Поставщик
|
I-Tek |
|
Типы изделий
|
камеры |
|
Тип сенсора
|
CMOS |
|
В наличии
|
На складе |
|
Частота кадров
|
41.2-117.8 к/с |
|
Тип матрицы
|
монохромная / цветная |
|
Размер пикселя
|
3.45 х 3.45 мкм |
|
Интерфейс
|
USB3.0 |
|
Динамический диапазон (тип.)
|
71,8 дБ |
|
Разрешение
|
2048 х 1536 |
|
Крепление
|
C-Mount |
Характеристики:
- CMOS-матрица с глобальным затвором (все пиксели экспонируются одновременно);
- Разрешение 2048 x 1536 пикселей, размер пикселя 3.45 мкм x 3.45 мкм;
- Максимальная частота кадров до 117.8 кадров в секунду;
- Высокая чувствительность и низкий уровень шума;
- Минимальное время экспозиции: 5 микросекунд;
- Коррекция пикселей, плоского поля, цвета и изображения;
- Настраиваемые LUT (таблицы соответствия), ROI (область интереса), биннинг (суммирование пикселей), гамма;
- Новая конструкция, поддерживающая установку с четырех сторон;
- Расширенные функции: управление последовательностью, триггер событий, Chunk (передача данных блоками);
- Мониторинг температуры в реальном времени.
Применения:
- Промышленное позиционирование на основе машинного зрения;
- Быстрое измерение размеров;
- Контроль поверхности в различных промышленных сценариях.
Спектральная чувствительность:
График показывает относительную чувствительность матрицы к различным длинам волн света.

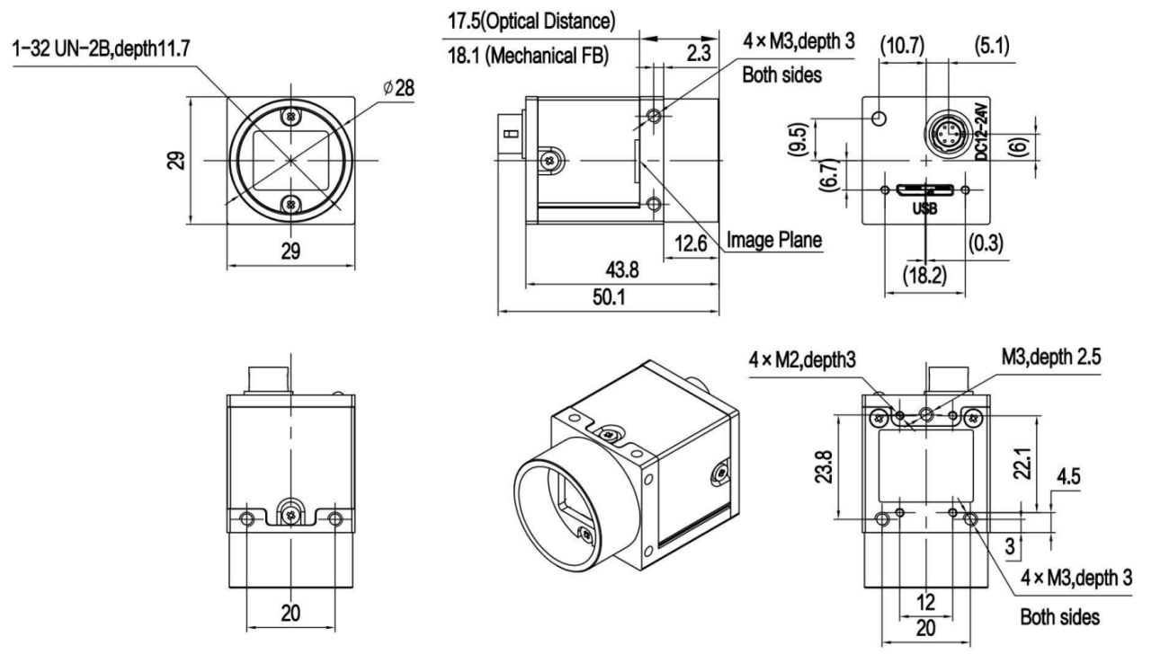
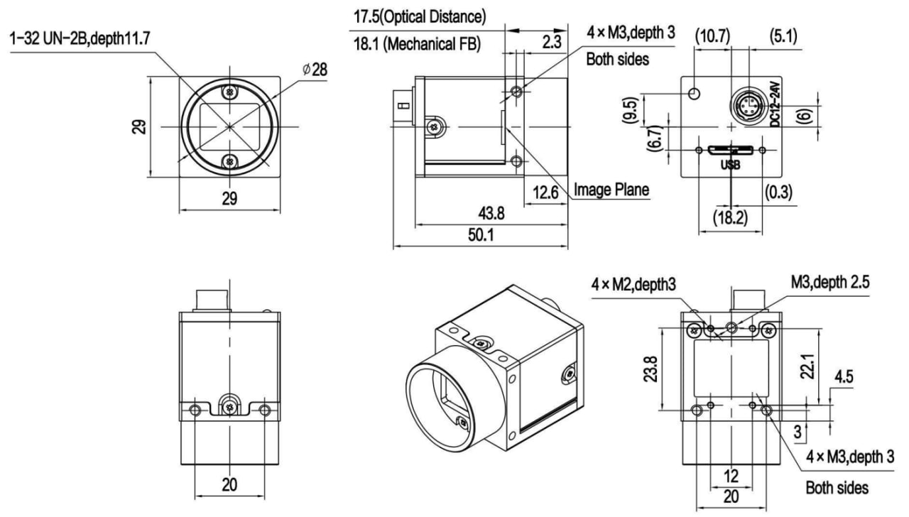
Размеры:

Оплата продукции производится по безналичному расчету на основании счета либо договора поставки. Компания АЗИМУТ ФОТОНИКС принимает участие в конкурсных торгах (электронных аукционах) на выполнение заказов от бюджетных организаций. Для бюджетных организаций предусмотрена работа с частичной предоплатой в рамках договоров по ФЗ.
Доставка оборудования и компонентов во все регионы России осуществляется транспортными компаниями (Major Express, Гарантпост, СДЭК) с обязательным соблюдением требований к транспортировке и хранению, также возможен самовывоз из нашего офиса в Москве. Условия отправки груза в страны СНГ и ЕАЭС необходимо уточнять отдельно у специалистов нашей компании.
