|
Поставщик
|
Hamamatsu |
|
Тип сенсора
|
InGaAs |
|
ИК диапазон
|
NIR |
|
Спектральный диапазон камер
|
950-1700 нм |
|
Частота кадров
|
60 к/с |
|
Размер пикселя
|
20 х 20 мкм |
|
Интерфейс
|
USB3.0 |
|
Охлаждение
|
охлаждение Пельтье |
|
Разрешение
|
640 × 512 |
C12741-03-02 — высокочувствительная камера на основе InGaAs с диапазоном чувствительности в ближнем инфракрасном спектре от 950 до 1700 нм. Оснащена интерфейсом USB 3.0, поддерживает 14-битное захватывание изображений и регулировку времени экспозиции. Это делает камеру идеальной для различных промышленных и научных применений.
Особенности:
- Высокая чувствительность в ближнем инфракрасном диапазоне;
- Разрешение: 640 × 512 пикселей;
- Низкий уровень шума и высокая стабильность за счет охлаждения;
- Частота кадров: около 60 кадров/с.
Применение:
- Контроль внутренних дефектов кремниевых пластин, чипов и MEMS;
- Анализ и оценка оптических устройств, включая ИК-лазеры и профилировщики лучей;
- Исследование полупроводниковых материалов, включая солнечные элементы;
- Контроль качества пищевых и сельскохозяйственных продуктов;
- Определение влажности материалов;
- Наблюдение и документация культурного наследия.
Спектральный отклик
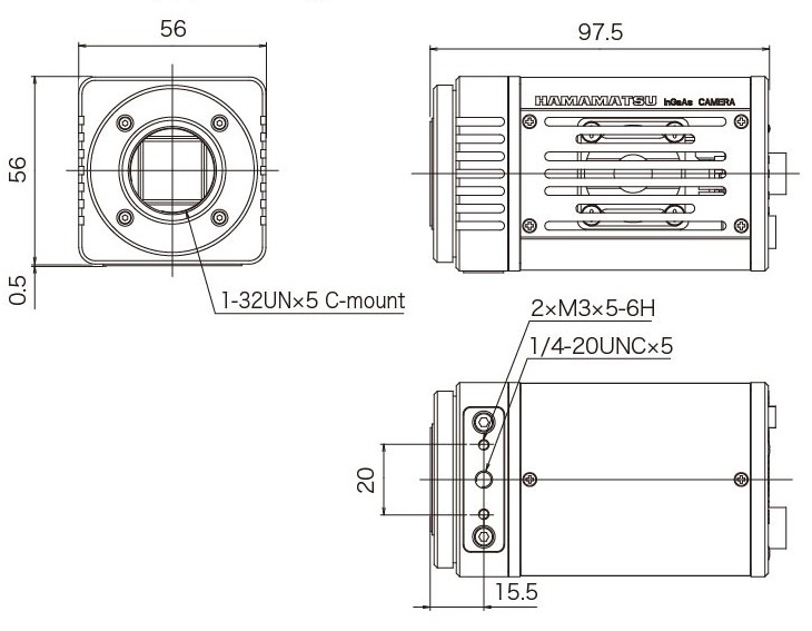
Размеры
Оплата продукции производится по безналичному расчету на основании счета либо договора поставки. Компания АЗИМУТ ФОТОНИКС принимает участие в конкурсных торгах (электронных аукционах) на выполнение заказов от бюджетных организаций. Для бюджетных организаций предусмотрена работа с частичной предоплатой в рамках договоров по ФЗ.
Доставка оборудования и компонентов во все регионы России осуществляется транспортными компаниями (Major Express, Гарантпост, СДЭК) с обязательным соблюдением требований к транспортировке и хранению, также возможен самовывоз из нашего офиса в Москве. Условия отправки груза в страны СНГ и ЕАЭС необходимо уточнять отдельно у специалистов нашей компании.
