Компания АЗИМУТ ФОТОНИКС предлагает Z-трансляторы от компании Huber Diffraction.
Особенности:
- Возможны многоосевые системы позиционирования за счет простой комбинации ступеней;
- Две высокоточные направляющие стойки, установленные по бокам, гарантируют высокую стабильность направления;
- Высокоточный трапециевидный шпиндельный привод со сглаженным и закаленным шпинделем (самоблокирующийся);
- Четыре шпиндельных подъемных механизма, соединенных между собой соединительным валом;
- Прочные поверхности благодаря гальваническому анодированию;
- Максимальное системное разрешение увеличено за счет уменьшения передачи;
- Четыре регулируемые по высоте ножки для выравнивания стола;
- Две прецизионные конфигурации.
Индивидуальная модульная настройка:
- Доступны различные размеры;
- От базовой модели до high-end системы;
- К многоосевым системам;
- С индивидуальным диапазоном хода;
- С шаблоном отверстий по индивидуальному заказу.
Технические характеристики:
|
Параметр |
Значение |
|
Диапазон хода (мм) |
120* |
|
Материал основания / каретки |
Алюминий |
|
Разрешение (мкм) |
0.125 |
|
Макс. нагрузка (Н) |
5000 |
|
Мин. крутящий момент (Нм) |
1.5 |
|
Вес (кг) |
73 |
* Опционально: увеличенный или сокращенный диапазон хода.
Конфигурации точности:
|
Параметр |
Значение |
||
|
X1 |
XE |
||
|
Точность [мкм]: |
(+/-) |
15 |
По запросу |
|
Повторяемость (однонаправленная) [мкм]: |
(+/-) |
3 |
По запросу |
|
Ошибка реверсирования [мкм]: |
3 |
По запросу |
|
|
Плоскостность [мкм]: |
(+/-) |
20 |
20 |
|
Прямолинейность [мкм]: |
(+/-) |
20 |
20 |
|
Изгиб ["]: |
(+/-) |
2 |
2 |
|
Шаг ["]: |
(+/-) |
2 |
2 |
|
Кручение ["]: |
(+/-) |
4 |
4 |
Максимальная нагрузка:
Общее утверждение о максимальной нагрузке и крутящем моменте невозможно для эксцентричных сил из-за множества различных конфигураций.
Тем не менее, инженеры компании с удовольствием рассчитают максимальную грузоподъемность для вашего конкретного применения.
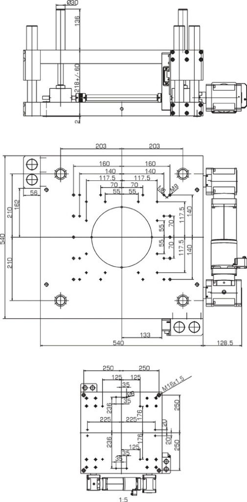
Габариты:
Оплата продукции производится по безналичному расчету на основании счета либо договора поставки. Компания АЗИМУТ ФОТОНИКС принимает участие в конкурсных торгах (электронных аукционах) на выполнение заказов от бюджетных организаций. Для бюджетных организаций предусмотрена работа с частичной предоплатой в рамках договоров по ФЗ.
Доставка оборудования и компонентов во все регионы России осуществляется транспортными компаниями (Major Express, Гарантпост, СДЭК) с обязательным соблюдением требований к транспортировке и хранению, также возможен самовывоз из нашего офиса в Москве. Условия отправки груза в страны СНГ и ЕАЭС необходимо уточнять отдельно у специалистов нашей компании.
