|
Поставщик
|
Contrastech |
|
Типы изделий
|
объективы |
|
Тип сенсора
|
CCD/CMOS |
|
ИК диапазон
|
SWIR |
|
Спектральный диапазон
|
900–1700 нм |
|
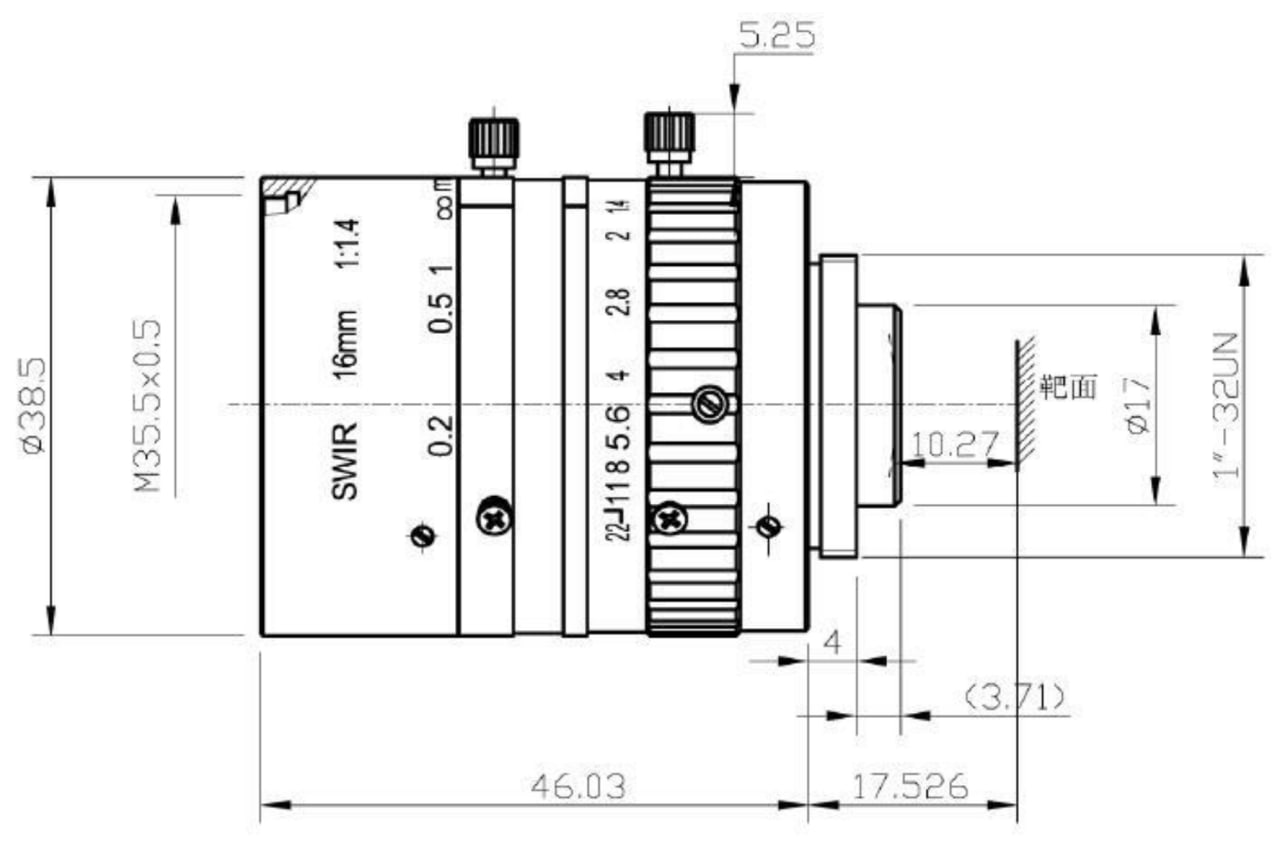
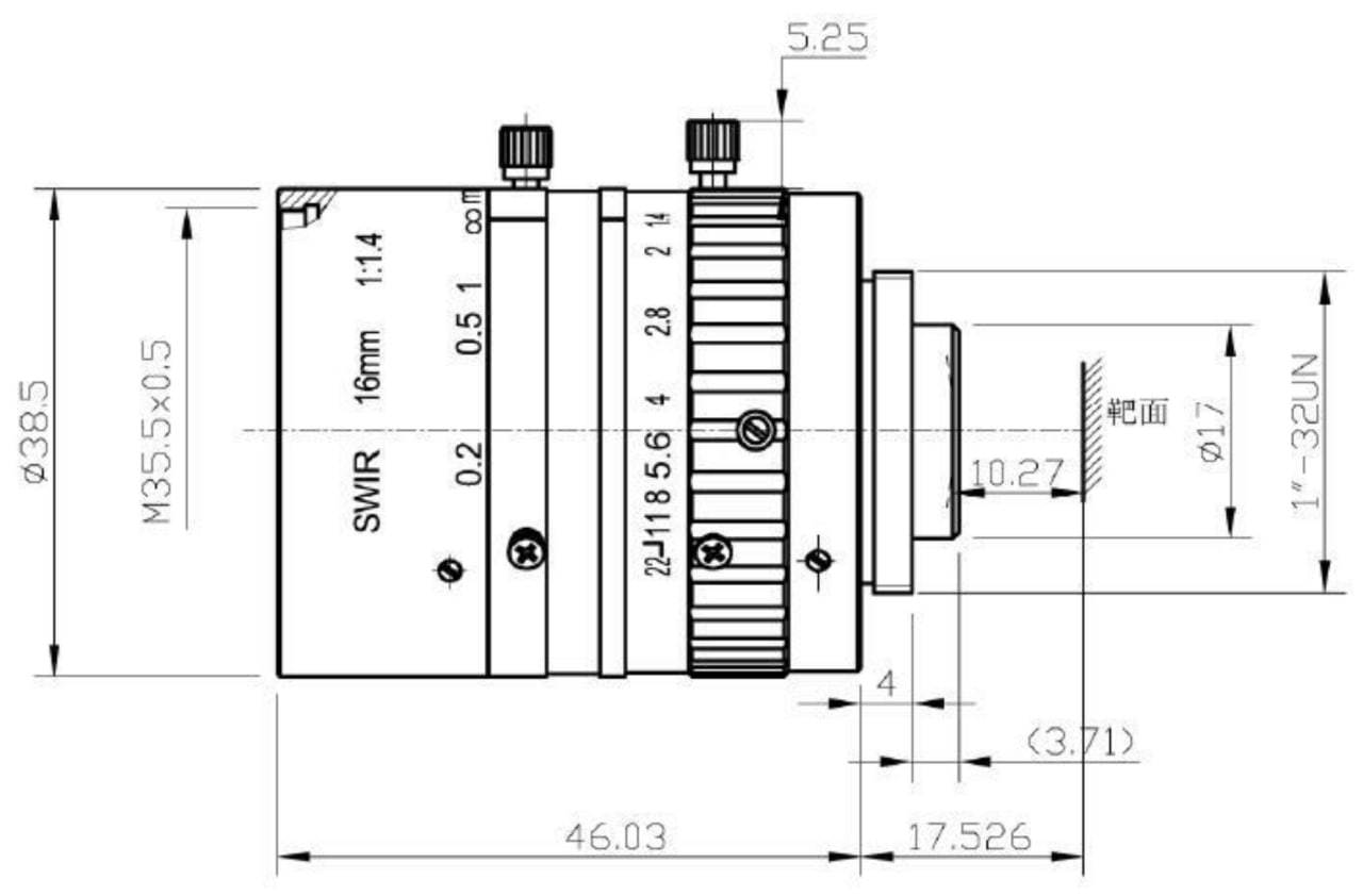
Габаритные размеры
|
Ø38,5 × 46,03 мм |
|
Фокусное расстояние объектива
|
16.3 мм |
|
Типы объектива
|
объективы swir |
|
Рабочий диапазон объектива
|
ИК диапазон |
|
Числовая апертура
|
f/1.4 |
|
Крепление
|
C-Mount |
|
Применение объектива
|
машинное зрение |
Объектив для коротковолнового ИК-диапазона (SWIR 900–1700 нм) с фокусным расстоянием 16.3 мм. Подходит для детализированной съёмки удалённых объектов при низкой освещённости.
Технические параметры:
- Фокусное расстояние: 16.3 мм;
- Числовая апертура: F1.4;
- Разрешение: 40 лин/мм;
- Формат сенсора: 2/3″ (CCD/CMOS);
- Угол обзора (D/H/V): 46.8° × 38.2° × 29.2°;
- Дисторсия: < 0,4%;
- Крепление: C-Mount;
- Фильтр: M35.5×0.5 мм;
- Температурный режим: –10…+50 °C (работа), –20…+60 °C (хранение).
Преимущества:
- Минимальные искажения (<0,4%);
- Компактный корпус (Ø38,5 × 46,03 мм);
- Специальное ИК-покрытие для диапазона 900–1700 нм;
- Ручная регулировка фокуса и диафрагмы;
- Надёжная конструкция без перегрева.
Применение:
- Машинное зрение для удалённых объектов;
- Промышленная инспекция и контроль качества;
- Научные исследования и измерения;
- SWIR-визуализация в условиях низкой освещённости;
- Автоматизированные оптические системы (АОИ).
Дополнительно:
- Серия: FA Series;
- Артикул: VT-LEM1614SWIR;
- Габариты: Ø38,5 × 46,03 мм.
Габаритные размеры:

Оплата продукции производится по безналичному расчету на основании счета либо договора поставки. Компания АЗИМУТ ФОТОНИКС принимает участие в конкурсных торгах (электронных аукционах) на выполнение заказов от бюджетных организаций. Для бюджетных организаций предусмотрена работа с частичной предоплатой в рамках договоров по ФЗ.
Доставка оборудования и компонентов во все регионы России осуществляется транспортными компаниями (Major Express, Гарантпост, СДЭК) с обязательным соблюдением требований к транспортировке и хранению, также возможен самовывоз из нашего офиса в Москве. Условия отправки груза в страны СНГ и ЕАЭС необходимо уточнять отдельно у специалистов нашей компании.
