Специализированный оптический объектив для панорамного контроля внешних поверхностей цилиндрических объектов. Обеспечивает полный круговой обзор, что позволяет проводить точную инспекцию геометрии, резьбовых соединений и выявлять микроскопические дефекты. Идеальное решение для контроля качества мелких деталей в различных отраслях промышленности.
Ключевые особенности:
- Полный обзор боковых поверхностей на 360°;
- Высокое разрешение и четкость изображения;
- Компактная и прочная конструкция;
- Минимальный диаметр объекта контроля: 2,7 мм;
- Гибкие настройки диафрагмы.
Краткие характеристики:
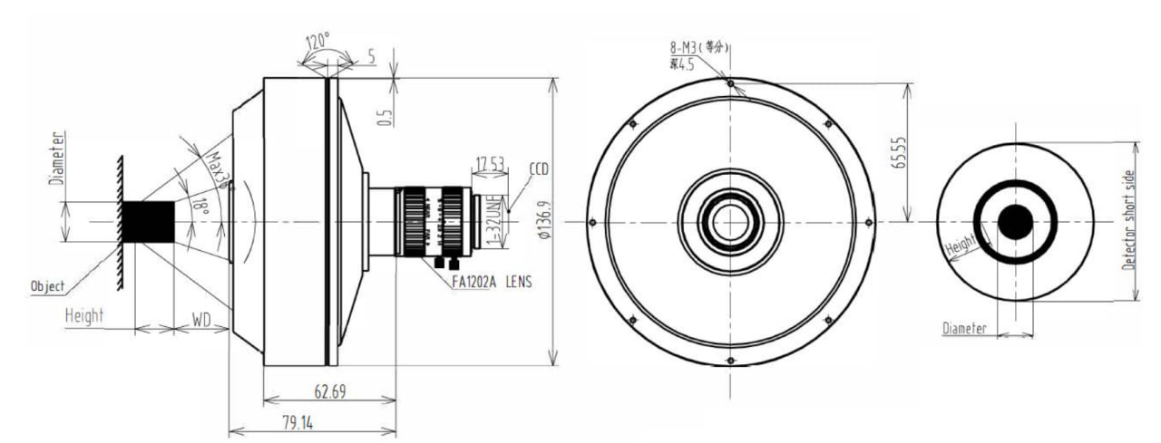
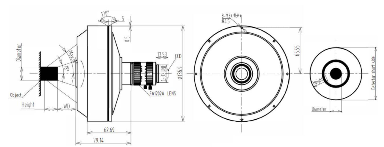
- Объектив: Для панорамного контроля наружных поверхностей 360°;
- Рабочее расстояние: 9 /33,8 /50 м;
- Тип крепления: C-Mount;
- Диапазон диаметров объекта: от 2,7-25 мм;
- Диафрагменное число: 4,5 / 15 / 30;
- Размер матрицы: 1/1.8".
Сферы применения:
- Контроль медицинской упаковки и флаконов;
- Инспекция резьбовых соединений и горлышек;
- Проверка цилиндрических компонентов;
- Контроль качества в фармацевтической промышленности;
- Автоматизированные системы визуального контроля.
Габаритные размеры:

Оплата продукции производится по безналичному расчету на основании счета либо договора поставки. Компания АЗИМУТ ФОТОНИКС принимает участие в конкурсных торгах (электронных аукционах) на выполнение заказов от бюджетных организаций. Для бюджетных организаций предусмотрена работа с частичной предоплатой в рамках договоров по ФЗ.
Доставка оборудования и компонентов во все регионы России осуществляется транспортными компаниями (Major Express, Гарантпост, СДЭК) с обязательным соблюдением требований к транспортировке и хранению, также возможен самовывоз из нашего офиса в Москве. Условия отправки груза в страны СНГ и ЕАЭС необходимо уточнять отдельно у специалистов нашей компании.
