Специализированный объектив для панорамного контроля внешних поверхностей цилиндрических объектов. Обеспечивает полный круговой обзор, что делает его идеальным решением для инспекции геометрии, резьбовых соединений и выявления дефектов на таких изделиях, как флаконы, горлышки бутылок и другие цилиндрические компоненты.
Ключевые особенности:
- Полный обзор боковой поверхности на 360°;
- Высокая детализация изображения;
- Компактная конструкция;
- Работа с объектами от 5,3 мм;
- Универсальность применения.
Краткие характеристики:
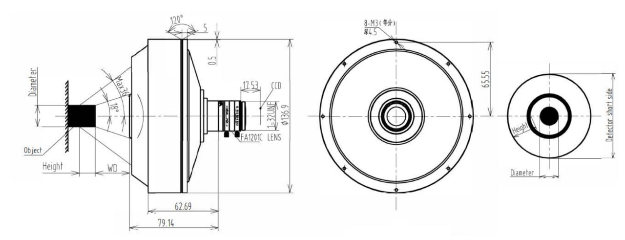
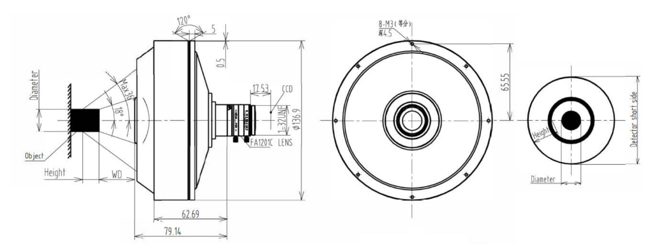
- Объектив: Для панорамного контроля наружных поверхностей 360°;
- Рабочее расстояние: 9 / 33,8 / 45,4 мм;
- Тип крепления: C-Mount;
- Диапазон диаметров объекта: от 5,3-25 мм;
- Размер матрицы: 1/1.8".
Сферы применения:
- Контроль медицинской упаковки (флаконы, ампулы);
- Инспекция горлышек бутылок и резьбы;
- Проверка цилиндрических деталей;
- Контроль качества в производстве.
Габаритные размеры:

Оплата продукции производится по безналичному расчету на основании счета либо договора поставки. Компания АЗИМУТ ФОТОНИКС принимает участие в конкурсных торгах (электронных аукционах) на выполнение заказов от бюджетных организаций. Для бюджетных организаций предусмотрена работа с частичной предоплатой в рамках договоров по ФЗ.
Доставка оборудования и компонентов во все регионы России осуществляется транспортными компаниями (Major Express, Гарантпост, СДЭК) с обязательным соблюдением требований к транспортировке и хранению, также возможен самовывоз из нашего офиса в Москве. Условия отправки груза в страны СНГ и ЕАЭС необходимо уточнять отдельно у специалистов нашей компании.
