Специальный объектив для панорамного контроля внешних поверхностей мелких деталей. Обеспечивает полный круговой обзор, что позволяет проводить качественную инспекцию геометрии, резьбовых соединений и поверхностей цилиндрических изделий.
Ключевые особенности:
- Полный круговой обзор боковых поверхностей объектов 360°;
- Высокая детализация изображения;
- Компактное исполнение;
- Работа с объектами от 3,1 мм;
- Несколько рабочих расстояний.
Краткие характеристики:
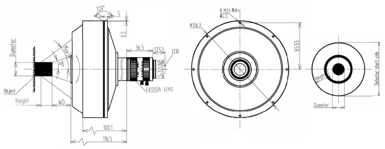
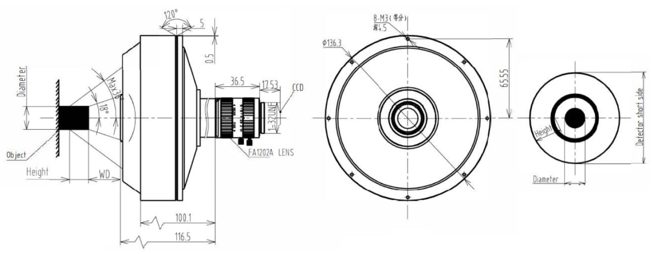
- Объектив: Для панорамного контроля внешних поверхностей 360°;
- Рабочее расстояние: 9,7 / 34,7 / 48 мм;
- Тип крепления: C-Mount;
- Диапазон диаметров объекта: от 3,1-25,6 мм;
- Размер матрицы: 1/3".
Применение:
- Контроль флаконов и ампул;
- Инспекция горлышек бутылок;
- Проверка резьбовых соединений;
- Контроль цилиндрических деталей.
Габаритные размеры:

Оплата продукции производится по безналичному расчету на основании счета либо договора поставки. Компания АЗИМУТ ФОТОНИКС принимает участие в конкурсных торгах (электронных аукционах) на выполнение заказов от бюджетных организаций. Для бюджетных организаций предусмотрена работа с частичной предоплатой в рамках договоров по ФЗ.
Доставка оборудования и компонентов во все регионы России осуществляется транспортными компаниями (Major Express, Гарантпост, СДЭК) с обязательным соблюдением требований к транспортировке и хранению, также возможен самовывоз из нашего офиса в Москве. Условия отправки груза в страны СНГ и ЕАЭС необходимо уточнять отдельно у специалистов нашей компании.
