|
Поставщик
|
Contrastech |
|
Диафрагма
|
F2.8-25 |
|
Рабочее расстояние
|
3–40 мм |
|
Диапазон длин волн, нм
|
400–680 |
|
Типы объектива
|
широкоугольные |
|
Особенности объектива
|
"рыбий глаз" |
|
Крепление
|
C-Mount |
Основное назначение:
Автоматизированного контроля качества средних и крупных объектов, где важна одновременная проверка боковых и верхних поверхностей.
Ключевые особенности:
- Экономия на оборудовании — полный контроль боковых поверхностей объекта с использованием всего одной камеры;
- Одновременный обзор стенок и верха — многоракурсная съёмка за один проход;
- Сверхчёткое изображение — выявление мельчайших дефектов благодаря высокому разрешению.
Технические характеристики:
Общие сведения:
- Модель: VT-360LEN-0825-H1.1;
- Серия: FA Lens;
- Тип: Многоракурсные линзы 360°.
Оптические параметры:
- Рекомендуемый размер сенсора: 1.1";
- Диапазон длин волн: 400–680 нм;
- Рабочее расстояние: 3–40 мм;
- Разрешение (MTF30): 126 lp/мм;
- Оптимальная диафрагма: F2.8–25.
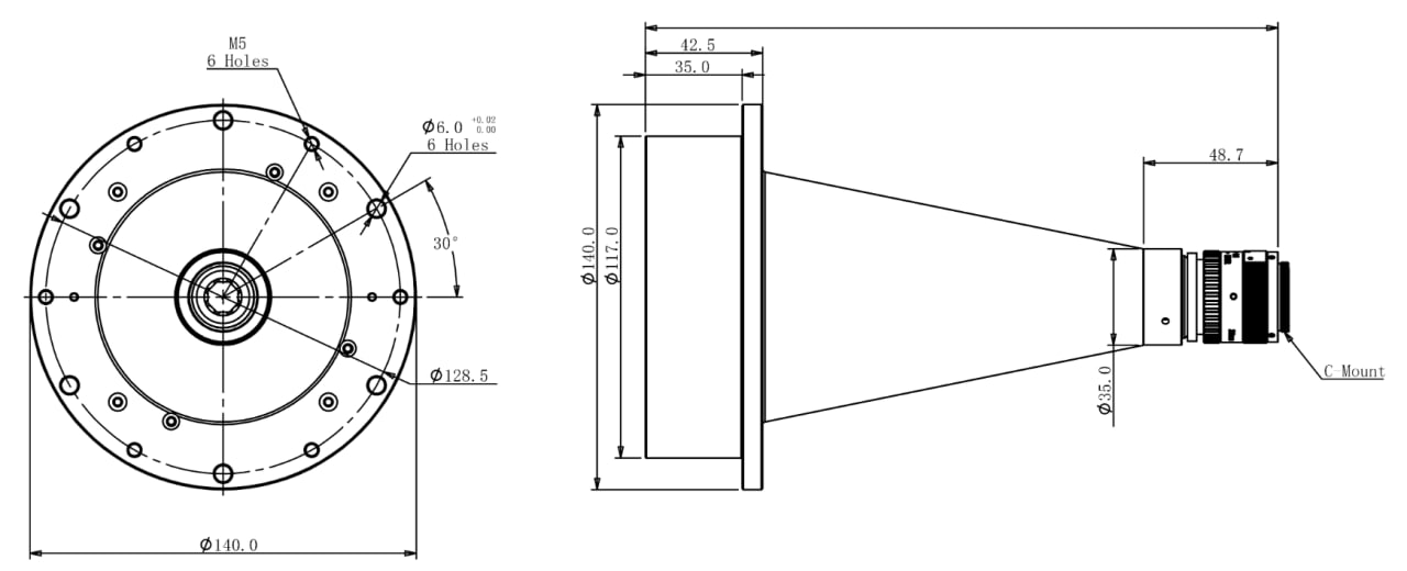
Конструкция:
- Максимальный диаметр: 140 мм;
- Длина: 229,3 мм;
- Тип крепления: C-Mount.
Подсветка:
- Напряжение: 24 В;
- Мощность: 18 Вт.
Допустимые размеры объектов
Только боковой обзор:
- При высоте 5 мм — макс. диаметр 72 мм;
- При высоте 20 мм — макс. диаметр 30 мм.
Комбинированный обзор (боковой + верхний):
- При высоте 10 мм — макс. диаметр 30 мм.
Габаритные размеры:

Оплата продукции производится по безналичному расчету на основании счета либо договора поставки. Компания АЗИМУТ ФОТОНИКС принимает участие в конкурсных торгах (электронных аукционах) на выполнение заказов от бюджетных организаций. Для бюджетных организаций предусмотрена работа с частичной предоплатой в рамках договоров по ФЗ.
Доставка оборудования и компонентов во все регионы России осуществляется транспортными компаниями (Major Express, Гарантпост, СДЭК) с обязательным соблюдением требований к транспортировке и хранению, также возможен самовывоз из нашего офиса в Москве. Условия отправки груза в страны СНГ и ЕАЭС необходимо уточнять отдельно у специалистов нашей компании.
