|
Поставщик
|
Contrastech |
|
Типы изделий
|
объективы |
|
Фокусное расстояние объектива
|
50 мм |
|
Рабочее расстояние
|
450 – 590 мм |
|
Числовая апертура
|
f/5 |
|
Особенности объектива
|
с жидкостной линзой |
|
Крепление
|
C-Mount |
|
Применение объектива
|
машинное зрение |
Объектив оснащен электроуправляемой жидкостной линзой 50 мм, что обеспечивает сверхбыстрое безинерционное изменение фокусировки. Это позволяет мгновенно адаптироваться к различным рабочим дистанциям в задачах многоцелевого обнаружения и 3D-инспекции.
Технические характеристики:
- Технология фокусировки: Жидкостная линза;
- Фокусное расстояние: 50 мм;
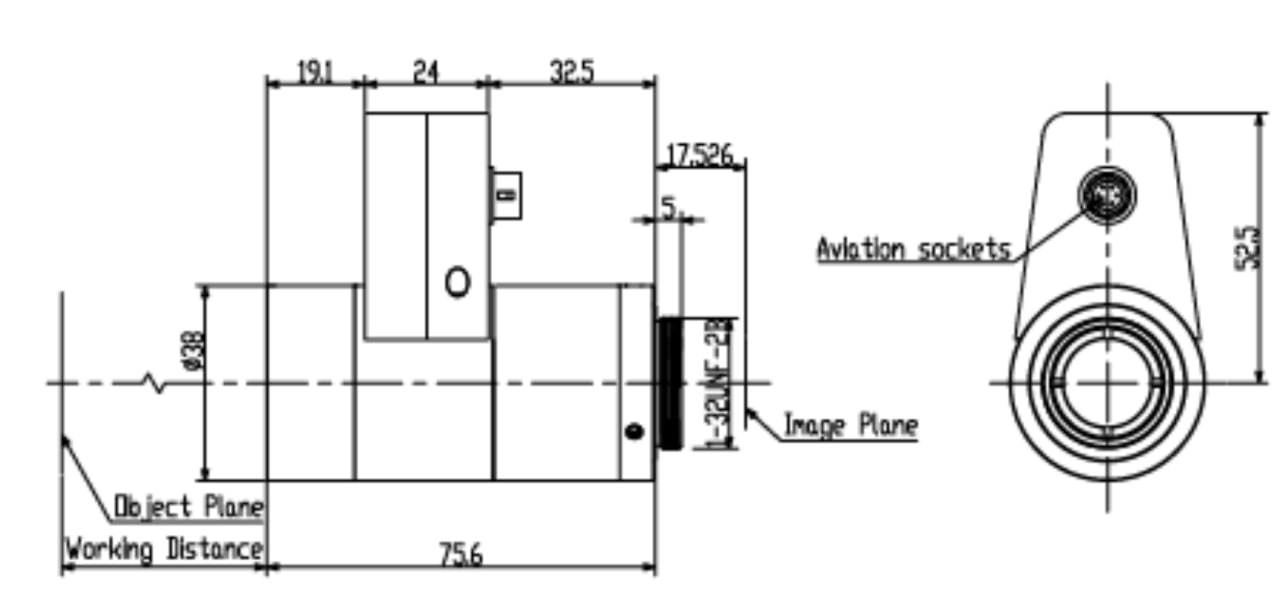
- Формат сенсора: 1.1" (диагональ 17.6 мм);
- Числовая апертура (F/#): F5.0;
- Рабочее расстояние: 450 – 590 мм;
- Поле зрения (Г×В×Д): 18.58° × 15.04° × 11.05°;
- TV-дисторсия: < 0.1% (минимальные геометрические искажения);
- Задний фокус: 17.526 мм;
- Крепление: C-Mount.
Применение:
Объектив идеально подходит для задач, требующих последовательного контроля объектов на разной высоте или анализа нескольких плоскостей одного изделия, таких как:
- Контроль электронных компонентов (BGA, микросхемы);
- 3D-сканирование и измерение рельефа;
- Высокоскоростная инспекция упаковки и маркировки;
- Роботизированное зрение.
Габаритные размеры:

Оплата продукции производится по безналичному расчету на основании счета либо договора поставки. Компания АЗИМУТ ФОТОНИКС принимает участие в конкурсных торгах (электронных аукционах) на выполнение заказов от бюджетных организаций. Для бюджетных организаций предусмотрена работа с частичной предоплатой в рамках договоров по ФЗ.
Доставка оборудования и компонентов во все регионы России осуществляется транспортными компаниями (Major Express, Гарантпост, СДЭК) с обязательным соблюдением требований к транспортировке и хранению, также возможен самовывоз из нашего офиса в Москве. Условия отправки груза в страны СНГ и ЕАЭС необходимо уточнять отдельно у специалистов нашей компании.
