|
Поставщик
|
Contrastech |
|
Типы изделий
|
объективы |
|
Фокусное расстояние объектива
|
40 мм |
|
Рабочее расстояние
|
100 – 250 мм |
|
Числовая апертура
|
f/7 |
|
Особенности объектива
|
с жидкостной линзой |
|
Крепление
|
C-Mount |
|
Применение объектива
|
машинное зрение |
Использование адаптивной жидкостной линзы 40 мм позволяет устранить механическую задержку при фокусировке. Объектив переключает точку фокуса между целями на разных расстояниях за миллисекунды, что идеально для высокоскоростных производственных линий, где счет идет на доли секунды.
Технические характеристики:
- Тип фокусировки: Жидкостная линза с электронным управлением;
- Фокусное расстояние: 40 мм;
- Поддерживаемый сенсор: 1.1" (диагональ 17.6 мм);
- Диафрагма: F7.0;
- Рабочее расстояние: 100 – 250 мм;
- Угловое поле зрения: 22.6° × 18.3° × 13.5° (по горизонтали, вертикали, диагонали);
- Оптическое искажение: < 0.2% ;
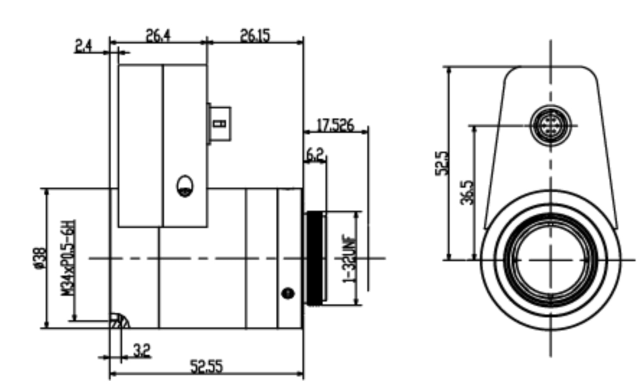
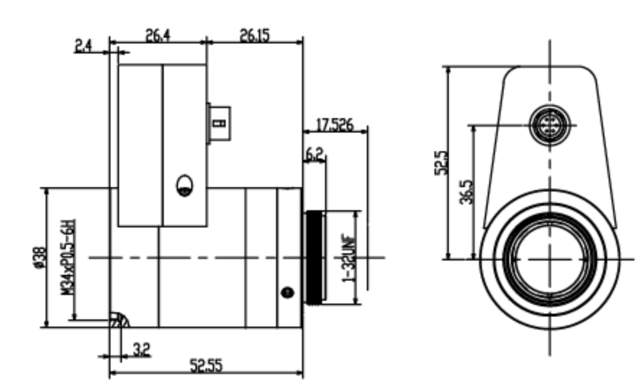
- Задний фокус: 17.526 мм (стандарт C-Mount)
- Тип крепления: C-Mount;
- Интерфейс управления: Авиационный разъем;
- Параметры питания: Напряжение 4.5 – 5.5 В, ток потребления < 50 мА.
Применение:
Объектив обеспечивает мгновенную адаптивную фокусировку без механического износа, что повышает надёжность системы в целом.
- 3D-инспекция и контроль рельефа: Мгновенное сканирование поверхности объекта на разных высотах для построения карты высот или выявления дефектов;
- Многоуровневое обнаружение объектов: Последовательная инспекция компонентов, расположенных в несколько плоскостей (например, на печатной плате);
- Машинное зрение;
- Контроль упаковки и маркировки: Проверка информации на различных гранях упаковки или этикетках, находящихся не в одной плоскости.
Габаритные размеры:

Оплата продукции производится по безналичному расчету на основании счета либо договора поставки. Компания АЗИМУТ ФОТОНИКС принимает участие в конкурсных торгах (электронных аукционах) на выполнение заказов от бюджетных организаций. Для бюджетных организаций предусмотрена работа с частичной предоплатой в рамках договоров по ФЗ.
Доставка оборудования и компонентов во все регионы России осуществляется транспортными компаниями (Major Express, Гарантпост, СДЭК) с обязательным соблюдением требований к транспортировке и хранению, также возможен самовывоз из нашего офиса в Москве. Условия отправки груза в страны СНГ и ЕАЭС необходимо уточнять отдельно у специалистов нашей компании.
