|
Поставщик
|
Contrastech |
|
Типы изделий
|
объективы |
|
Фокусное расстояние объектива
|
25 мм |
|
Рабочее расстояние
|
100 – 2000 мм |
|
Числовая апертура
|
f/5 |
|
Особенности объектива
|
с жидкостной линзой |
|
Крепление
|
C-Mount |
|
Применение объектива
|
машинное зрение |
Объектив сочетает широкий угол обзора (25 мм), высокую апертуру (F5.0) и технологию жидкостной линзы. Это позволяет не только охватывать большую площадь, но и вести высокоскоростную фокусировку на объектах в разных точках кадра даже при умеренном освещении.
Технические характеристики:
- Фокусное расстояние: 25 мм;
- Поддерживаемый сенсор: 1.1" (диагональ ~18 мм);
- Апертура: F5.0;
- Рабочее расстояние: 100 – 2000 мм;
- Поле зрения (Г×В×Д): 37.12° × 30.28° × 22.34°;
- Оптическое искажение: < 0.5%;
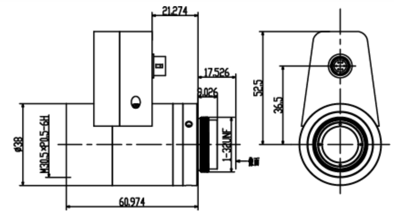
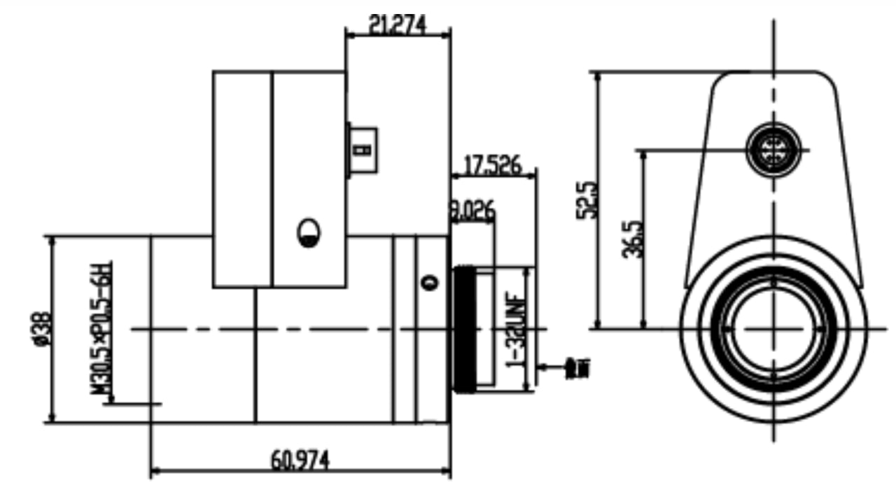
- Задний фокус: 17.526 мм;
- Крепление: C-Mount;
- Питание: Напряжение 4.5 – 5.5 В, ток < 50 мА.
Преимущества:
Модель VLEN2550-H1.1-Liq создана для приложений, где критически важны одновременно широкий обзор, высокая светочувствительность и скорость реакции системы.
Применения:
- Контроль сборочных и логистических операций в реальном времени: Мониторинг конвейеров, рабочих зон склада с возможностью моментального детального изучения любого участка без механических движений камеры;
- Системы безопасности и анализа поведения: Широкоугольное наблюдение за периметром или помещением с функцией интеллектуального трекинга и автофокусировки на движущихся объектах;
- Автоматизированная инспекция крупногабаритных объектов: Проверка качества поверхностей (кузовов автомобилей, листовых материалов) с возможностью быстрого переключения между общим планом и детальным осмотром дефекта;
- Научная визуализация и макросъемка: Исследование образцов с неровной поверхностью или изменяющимся рельефом, где требуется постоянная адаптивная фокусировка при сохранении широкого поля обзора.
Габаритные размеры:

Оплата продукции производится по безналичному расчету на основании счета либо договора поставки. Компания АЗИМУТ ФОТОНИКС принимает участие в конкурсных торгах (электронных аукционах) на выполнение заказов от бюджетных организаций. Для бюджетных организаций предусмотрена работа с частичной предоплатой в рамках договоров по ФЗ.
Доставка оборудования и компонентов во все регионы России осуществляется транспортными компаниями (Major Express, Гарантпост, СДЭК) с обязательным соблюдением требований к транспортировке и хранению, также возможен самовывоз из нашего офиса в Москве. Условия отправки груза в страны СНГ и ЕАЭС необходимо уточнять отдельно у специалистов нашей компании.
