|
Поставщик
|
Contrastech |
|
Типы изделий
|
объективы |
|
Фокусное расстояние объектива
|
18 мм |
|
Рабочее расстояние
|
100 – 2000 мм |
|
Числовая апертура
|
f/6 |
|
Особенности объектива
|
с жидкостной линзой |
|
Крепление
|
C-Mount |
|
Применение объектива
|
машинное зрение |
Объектив 18 мм с интегрированной жидкостной линзой. Позволяет вести мониторинг обширных зон с возможностью мгновенной электронной фокусировки на любом объекте в пределах кадра, от ближней до дальней дистанции.
Технические характеристики:
- Фокусное расстояние: 18 мм;
- Поддерживаемый сенсор: 1.1" (диагональ 18 мм);
- Светосила: F6.0;
- Рабочее расстояние: 100 – 2000 мм;
- Поле зрения (Г×В×Д): 50.66° × 41.8° × 31.2°;
- Оптическое искажение: < 0.5%;
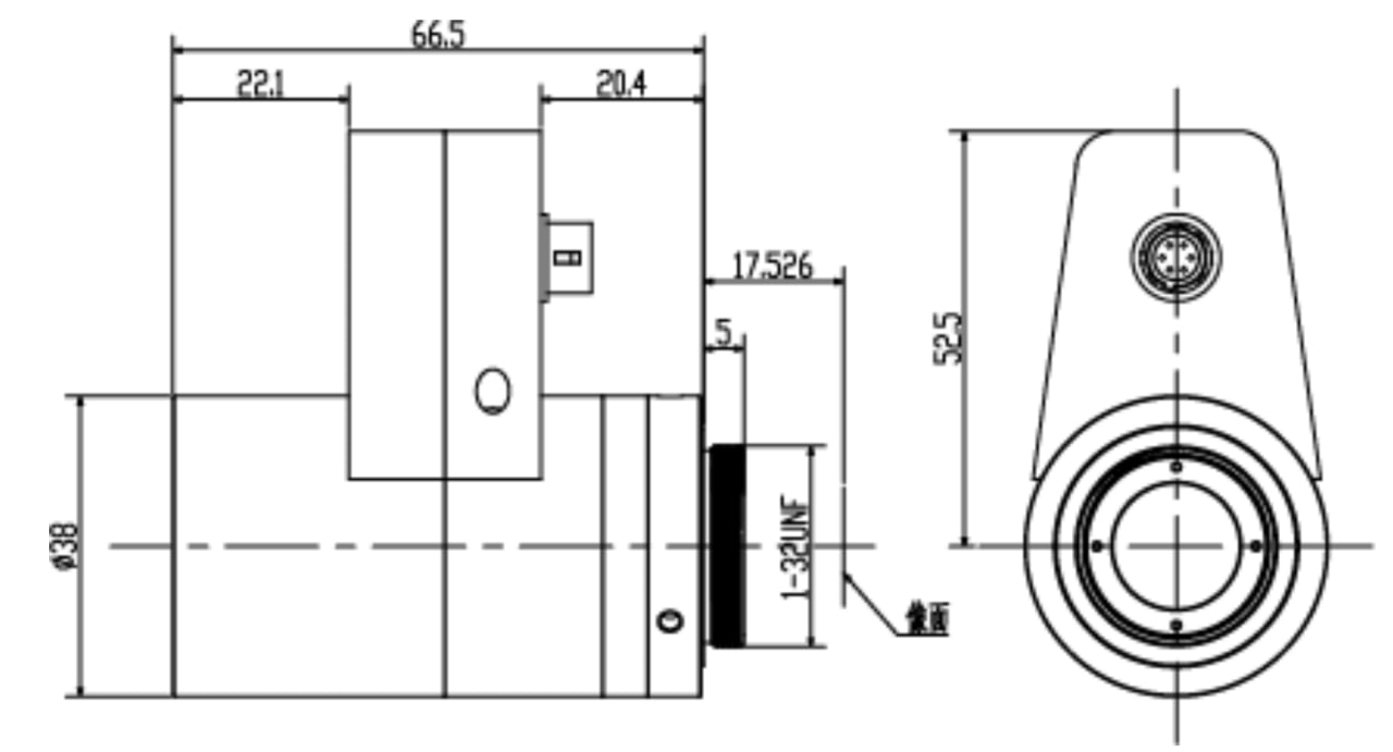
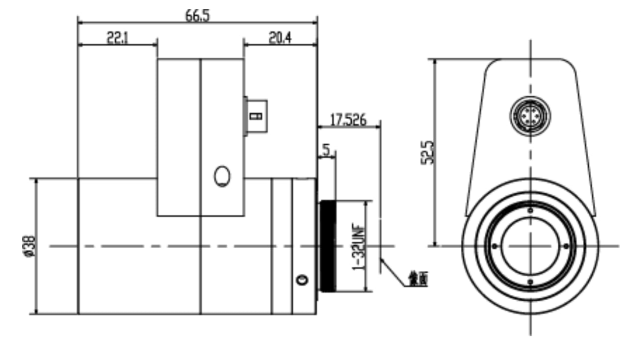
- Задний фокус: 17.526 мм;
- Крепление: C-Mount.
Преимущества:
Модель VLEN1860-H1.1-Liq предназначена для задач, где требуется максимальный охват пространства с одной точки установки, но без потери возможности детального анализа отдельных участков.
Области применения:
- Панорамный мониторинг производственных цехов и складских комплексов;
- Системы всестороннего обзора для автономных мобильных роботов;
- Интеллектуальное видеонаблюдение и анализ больших пространств;
- Визуализация и контроль в исследовательских установках.
Габаритные размеры:

Оплата продукции производится по безналичному расчету на основании счета либо договора поставки. Компания АЗИМУТ ФОТОНИКС принимает участие в конкурсных торгах (электронных аукционах) на выполнение заказов от бюджетных организаций. Для бюджетных организаций предусмотрена работа с частичной предоплатой в рамках договоров по ФЗ.
Доставка оборудования и компонентов во все регионы России осуществляется транспортными компаниями (Major Express, Гарантпост, СДЭК) с обязательным соблюдением требований к транспортировке и хранению, также возможен самовывоз из нашего офиса в Москве. Условия отправки груза в страны СНГ и ЕАЭС необходимо уточнять отдельно у специалистов нашей компании.
