Алюминиевая (черная анодированная) пластина предназначена для крепления лазеров MatchBox к 25-миллиметровой системе отверстий с резьбой M6 стандартного оптического стола.
Функции:
- Обеспечивает хороший отвод тепла на оптическом столе
- Обеспечивает быстрое закрепление лазера;
- Увеличивает высоту лазера на 5 мм;
- Черное анодированное покрытие против окисления и царапин;
- Поверхность поглощает лазерное излучение.
Примечание:
В комплекте низкопрофильные винты torx M6 (2шт.) и ключ.
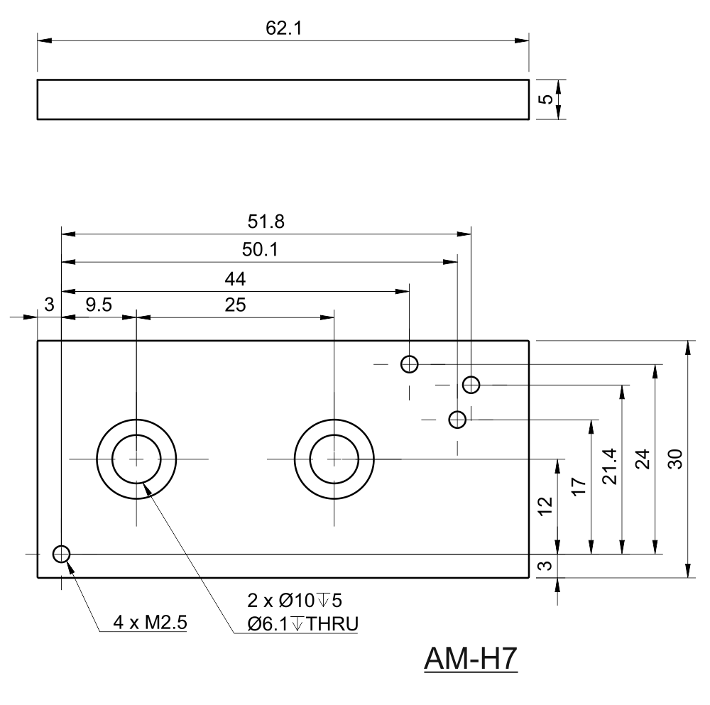
Технические характеристики:
|
Параметр |
Значение |
|
Габаритные размеры (ШxГxВ) |
30 x 62 x 5 мм |
|
Высота луча |
15.4 мм |
|
Покрытие |
Черное анодированное |
|
Материал |
Алюминий |
|
Установочные отверстия |
M6 |
|
Гарантия |
14 месяцв |

Принципиальная схема
Оплата продукции производится по безналичному расчету на основании счета либо договора поставки. Компания АЗИМУТ ФОТОНИКС принимает участие в конкурсных торгах (электронных аукционах) на выполнение заказов от бюджетных организаций. Для бюджетных организаций предусмотрена работа с частичной предоплатой в рамках договоров по ФЗ.
Доставка оборудования и компонентов во все регионы России осуществляется транспортными компаниями (Major Express, Гарантпост, СДЭК) с обязательным соблюдением требований к транспортировке и хранению, также возможен самовывоз из нашего офиса в Москве. Условия отправки груза в страны СНГ и ЕАЭС необходимо уточнять отдельно у специалистов нашей компании.
