Этот адаптер предназначен для удобного перехода с лазера OBIS на MatchBox. Такая же высота луча и одинаковое расположение монтажных отверстий позволяют легко заменить лазер OBIS на MatchBox в установке.
Функции:
- Обеспечивает хороший отвод тепла на оптическом столе
- Обеспечивает быстрое закрепление лазера;
- Увеличивает высоту лазера на 8.6 мм;
- Черное анодированное покрытие против окисления и царапин;
- Поверхность поглощает лазерное излучение.
Примечание:
В комплекте винты M3x8 (2шт.) и ключ.
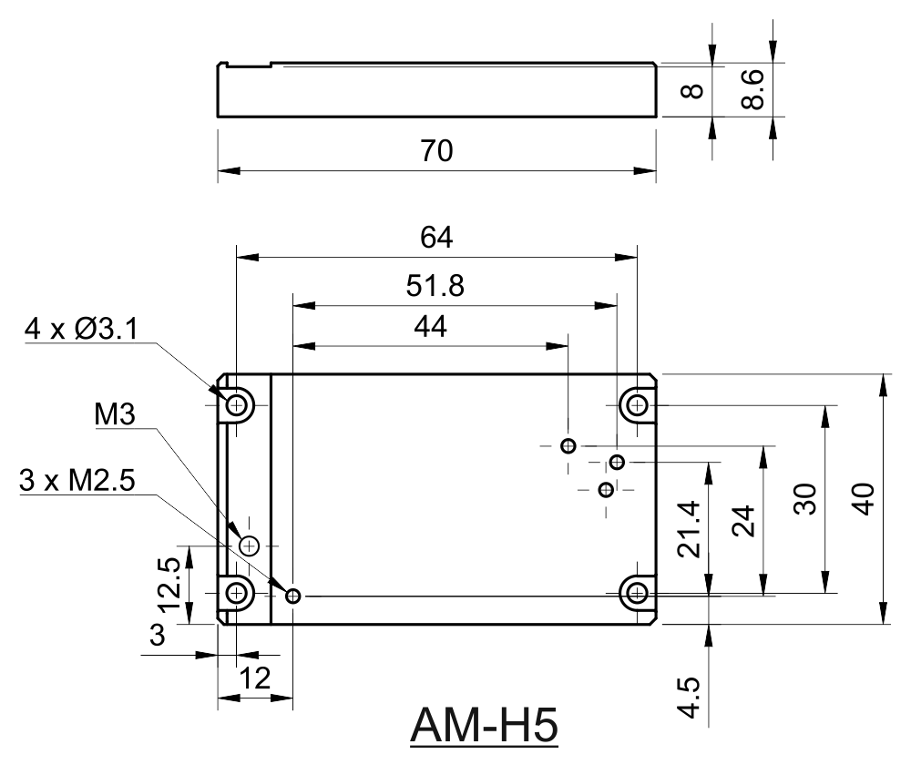
Технические характеристики:
|
Параметр |
Значение |
|
Габаритные размеры (ШxГxВ) |
40 x 70 x 9 мм |
|
Высота луча |
19 мм |
|
Покрытие |
Черное анодированное |
|
Материал |
Алюминий |
|
Приблизительный вес |
62.6 г |
|
Установочные отверстия |
M3x8 |
|
Гарантия |
14 месяцв |

Принципиальная схема
Оплата продукции производится по безналичному расчету на основании счета либо договора поставки. Компания АЗИМУТ ФОТОНИКС принимает участие в конкурсных торгах (электронных аукционах) на выполнение заказов от бюджетных организаций. Для бюджетных организаций предусмотрена работа с частичной предоплатой в рамках договоров по ФЗ.
Доставка оборудования и компонентов во все регионы России осуществляется транспортными компаниями (Major Express, Гарантпост, СДЭК) с обязательным соблюдением требований к транспортировке и хранению, также возможен самовывоз из нашего офиса в Москве. Условия отправки груза в страны СНГ и ЕАЭС необходимо уточнять отдельно у специалистов нашей компании.
