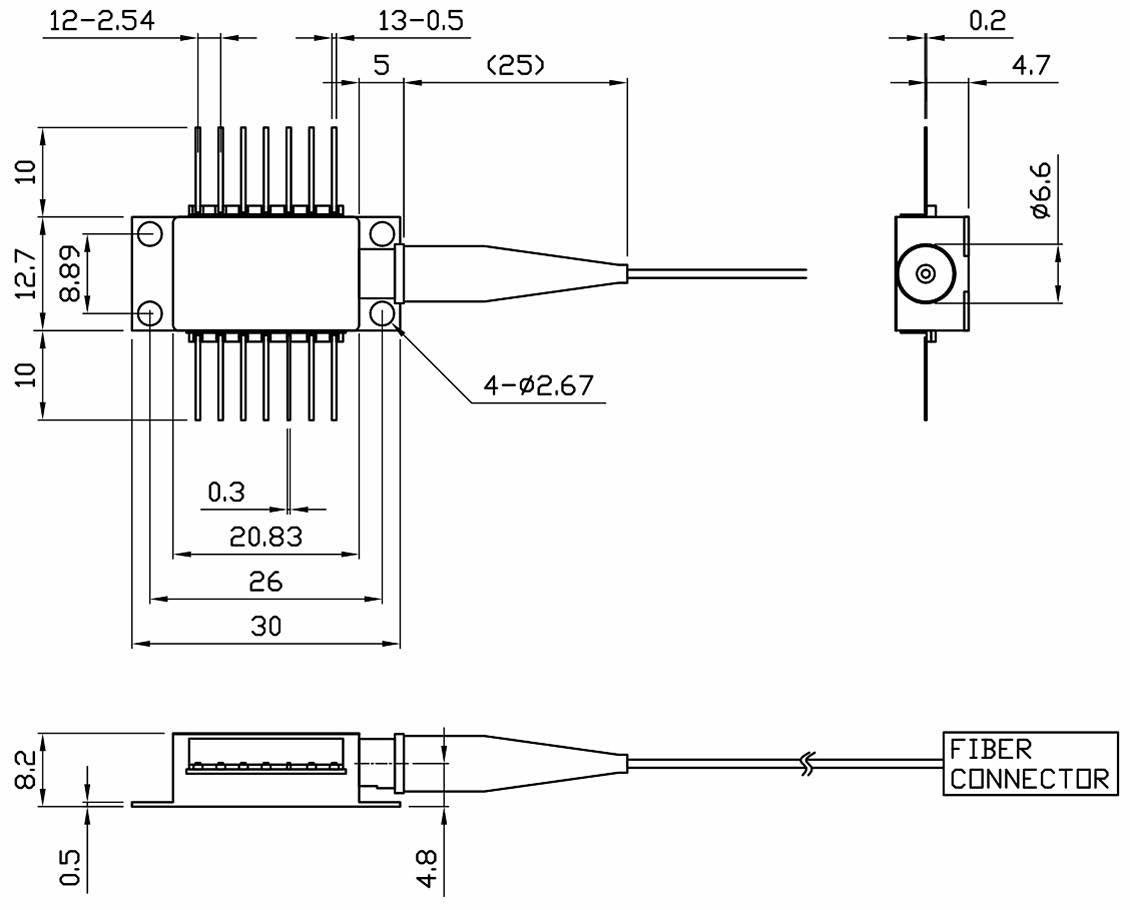
Серия суперлюминесцентных диодов PL-SLD-1000 от компании LD-PD обеспечивают высокую выходную оптическую мощность, широкополосный спектр и низкую когерентность. SLD имеют малую длину когерентности и имеют высокую интенсивность. SLD отлично подходят для таких применений как оптическая когерентная томография, волоконные датчики (таких как датчики температуры и деформации), а также для применения в испытательном и измерительном оборудовании. Источник имеет стандартный корпус 14-pin «бабочка» с встроенным фотодиодом и термоэлектрическим охладителем (TEC).
Особенности:- Оптическая выходная мощность: 40 мВт; - Коннектор FC/APC; - Корпус 14-pin «бабочка»; - Непрерывный или импульсный режим работы; - Встроенные фотодиод и TEC; - Широкая полуширина спектра; - Оптический вывод SM или PM. |
Применения:- Волоконно-оптические системы передачи данных; - Волоконно-оптические гироскопы; - Волоконно-оптические датчики; - Оптическая когерентная томография; - Тестирования и измерения. |
Технические характеристики:
|
Параметр |
Мин. |
Тип. |
Макс. |
Ед. измерения |
|
Центральная длина волны |
980 |
1000 |
1020 |
нм |
|
Ширина спектра |
75 |
95 |
115 |
нм |
|
Пороговый ток |
- |
30 |
40 |
мА |
|
Рабочий ток |
- |
800 |
900 |
мА |
|
Выходная оптическая мощность |
15 |
25 |
40 |
мВт |
|
Темновой ток ФД (VRD = 5 В) |
- |
- |
0.1 |
мкА |
|
ER (для PM версии) |
17 |
20 |
- |
дБ |
|
Тип волокна |
HI1060 / PM980 |
- |
||
|
Прямое напряжение |
- |
1.8 |
2.5 |
В |
|
Тип коннектора |
FC/APC |
- |
||
|
Ток TEC |
- |
1.2 |
1.4 |
А |
Оплата продукции производится по безналичному расчету на основании счета либо договора поставки. Компания АЗИМУТ ФОТОНИКС принимает участие в конкурсных торгах (электронных аукционах) на выполнение заказов от бюджетных организаций. Для бюджетных организаций предусмотрена работа с частичной предоплатой в рамках договоров по ФЗ.
Доставка оборудования и компонентов во все регионы России осуществляется транспортными компаниями (Major Express, Гарантпост, СДЭК) с обязательным соблюдением требований к транспортировке и хранению, также возможен самовывоз из нашего офиса в Москве. Условия отправки груза в страны СНГ и ЕАЭС необходимо уточнять отдельно у специалистов нашей компании.
