Rad-Icon Imaging представляет новое семейство сканирующих рентгеновских детекторов Shad-o-Scan 3001/4501, специально разработанных для сложных требований высокопроизводительных промышленных и научных приложений сканирования рентгеновских лучей. В детекторах Shad-o-Scan используется передовая CMOS технология распознавания изображений компании Rad-Icon Imaging, которая обеспечивает получение высокоскоростных рентгеновских изображений и более высокое качество изображения, чем другие сканирующие устройства.
Семейство продуктов Shad-o-Scan xx01 состоит из 2 моделей размером до 45 см, с размером пикселя 99 мкм, высокоскоростной передачей изображений в реальном времени через интерфейс 5G Ethernet, 14-битной оцифровкой и SDK драйверами, и поддержкой программирования. Интерфейс камеры обеспечивает легкий доступ к таким функциям, как регулировка частоты кадров, получение одного и нескольких кадров, а также управление расширенными режимами синхронизации.
Программное обеспечение
Каждый детектор Rad-Icon Imaging поставляется с программным обеспечением CamExpert компании Rad-Icon Imaging и драйвером Ethernet. Программное обеспечение совместимо с Windows 7, 8 и 10. Детектор можно подключить к сети, но для оптимальной работы настоятельно рекомендуется использовать специальный сетевой адаптер.
Для написания пользовательских приложений для получения изображений с камеры рекомендуется использовать Sapera Essential от Rad-Icon Imaging или Sapera LT SDK.
Особенности:- CMOS-технология с радиационной стойкостью обеспечивает долгий срок службы; - 14-битный цифровой вывод в реальном времени; - Размер пикселя 99 мкм; - Интерфейс 5G Ethernet; - Энергетический диапазон 10-225 кВ; - Высокая скорость (до 55 м/мин); - Низкое энергопотребление (не требуется активное охлаждение); - Бортовая коррекция пикселей; - D-TDI (цифровая интеграция временной задержки); - Готовое программное обеспечение и драйверы. |
Применения:- Неразрушающий контроль (NDT) - Контроль электроники (2D / 3D); - Продовольственная инспекция; - Научная визуализация. |
Технические характеристики:
|
Спецификация детектора |
Shad-o-Scan 3001 |
Shad-o-Scan 4501 |
|
Длина активной области |
304 мм |
456 мм |
|
Разрешение |
3072 x 64 пикс. |
4608 x 64 пикс. |
|
Размер пикселя |
99 мкм | |
|
Скорость сканирования (макс.)1 |
до 35 м/мин | |
|
Режим биннинга пикселей |
1x1 / 1x2 / 2x2 / 4x4 | |
|
Оцифровка |
14 бит (16384 уровней) | |
|
Задержка изображения |
<0.1% | |
|
Нелинейность (10…90% полной шкалы) |
<1.5% | |
|
Динамический диапазон |
74 дБ | |
|
Срок службы рентгеновского датчика |
>10 кГр | |
|
Чувствительность2 [ADU/мкГр] Сцинтиллятор DRZ-Std |
50 кВ 9.7 |
80 кВ 13.7 |
|
Спецификация камеры | ||
|
Напряжение питания (постоянный ток) |
+15 В | |
|
Потребляемая мощность (макс.) |
20 Вт | |
|
Интерфейс данных и управления |
5Gige Ethernet | |
|
Разъем триггера |
TTL | |
|
Калибровка |
Да | |
|
Общая спецификация |
| |
|
Рабочая температура |
от 0 до 40 °C | |
|
Температура хранения |
от -10 до +55 °C | |
|
Влажность |
10 – 80% (без конденсации) | |
|
Вес3 |
<5 кг | |
|
Класс защиты |
IP69K | |
Примечания:
1. 16 линий в режиме чтения 1x2;
2. Мишень W, стеклянное окно 2 мм, без фильтрации;
3. Зависит от модели детектора.
Разрешение и чувствительность
Детекторы Shad-o-Scan предназначены для работы с источниками рентгеновского излучения, работающими в широком диапазоне настроек энергии пучка излучения. Могут быть детектированы рентгеновские лучи с энергией 10-15 кВ. Камеры могут использоваться с энергией рентгеновского излучения до 225 кВ, хотя рекомендуется использовать дополнительное экранирование и / или коллимацию при более высоких энергиях, чтобы защитить сенсорный элемент и электронику от повреждений.
Расстояние между пикселями определяет предельное разрешение сенсора. Фактическая функция передачи модуляции (ФПМ) детектора зависит от типа установленного сцинтиллятора, а также от выбранного режима биннинга. Более толстый люминофорный экран будет давать больше сигнала, но за счет высокочастотного контраста. Типичные кривые ФПМ для стандартного сцинтиллятора показаны на графике ниже.

Функция передачи модуляции

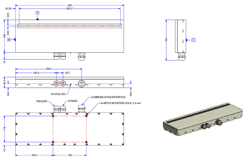
Схема модели 3001

Схема модели 4501
Оплата продукции производится по безналичному расчету на основании счета либо договора поставки. Компания АЗИМУТ ФОТОНИКС принимает участие в конкурсных торгах (электронных аукционах) на выполнение заказов от бюджетных организаций. Для бюджетных организаций предусмотрена работа с частичной предоплатой в рамках договоров по ФЗ.
Доставка оборудования и компонентов во все регионы России осуществляется транспортными компаниями (Major Express, Гарантпост, СДЭК) с обязательным соблюдением требований к транспортировке и хранению, также возможен самовывоз из нашего офиса в Москве. Условия отправки груза в страны СНГ и ЕАЭС необходимо уточнять отдельно у специалистов нашей компании.
