Высокая производительность по привлекательной цене
Высокие цены на обычные настольные синхронные усилители часто препятствуют их использованию в приложениях, требующих минимальных денежных издержек. По этой причине компания FEMTO разработала полностью автономный и удобный в использовании усилитель в формате платы по очень привлекательной цене. Все настройки чувствительности, постоянной времени и фазового сдвига могут осуществляться вручную с помощью переключателей на передней панели или удаленно с помощью ПК через цифровой интерфейс. Дополнительные фильтры сигналов могут быть сконфигурированы с помощью перемычек на плате для дальнейшего увеличения динамического резерва в приложениях с высокими требованиями.
19" плата vs карта для ПК
ПК-карта подвергается воздействию электромагнитных помех в корпусе компьютера. Поэтому использование карты ПК для сверхчувствительных измерений малых сигналов часто нецелесообразно. Синхронные усилители FEMTO серии LIA-BV(D)-150 спроектированы в формате 19-дюймовой платы, которые могут быть установлены в стандартные корпуса с экранированием, которые обеспечивают наилучшее подавление шума и помех. Кроме того, они являются идеальным выбором для проектирования высокопроизводительных многоканальных систем.
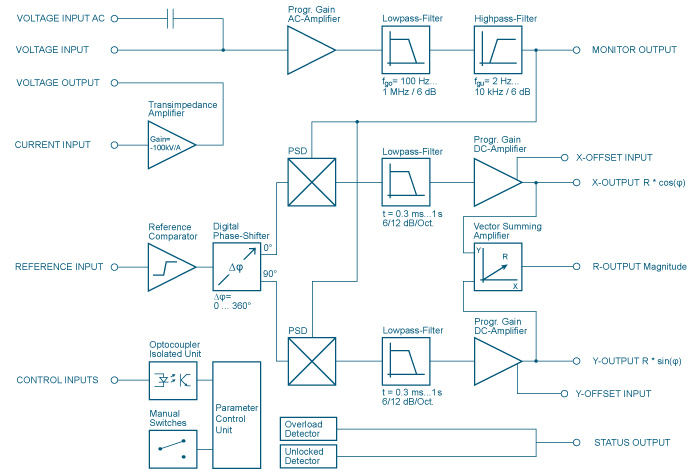
Блок-схема усилителя LIA-BVD-150-H:
Особенности:
|
Применения:
|
Технические характеристики синхронных усилителей серии LIA-BV(D)-150:
|
Модель |
LIA-BV-150-L Однофазный |
LIA-BV-150-H Однофазный |
LIA-BVD-150-L Двухфазный |
LIA-BVD-150-H Двухфазный |
|
Рабочая частота |
5 Гц ... 10 кГц |
50 Гц ... 120 кГц |
5 Гц ... 10 кГц |
50 Гц ... 120 кГц |
|
Постоянная времени |
3 мс - 10 с |
300 мкс - 1 с |
3 мс - 10 с |
300 мкс - 1 с |
|
Тех. док-я |
||||
|
Чувствительность (полная шкала) |
Напряжение: 3 мкВ - 1 В |
|||
|
Вход напряжения |
Инструментальный усилитель, шум: 12 нВ/√Гц |
|||
|
Токовый вход |
Трансимпедансный усилитель: 100 кВ/A, шум: 0.4 пA/√Гц |
|||
|
Фильтр сигналов |
Высокочастотный: 0.2 Гц - 1 кГц, низкочастотный: 100 Гц - 1 MГц, задается пользователем |
|||
|
Вход опорного сигнала |
100 мВ - 5 В, переключение на TTL |
|||
|
Фаза |
регулируется: 0° - 360° с разрешением 8 бит, |
|||
|
Макс. динамический резерв |
80 дБ |
|||
|
Источник питания |
±15 В, +120 мА / -60 мА |
|||
|
Габаритные размеры |
160 x 100 x 20 мм (Д x Ш x В), Вес: 100 г |
|||
Дополнительный источник опорного сигнала может быть подключен с помощью дополнительного разъема на плате. Сигналы и напряжение питания подаются через Euro-card разъем с 64 контактами.
Оплата продукции производится по безналичному расчету на основании счета либо договора поставки. Компания АЗИМУТ ФОТОНИКС принимает участие в конкурсных торгах (электронных аукционах) на выполнение заказов от бюджетных организаций. Для бюджетных организаций предусмотрена работа с частичной предоплатой в рамках договоров по ФЗ.
Доставка оборудования и компонентов во все регионы России осуществляется транспортными компаниями (Major Express, Гарантпост, СДЭК) с обязательным соблюдением требований к транспортировке и хранению, также возможен самовывоз из нашего офиса в Москве. Условия отправки груза в страны СНГ и ЕАЭС необходимо уточнять отдельно у специалистов нашей компании.
