Рентгеновский плоскопанельный детектор Whale3030FQM представляет собой портативный плоскопанельный рентгеновский детектор с низким уровнем шума, основанный на технологии аморфного кремния (A-Si). Детектор на основе технологии A-Si обладает многими преимуществами, недоступными другим технологиям. Whale3030FQM может генерировать изображения высокого качества, имеет широкий динамический диапазон и обладает функцией каскадного усиления с несколькими коэффициентами усиления. Основываясь на вышеперечисленных характеристиках, детектор Whale3030FQM подходит для медицины, промышленности и ветеринарии.
Особенности:
- Расширенный динамический диапазон;
- Долгий срок службы радиационной стойкости.
Технические характеристики:
|
Параметр |
Значение |
|
Тип детектора |
A-Si |
|
Сцинтиллятор |
GOS / CSI |
|
Активная область (мм) |
286 х 286 |
|
Матрица пикселей |
2048 х 2048 |
|
Шаг пикселя (мкм) |
140 |
|
АЦП (бит) |
16 |
|
Интерфейс |
GM |
|
Контроль экспозиции |
Вход синхронизации (edge/level) / выход синхронизации (edge/level) |
|
Режим |
Программный режим / Режим синхронизации HVG / Режим синхронизации FPD |
|
Скорость съемки (к/с) |
8 (1x1) / 16 (2x2) |
|
Операционная система |
Windows 7 / Windows 10 32- или 64-бит |
|
Разрешение (пар линий/мм) |
3.5 |
|
Энергетический диапазон (кВ) |
40-160 |
|
Задержка |
<0.8 % при 1-м кадре |
|
Динамический диапазон (дБ) |
≥86 |
|
Чувствительность (lsb/uGy) |
620 |
|
Сигнал/шум (дБ) |
48 дБ при 20000 lsb |
|
Функция передачи модуляции |
72% при (1 л/мм) |
|
44% при (2 л/мм) |
|
|
25% при (3 л/мм) |
|
|
Детектирующая квантовая эффективность |
55% при (0 л/мм) |
|
41% при (1 л/мм) |
|
|
28% при (2 л/мм) |
|
|
Размер, В х Ш х Г (мм) |
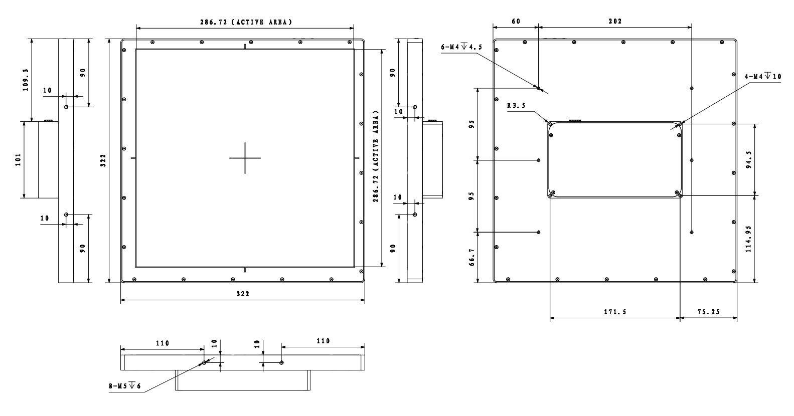
322 х 322 х 46.5 |
|
Масса (кг) |
3 |
|
Материал защиты датчика |
Углеродное волокно |
|
Материал корпуса |
Алюминиевый сплав |
|
Диапазон температур (°C) |
+10...+35 (рабочая), -10...+50 (хранение) |
|
Относительная влажность |
30-70% (при отсутствии конденсата) |
|
Вибростойкость |
IEC/EN 60721-3 класс 2M3 (10~150 Гц, 0.5 г) |
|
Ударопрочность |
IEC/EN 60721-3, класс 2M3 (11 мс, 2 г) |
|
Пыле- влагозащита |
IPX0 |
|
Напряжение питания (В) |
100~240 |
|
Частота (Гц) |
50/60 |
|
Потребление (Вт) |
10 |
Габаритные размеры:

Оплата продукции производится по безналичному расчету на основании счета либо договора поставки. Компания АЗИМУТ ФОТОНИКС принимает участие в конкурсных торгах (электронных аукционах) на выполнение заказов от бюджетных организаций. Для бюджетных организаций предусмотрена работа с частичной предоплатой в рамках договоров по ФЗ.
Доставка оборудования и компонентов во все регионы России осуществляется транспортными компаниями (Major Express, Гарантпост, СДЭК) с обязательным соблюдением требований к транспортировке и хранению, также возможен самовывоз из нашего офиса в Москве. Условия отправки груза в страны СНГ и ЕАЭС необходимо уточнять отдельно у специалистов нашей компании.
