|
Поставщик
|
Hamamatsu |
|
Частота кадров
|
A: 0.1 B: 1.5 кадра в секунду |
|
Размер пикселя
|
24 x 24 мкм |
|
Материал окна
|
Кварц |
|
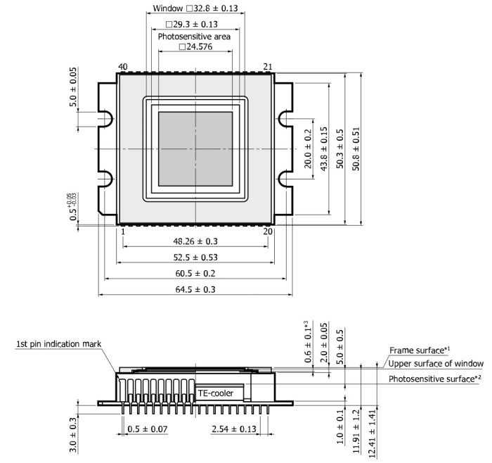
Размер изображения
|
24.576 x 24.576 мм |
|
Количество эффективных пикселей
|
1024 x 1024 пикселей |
|
Спектральный диапазон
|
от 165 до 1100 нм |
|
Материал корпуса
|
Керамика |
|
Рекомендуемое охлаждение
|
Одноступенчатое термоохлаждаемое |
ПЗС-матрица S12071 имеет уменьшенную структуру, которая обеспечивает высокую чувствительность в УФ- и видимой областях, а также широкий динамический диапазон, низкий темновой ток и функцию защиты от выцветания.
Особенности:
- Высокая чувствительность в ультрафиолетовой области;
- Одноступенчатый тип с водяным охлаждением;
- Низкий темновой ток;
- Включена функция защиты от цветения;
- Выбираемый порт считывания в соответствии с вашим приложением:
- нажмите A: усилитель с низким уровнем шума (не более 1 МГц).;
- коснитесь B: высокоскоростной усилитель (не более 10 МГц).
- Количество эффективных пикселей: 1024 × 1024.
Спектральный отклик

Габаритные размеры (мм)

Оплата продукции производится по безналичному расчету на основании счета либо договора поставки. Компания АЗИМУТ ФОТОНИКС принимает участие в конкурсных торгах (электронных аукционах) на выполнение заказов от бюджетных организаций. Для бюджетных организаций предусмотрена работа с частичной предоплатой в рамках договоров по ФЗ.
Доставка оборудования и компонентов во все регионы России осуществляется транспортными компаниями (Major Express, Гарантпост, СДЭК) с обязательным соблюдением требований к транспортировке и хранению, также возможен самовывоз из нашего офиса в Москве. Условия отправки груза в страны СНГ и ЕАЭС необходимо уточнять отдельно у специалистов нашей компании.
