|
Поставщик
|
Contrastech |
|
Типы изделий
|
объективы |
|
Разрешение
|
3 Мп |
|
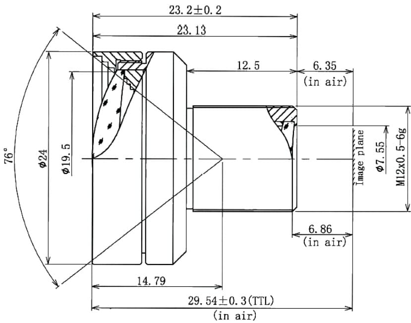
Габаритные размеры
|
Ø24 × 23.2 мм |
|
Фокусное расстояние объектива
|
5.5 мм |
|
Рабочее расстояние
|
0.2 м |
|
Типы объектива
|
для матричных камер |
|
Числовая апертура
|
f/1.8 |
|
Крепление
|
S-Mount, M12 |
|
Применение объектива
|
машинное зрение |
Компактный объектив с креплением M12 для задач, требующих работы в условиях слабой освещенности. Он обеспечивает четкое и яркое изображение на сенсорах до 1/1.8".
Объектив представляет собой экономичное и технологичное решение для компактных мегапиксельных камер. Конструкция с фиксированной диафрагмой F1.8 специально разработана для обеспечения высокой световой эффективности, что критически важно для приложений, работающих в условиях недостаточной освещенности или с ИК-подсветкой. Оптика скорректирована на минимальную дисторсию (-2%) и демонстрирует равномерную освещенность кадра (>45%).
Технические характеристики:
- Разрешение: 3 Мп;
- Рекомендуемый формат сенсора: 1/1.8" (оптимизирован для матриц 1/3" и 1/2" с малым размером пикселя);
- Фокусное расстояние: 5.5 мм;
- Диафрагма: F1.8 (фиксированная);
- Минимальная дистанция фокусировки: 0.2 м;
- Поле зрение (для формата 1/1.8"): Диагональное 76°, горизонтальное 64.5°, вертикальное 51°;
- Дисторсия: -2% (подушкообразная, незначительная);
- Относительная освещенность: > 45%;
- Угол главного луча: 12.7°;
- Спектральный диапазон просветляющего покрытия: 400 – 950 нм;
- Тип крепления: S-mount (стандартная резьба M12x0.5);
- Габаритные размеры: Диаметр 24 мм, общая длина 23.2 мм;
- Диапазон рабочих температур: от -10°C до +50°C;
- Диапазон температур хранения: от -20°C до +60°C.
Преимущества:
- Диафрагма F1.8: Превосходная производительность при низком уровне освещения;
- Совместимость с современными сенсорами: Оптимизирован для матриц 1/3" и 1/2" с малым размером пикселя;
- Компактная конструкция: Диаметр 24 мм, длина 23.2 мм для интеграции в малогабаритные устройства;
- Широкий угол обзора: Диагональное поле зрения 76° для охвата сцены;
- Широкий спектральный диапазон: Просветляющее покрытие 400-950 нм (видимый и ближний ИК).
Области применения:
- Системы безопасности;
- Машинное зрение;
- Потребительская электроника;
- Промышленный контроль;
- Специализированные применения.
Габаритные размеры:

Оплата продукции производится по безналичному расчету на основании счета либо договора поставки. Компания АЗИМУТ ФОТОНИКС принимает участие в конкурсных торгах (электронных аукционах) на выполнение заказов от бюджетных организаций. Для бюджетных организаций предусмотрена работа с частичной предоплатой в рамках договоров по ФЗ.
Доставка оборудования и компонентов во все регионы России осуществляется транспортными компаниями (Major Express, Гарантпост, СДЭК) с обязательным соблюдением требований к транспортировке и хранению, также возможен самовывоз из нашего офиса в Москве. Условия отправки груза в страны СНГ и ЕАЭС необходимо уточнять отдельно у специалистов нашей компании.
