|
Поставщик
|
Contrastech |
|
Типы изделий
|
объективы |
|
Тип сенсора
|
CMOS |
|
Разрешение
|
5 Мп |
|
Габаритные размеры
|
Ø36 × 44.7 мм |
|
Фокусное расстояние объектива
|
6 мм |
|
Рабочее расстояние
|
0.1 м |
|
Типы объектива
|
для матричных камер |
|
Числовая апертура
|
f/1.8 |
|
Крепление
|
C-Mount |
|
Применение объектива
|
машинное зрение |
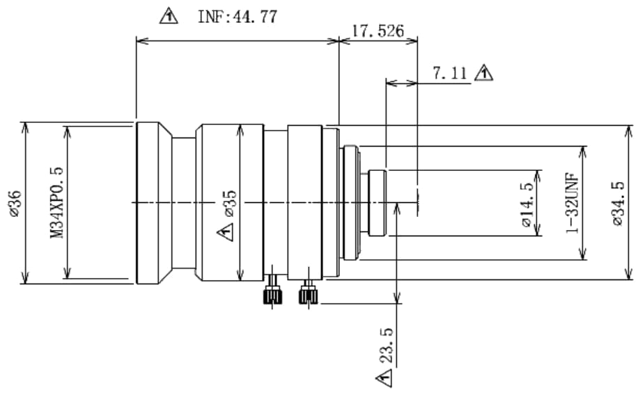
Объектив VT-LEM0616MP5 представляет собой оптику профессионального уровня, разработанную для систем машинного зрения, где критически важны высокая геометрическая точность и детализация изображения. Благодаря фокусному расстоянию 6.0 мм и диафрагме F1.8 обеспечивает детализированное изображение с минимальными искажениями (всего 0.54%). Оснащен ручной настройкой диафрагмы и фокуса для тонкой регулировки под конкретные условия. Надежная конструкция C-mount для профессионального применения.
Технические характеристики:
- Разрешение: 5 Мп;
- Формат сенсора: 1.8" (оптимальное использование площади матрицы);
- Фокусное расстояние: 6.0 мм;
- Диафрагма: F1.8 (ручная регулировка);
- Рабочее расстояние: от 0.1 м (100 мм);
- Поле зрение (для формата 1.8"): Диагональное 71.7°, горизонтальное 60.1°, вертикальное 48.6°;
- Дисторсия: 0.54%;
- Фланцевое расстояние: 17.526 мм (стандарт C-mount);
- Задний отрезок: 7.94 м;
- Общая длина объектива: 62.296 мм;
- Спектральный диапазон просветляющего покрытия: 400 – 950 нм;
- Крепление: C-mount;
- Размер резьбы для фильтров: M34×0.5;
- Эффективные диаметры: Передний Ø21.56 мм, задний Ø10 мм;
- Габаритные размеры: Максимальный диаметр 36 мм, длина 44.7 мм (без учета крепежной резьбы);
- Рабочий диапазон температур: от -10°C до +50°C;
- Диапазон температур хранения: от -20°C до +60°C.
Преимущества:
- Высокая точность: Разрешение 5 Мп и экстремально низкая дисторсия 0.54% для прецизионных измерений;
- Диафрагма F1.8 для работы в условиях слабого освещения и получения яркого изображения;
- Универсальный угол обзора: Диагональное поле зрения 71.7° — баланс между охватом площади и детализацией;
- Гибкая настройка: Ручные кольца диафрагмы и фокусировки для точной калибровки;
- Профессиональное крепление: Стандартный C-mount (фланцевое расстояние 17.526 мм) для совместимости с промышленными камерами;
- Расширенный спектральный диапазон: Покрытие 400-950 нм для работы в видимом и ближнем ИК-свете.
Области применения:
- Прецизионный контроль в электронной промышленности: Инспекция пайки BGA, контроль печатных плат;
- Оптическое распознавание и верификация: Высокоточное считывание микрошлифов, проверка серийных номеров, распознавание текста на мелких деталях;
- Автоматизированное измерение: Контроль геометрических параметров механических деталей, измерение зазоров;
- Научная и лабораторная аппаратура: Простая микроскопия, системы визуализации в исследовательских установках;
- Контроль упаковки: Проверка целостности упаковки, контроль наличия этикеток и маркировок на небольших объектах.
Габаритные размеры:

Оплата продукции производится по безналичному расчету на основании счета либо договора поставки. Компания АЗИМУТ ФОТОНИКС принимает участие в конкурсных торгах (электронных аукционах) на выполнение заказов от бюджетных организаций. Для бюджетных организаций предусмотрена работа с частичной предоплатой в рамках договоров по ФЗ.
Доставка оборудования и компонентов во все регионы России осуществляется транспортными компаниями (Major Express, Гарантпост, СДЭК) с обязательным соблюдением требований к транспортировке и хранению, также возможен самовывоз из нашего офиса в Москве. Условия отправки груза в страны СНГ и ЕАЭС необходимо уточнять отдельно у специалистов нашей компании.
