|
Поставщик
|
Contrastech |
|
Типы изделий
|
объективы |
|
Тип сенсора
|
CMOS, CCD |
|
Разрешение
|
5 Мп |
|
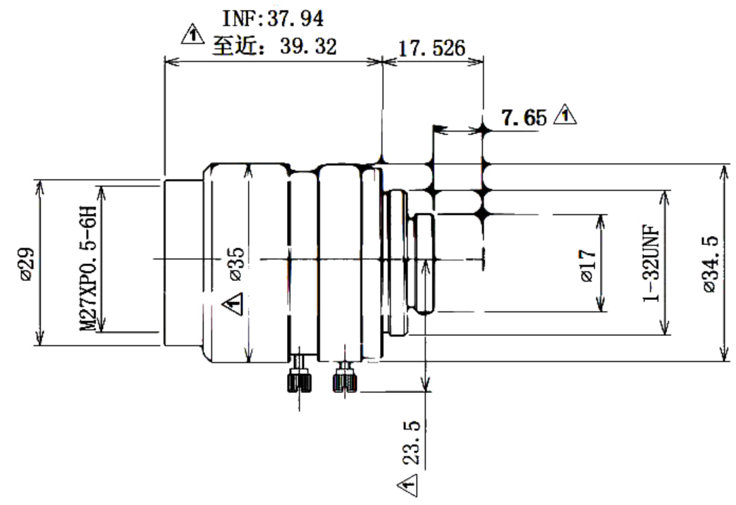
Габаритные размеры
|
Ø29 x 37.94 мм |
|
Фокусное расстояние объектива
|
8 мм |
|
Рабочее расстояние
|
0.1 м |
|
Типы объектива
|
для матричных камер |
|
Числовая апертура
|
f/1.8 |
|
Крепление
|
C-Mount |
|
Применение объектива
|
машинное зрение |
Объектив VT-LEM0814MP5 представляет собой высококлассное оптическое решение, разработанное для систем машинного зрения, где критически важна максимальная геометрическая верность изображения. Его отличительная черта — рекордно низкий уровень дисторсии, составляющий всего -0.29% (подушкообразная), что позволяет использовать объектив в качестве измерительного инструмента для прецизионных задач. Сочетание разрешения 5 Мп, диафрагмы F1.8 и ручной настройки делает его универсальным для лабораторных и промышленных применений.
Технические характеристики:
- Разрешение: 5 Мп;
- Формат сенсора: 1/1.8" CCD/CMOS;
- Фокусное расстояние: 8.0 мм;
- Диафрагма: F1.8 (ручная регулировка);
- Рабочее расстояние: от 0.1 м;
- Поле зрение (для формата 1/1.8"): Диагональное 56°, горизонтальное 46°, вертикальное 35.5°;
- Дисторсия: -0.29% (минимальная);
- Фланцевое расстояние: 17.52 мм (стандарт C-mount);
- Задний отрезок: 8.91 мм;
- Общая длина объектива: 53.28 мм;
- Спектральный диапазон покрытия: 400 – 950 нм;
- Крепление: C-mount;
- Размер резьбы для фильтров: M34 × 0.5;
- Эффективные диаметры: Передний Ø18.2 мм, задний Ø9 мм;
- Габаритные размеры: Ø 29x37.94 мм;
- Рабочий диапазон температур: от -10°C до +50°C;
- Диапазон температур хранения: от -20°C до +60°C.
Преимущества:
- Эталонная геометрическая точность: Отрицательная дисторзия всего -0.29% для метрологических применений;
- Высокая детализация: Разрешение 5 Мп на сенсоре 1/1.8";
- Диафрагма F1.8 для работы в условиях недостаточного освещения;
- Универсальный угол: Поле зрения 56° — баланс между детализацией и охватом;
- Профессиональное управление: Ручные кольца настройки для точной калибровки.
Области применения:
- Прецизионная метрология: Измерение геометрических параметров деталей (отверстий, расстояний, углов);
- Контроль в микроэлектронике: Инспекция печатных плат (PCB), контроль пайки, измерение шага выводов микросхем;
- Оптическое распознавание и верификация: Высокоточное считывание микрошлифов (DPM), проверка шрифтов и логотипов (OCV), распознавание текста;
- Научная и лабораторная микроскопия: Использование в качестве объектива для стереомикроскопов или макросистем для исследований и контроля;
- Автоматизация производства: Точное позиционирование инструментов и роботов, контроль сборки прецизионных узлов.
Габаритные размеры:

Оплата продукции производится по безналичному расчету на основании счета либо договора поставки. Компания АЗИМУТ ФОТОНИКС принимает участие в конкурсных торгах (электронных аукционах) на выполнение заказов от бюджетных организаций. Для бюджетных организаций предусмотрена работа с частичной предоплатой в рамках договоров по ФЗ.
Доставка оборудования и компонентов во все регионы России осуществляется транспортными компаниями (Major Express, Гарантпост, СДЭК) с обязательным соблюдением требований к транспортировке и хранению, также возможен самовывоз из нашего офиса в Москве. Условия отправки груза в страны СНГ и ЕАЭС необходимо уточнять отдельно у специалистов нашей компании.
