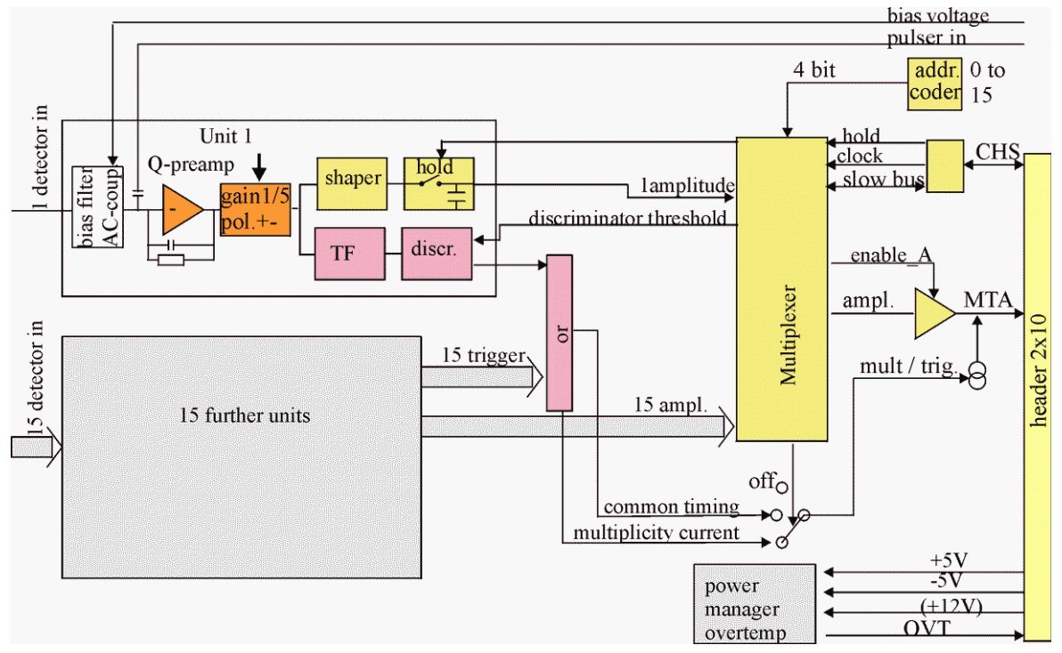
Все больше и больше экспериментов в ядерной физике и физике элементарных частиц требуют детекторов с более высоким позиционным разрешением и увеличенными размерами. Это означает, что требуется больше каналов усилителей, каскадов фильтров и АЦП, обеспечивающих высокое качество сигнала, при меньших затратах на канал. Наиболее эффективным подходом к снижению затрат является раннее мультиплексирование во входной электронике, расположенной рядом с детектором. Исходя из требований к обработке аналоговых сигналов, самый ранний этап временного мультиплексирования находится непосредственно за усилителями-формирователями.
Один из методов временного мультиплексирования состоит в том, чтобы сохранять отдельные амплитуды в виде заряда в конденсаторе, переключать их на линию шины один канал за другим и оцифровывать их с помощью АЦП в модуле CAMAC или VME. Таким образом можно оцифровать несколько сотен каналов с минимальным количеством кабелей и только с одним АЦП. Многие подходы были реализованы с использованием монолитных интегральных схем, но для многих приложений качество сигнала (амплитудное разрешение, линейность, смещение, дрейф смещения, низкий уровень шума при высокой входной энергетический диапазон) недостаточны. Кроме того, доступные дигитайзеры не обеспечивают высокого разрешения с низкой дифференциальной нелинейностью (АЦП со скользящей шкалой), что необходимо для приложений спектроскопии.
Внедренные предусилители должны быть маломощными для работы в вакууме, а специальная версия должна подходить также для детекторов большой емкости до 2 нФ (типично для больших и тонких детекторов с потерями энергии). Это обеспечит отличный тайминг, а некоторые типы позволят создавать множественные выборочные триггеры.
Схема
Оплата продукции производится по безналичному расчету на основании счета либо договора поставки. Компания АЗИМУТ ФОТОНИКС принимает участие в конкурсных торгах (электронных аукционах) на выполнение заказов от бюджетных организаций. Для бюджетных организаций предусмотрена работа с частичной предоплатой в рамках договоров по ФЗ.
Доставка оборудования и компонентов во все регионы России осуществляется транспортными компаниями (Major Express, Гарантпост, СДЭК) с обязательным соблюдением требований к транспортировке и хранению, также возможен самовывоз из нашего офиса в Москве. Условия отправки груза в страны СНГ и ЕАЭС необходимо уточнять отдельно у специалистов нашей компании.
