Серия mesytec MPR-LOG представляет собой новый тип модулей многоканальных предусилителей, которые специально разработаны для приложений, где требуется очень быстрое восстановление после больших сигналов и точная спектроскопия очень слабых сигналов. Обычно они используются для считывания показаний детектора с кремниевой полоской. Типичным применением является спектроскопия распада после имплантации тяжелого иона в кремниевый детектор. Серия MPR лучше всего сочетается с формирующим/синхронизирующим фильтром/модулем дискриминатора mesytec MSCF-16.
Особенности:
- 16 / 32 / 64-канальный компактный модуль;
- Переключатель чувствительности, линейный 2.5/10 МэВ;
- Восстанавливается в пределах 15 мкс от сигналов 3 ГэВ;
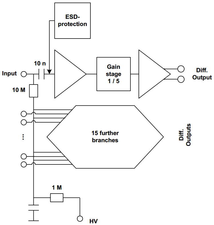
- Входная защита от электростатического разряда;
- Дифференциальный выход 100 Ом или MPR-16L с выходными разъемами Lemo;
- Импульсный вход;
- Напряжение смещения до ±400 В;
- Модуль печатной платы доступен для использования в вакууме.
Схема
Оплата продукции производится по безналичному расчету на основании счета либо договора поставки. Компания АЗИМУТ ФОТОНИКС принимает участие в конкурсных торгах (электронных аукционах) на выполнение заказов от бюджетных организаций. Для бюджетных организаций предусмотрена работа с частичной предоплатой в рамках договоров по ФЗ.
Доставка оборудования и компонентов во все регионы России осуществляется транспортными компаниями (Major Express, Гарантпост, СДЭК) с обязательным соблюдением требований к транспортировке и хранению, также возможен самовывоз из нашего офиса в Москве. Условия отправки груза в страны СНГ и ЕАЭС необходимо уточнять отдельно у специалистов нашей компании.
