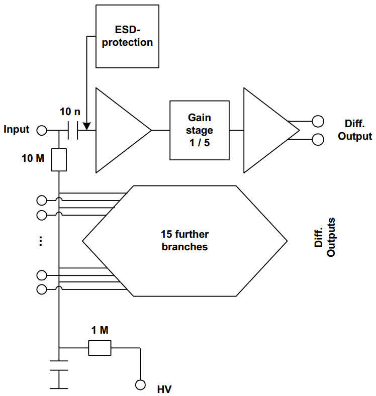
mesytec MPR-16-Series предлагает набор современных многоканальных модулей предусилителя, специально разработанных для одно- или двусторонних многополосных кремниевых детекторов. Серия MPR может использоваться как автономные модули, а также может быть легко объединена с модулем формирователя/синхронизирующего фильтра/дискриминатора mesytec MSCF-16.
Особенности:
- 16 / 32 / 64-канальный компактный модуль;
- Переключатель чувствительности, множитель 5;
- Входная защита от электростатического разряда;
- Дифференциальный выход 100 Ом или MPR-16L с выходными разъемами Lemo;
- Импульсный вход;
- Напряжение смещения до ±400 В;
- Модуль печатной платы доступен для использования в вакууме.
Схема
Оплата продукции производится по безналичному расчету на основании счета либо договора поставки. Компания АЗИМУТ ФОТОНИКС принимает участие в конкурсных торгах (электронных аукционах) на выполнение заказов от бюджетных организаций. Для бюджетных организаций предусмотрена работа с частичной предоплатой в рамках договоров по ФЗ.
Доставка оборудования и компонентов во все регионы России осуществляется транспортными компаниями (Major Express, Гарантпост, СДЭК) с обязательным соблюдением требований к транспортировке и хранению, также возможен самовывоз из нашего офиса в Москве. Условия отправки груза в страны СНГ и ЕАЭС необходимо уточнять отдельно у специалистов нашей компании.
