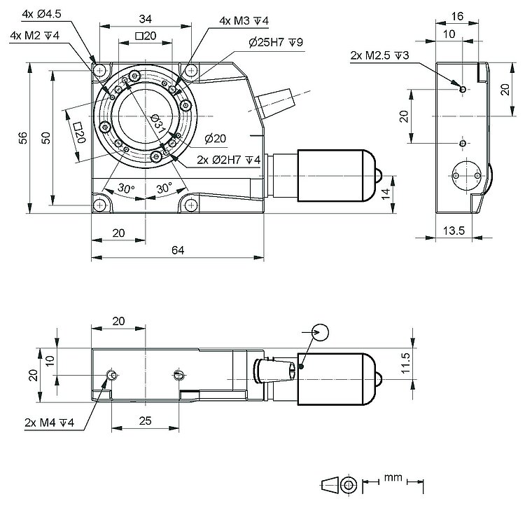
Поворотные платформы серии RS-40 очень компактны, имеют апертуру диаметром 20 мм. Диаметр для крепежа нагрузки составляет 25 мм. В платформе используется червячная передача с практически нулевым люфтом. Прецизионная механика позволяет платформе достичь высокой равномерности и точности перемещения. В RS-40 используются 2-х фазные шаговые двигатели или DC-двигатели с редуктором. Для модели с DC- двигателем максимальная нагрузка составляет 2 кг, для модели с 2-х фазным шаговым двигателем – 1 кг. Крутящий момент для всех модификаций составляет 0.2 Н·м. Все поворотные платформы серии RS-40 оснащены датчиками нулевого положения.
Технические характеристики:
|
Характеристика |
RS-40 | |
|
Диапазон перемещения, ° |
360 | |
|
Плоскопараллельность, мкм |
± 5 | |
|
Эксцентриситет, мкм |
± 5 | |
|
Биения, мкрад |
± 35 | |
|
Масса, кг |
0.4 | |
|
Тип двигателя |
DC-B-009 |
2Phase-010 |
|
Макс. скорость, °/с |
7 |
5 |
|
Разрешение (расчетное), ° |
0.00003* |
0.002196** |
|
Разрешение (стандартное), ° |
0.005 |
0.005 |
|
Точность двунаправленного повторного позиционирования, ° |
± 0.04 |
± 0.04 |
|
Точность однонаправленного повторного позиционирования, ° |
0.005 |
0.005 |
|
Номинальный ток, А |
0.16 |
0.25 |
|
Диапазон напряжений, В |
12 |
- |
|
Передаточное число червячной передачи |
90 : 1 | |
|
Точность |
По запросу | |
|
Диапазон изменения скорости, °/с |
От 0.002 до 7 | |
|
Материал |
Нержавеющая сталь, алюминий, латунь | |
* С угловым энкодером;
** В режиме полного шага.

Направления осей
Нагрузочные характеристики:
|
Нагрузка |
FX, Н |
Fz, Н |
MX, Н·м |
MZ, Н·м |
k÷xZ, мкрад/(Н·м) |
|
DC-B-009 |
10 |
10 |
2 |
0.2 |
20 |
|
2Phase-010 |
5 |
5 |
1 |
0.2 |
10 |
Оплата продукции производится по безналичному расчету на основании счета либо договора поставки. Компания АЗИМУТ ФОТОНИКС принимает участие в конкурсных торгах (электронных аукционах) на выполнение заказов от бюджетных организаций. Для бюджетных организаций предусмотрена работа с частичной предоплатой в рамках договоров по ФЗ.
Доставка оборудования и компонентов во все регионы России осуществляется транспортными компаниями (Major Express, Гарантпост, СДЭК) с обязательным соблюдением требований к транспортировке и хранению, также возможен самовывоз из нашего офиса в Москве. Условия отправки груза в страны СНГ и ЕАЭС необходимо уточнять отдельно у специалистов нашей компании.
