|
Поставщик
|
Contrastech |
|
Типы изделий
|
объективы |
|
Разрешение
|
16К |
|
Габаритные размеры
|
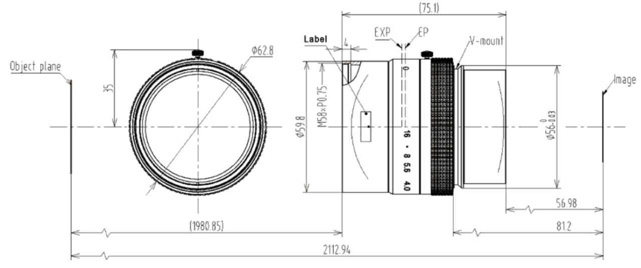
Ø62,8 × 75,1 мм |
|
Фокусное расстояние объектива
|
95 мм |
|
Рабочее расстояние
|
1980,85 мм |
|
Типы объектива
|
для линейных камер |
|
Числовая апертура
|
f/4 |
|
Крепление
|
F-Mount, V-Mount, M42, M58 |
|
Применение объектива
|
машинное зрение |
|
Увеличение, х
|
0,05 |
VTL-9540-0.05X — промышленный объектив серии Line Scan, предназначенный для систем машинного зрения с линейными камерами крупного формата. Модель разработана для задач высокоточного контроля и измерений, где требуется максимальная равномерность изображения, минимальные оптические искажения и стабильная работа на больших рабочих дистанциях.
Объектив поддерживает сенсоры формата до 66 мм и обеспечивает разрешение до 16K / 3,5–7 мкм на пиксель, что делает его оптимальным решением для инспекции крупногабаритных и протяжённых объектов. Оптическое увеличение 0,05х позволяет охватывать широкую зону сканирования, а сверхнизкая дисторсия (≤ 0,005 %) обеспечивает высокую точность передачи геометрии.
Оптическое покрытие рассчитано на работу в диапазоне 400–950 нм, что позволяет использовать объектив с различными типами подсветки, включая видимый и ближний инфракрасный диапазон. Ручная фокусировка и диафрагма обеспечивают точную настройку параметров под конкретные условия эксплуатации.
Преимущества:
- Оптимизирован для line-scan камер крупного формата;
- Поддержка сенсоров до 66 мм;
- Сверхвысокая разрешающая способность (до 16K);
- Оптическое увеличение 0,05х для широкого поля обзора;
- Минимальные геометрические искажения (≤ 0,005 %);
- Работа в диапазоне VIS + NIR (400–950 нм);
- Ручная регулировка фокуса и диафрагмы;
- Возможность смены крепления (V-Mount / M42 / M58 / F-Mount).
Области применения:
- Системы машинного зрения;
- Измерительные и метрологические комплексы;
- Конвейерный контроль качества крупногабаритной продукции;
- Инспекция печати, покрытий и поверхностей;
- Контроль рулонных, листовых и протяжённых материалов;
- Сканирование широких зон и длинных объектов;
- OEM-интеграция в промышленные камеры и системы.
Технические характеристики:
- Фокусное расстояние: 95 мм;
- Диафрагма: F4.0;
- Разрешение: до 16K / 3,5–7 мкм;
- Поддерживаемый формат сенсора: до 66 мм;
- Оптическое увеличение: 0,05х;
- Рабочая дистанция: 1980,85 мм;
- Конъюгированное расстояние: 2112,94 мм;
- TTL (полная оптическая длина): 132 мм;
- Дисторсия: ≤ 0,005 %;
- Спектральный диапазон: 400–950 нм;
- Фокусировка: ручная;
- Диафрагма: ручная;
- Крепление: V-Mount;
- Возможность смены крепления: M42 / M58 / F-Mount;
- Габариты: Ø62,8 × 75,1 мм;
- Встроенный IR-фильтр: нет;
- Фильтр: не предусмотрен;
- Рабочая температура: −10…+50 °C;
- Температура хранения: −20…+60 °C.
Габаритные размеры:
Оплата продукции производится по безналичному расчету на основании счета либо договора поставки. Компания АЗИМУТ ФОТОНИКС принимает участие в конкурсных торгах (электронных аукционах) на выполнение заказов от бюджетных организаций. Для бюджетных организаций предусмотрена работа с частичной предоплатой в рамках договоров по ФЗ.
Доставка оборудования и компонентов во все регионы России осуществляется транспортными компаниями (Major Express, Гарантпост, СДЭК) с обязательным соблюдением требований к транспортировке и хранению, также возможен самовывоз из нашего офиса в Москве. Условия отправки груза в страны СНГ и ЕАЭС необходимо уточнять отдельно у специалистов нашей компании.
