|
Поставщик
|
Contrastech |
|
Типы изделий
|
объективы |
|
Разрешение
|
29 Мп |
|
Крепление
|
F-Mount |
|
Габаритные размеры
|
⌀69 × 67.6 мм |
|
Фокусное расстояние объектива
|
35 мм |
|
Рабочее расстояние
|
46.5 мм |
|
Типы объектива
|
крупноформатный |
|
Применение объектива
|
машинное зрение |
|
Числовая апертура
|
f/2.8 |
|
Увеличение, х
|
0.01 –0.1 |
Объектив серии Large Format VT-LEMF3528MP29 разработан для профессиональных камер с крупными сенсорами, где критически важны высокая детализация, широкий спектральный диапазон. Сочетая в себе качество, превосходящее объективы системных зеркальных камер, и экономическую эффективность, он является оптимальным выбором для сложных промышленных и измерительных приложений.
Преимущества:
- Рекордное разрешение: Поддерживает камеры с разрешением до 29 мегапикселей и размером пикселя от 5 мкм, обеспечивая исключительную детализацию изображения;
- Сверхширокий спектральный диапазон: Просветляющее покрытие оптимизировано для работы в диапазоне от 400 до 950 нм, включая ближний ИК-спектр, что расширяет возможности применения;
- Числовая апертура F2.8 позволяет эффективно работать в условиях недостаточной освещённости и сокращать время выдержки;
- Построение изображения превосходит по параметрам стандартные объективы SLR-камер, что гарантирует минимальные аберрации и высокий контраст;
- Универсальность и ценовая эффективность: Гибкий диапазон увеличений (0.01x–0.1x) и крепление F-mount делают объектив экономически выгодным решением для широкого спектра задач.
Технические характеристики:
- Разрешение: 29 Мп;
- Размер изображения: 45.3 мм;
- Фокусное расстояние: 35.0 мм;
- Диафрагма: F2.8;
- Диапазон увеличений: 0.01x – 0.1x;
- Стандартное увеличение: 0.03x;
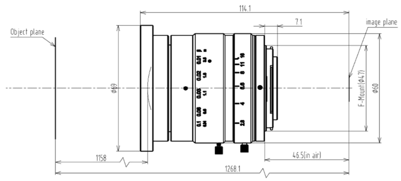
- Рабочий отрезок: 46.5 мм;
- Минимальная дистанция фокусировки: 0.4 м;
- Поле зрения: Диагональ 65°, Горизонталь 7°, Вертикаль 7°;
- Оптические искажения: < 0.5%;
- Габарит по оптической оси: 114.1 мм;
- Диапазон просветляющего покрытия: 400–950 нм;
- Тип крепления: F-mount;
- Размер резьбы под светофильтр: M67 × 0.75;
- Эффективная апертура (передняя/задняя): ⌀ 12.2 мм;
- Габаритные размеры (Ø × Длина): ⌀69 × 67.6 мм;
- Диапазон рабочих температур: от -10°C до +50°C;
- Диапазон температур хранения: от -20°C до +60°C.
Области применения:
- Высокоточная макроскопия и контроль микроэлектронных компонентов (чипы, платы);
- Дистанционное зондирование с БПЛА;
- Промышленная метрология и 3D-сканирование высокого разрешения;
- Научные исследования и разработки (спектроскопия, лабораторный анализ);
- Создание цифровых архивов произведений искусства и документов.
Габаритные размеры:

Оплата продукции производится по безналичному расчету на основании счета либо договора поставки. Компания АЗИМУТ ФОТОНИКС принимает участие в конкурсных торгах (электронных аукционах) на выполнение заказов от бюджетных организаций. Для бюджетных организаций предусмотрена работа с частичной предоплатой в рамках договоров по ФЗ.
Доставка оборудования и компонентов во все регионы России осуществляется транспортными компаниями (Major Express, Гарантпост, СДЭК) с обязательным соблюдением требований к транспортировке и хранению, также возможен самовывоз из нашего офиса в Москве. Условия отправки груза в страны СНГ и ЕАЭС необходимо уточнять отдельно у специалистов нашей компании.
