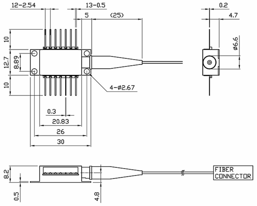
Серия PL-FP-1064 представляет собой одномодовый лазерный диод, предназначенный для оптических измерений и коммуникаций. Источник имеет стандартный корпус 14-pin «бабочка» с встроенным фотодиодом и термоэлектрическим охладителем (TEC).
Особенности:- Оптическая выходная мощность: 100 мВт; - Коннектор FC/APC; - Корпус 14-pin «бабочка»; - Непрерывный или импульсный режим - работы; - Встроенные фотодиод и TEC; - Оптический вывод SM или PM (Ø0.9 мм). |
Применения:- Спектральный анализ; - Лазерная интерферометрия; - Лазерное зондирование. |
Технические характеристики:
|
Параметр |
Мин. |
Тип. |
Макс. |
Ед. измерения |
|
Центральная длина волны |
1063 |
1064 |
1065 |
нм |
|
Спектральная ширина |
0.1 |
0.5 |
2.0 |
нм |
|
Пороговый ток |
- |
30 |
40 |
мА |
|
Рабочий ток |
- |
200 |
300 |
мА |
|
Выходная оптическая мощность |
50 |
70 |
100 |
мВт |
|
Темновой ток ФД (VRD = 5 В) |
- |
- |
0.1 |
мкА |
|
ER (для PM версии) |
17 |
20 |
- |
дБ |
|
Тип волокна |
HI1060 |
- |
||
|
Прямое напряжение |
- |
1.8 |
2.5 |
В |
|
Тип коннектора |
FC/APC |
|||
|
Ток TEC |
- |
1.2 |
1.4 |
А |
Оплата продукции производится по безналичному расчету на основании счета либо договора поставки. Компания АЗИМУТ ФОТОНИКС принимает участие в конкурсных торгах (электронных аукционах) на выполнение заказов от бюджетных организаций. Для бюджетных организаций предусмотрена работа с частичной предоплатой в рамках договоров по ФЗ.
Доставка оборудования и компонентов во все регионы России осуществляется транспортными компаниями (Major Express, Гарантпост, СДЭК) с обязательным соблюдением требований к транспортировке и хранению, также возможен самовывоз из нашего офиса в Москве. Условия отправки груза в страны СНГ и ЕАЭС необходимо уточнять отдельно у специалистов нашей компании.
