|
Поставщик
|
Contrastech |
|
Типы изделий
|
камеры |
|
Тип сенсора
|
CMOS |
|
В наличии
|
На складе |
|
Частота кадров
|
40 к/с |
|
Тип матрицы
|
цветная |
|
Размер пикселя
|
5,86 x 5,86 мкм |
|
Интерфейс
|
GigE |
|
Габаритные размеры
|
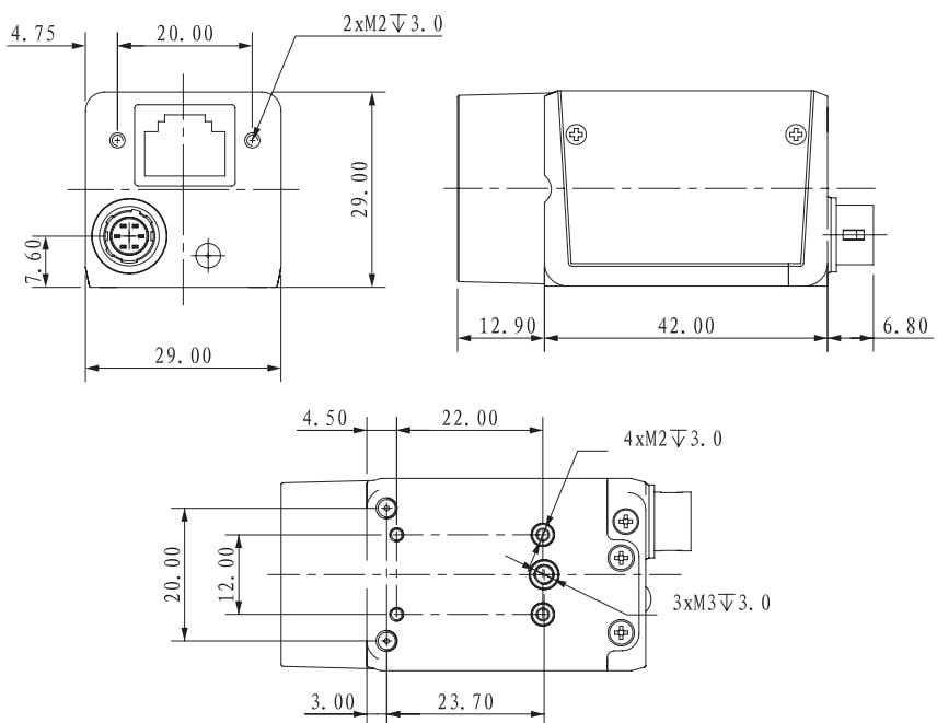
42 x 29 x 29 мм |
|
Динамический диапазон (тип.)
|
60,0 дБ |
|
Вес
|
0,088 кг |
|
Разрешение
|
1920 х 1200 |
Характеристики:
- GigE Vision (стандарт интерфейса камеры);
- 2.3 мегапикселя при 39 кадрах в секунду;
- Использует интерфейс GigE и обеспечивает максимальное расстояние передачи 100 метров без ретранслятора;
- Совместимость с GigE Vision Protocol, стандартом GenlCam и сторонним программным обеспечением, основанным на этих протоколе и стандарте;
- Поддержка Windows, Linux;
- 64 МБ локальной памяти для пакетной передачи и повторной передачи.
Области применения:
- Обнаружение дефектов;
- Обнаружение дефектов поверхности;
- Визуальное позиционирование;
- Измерение размеров;
- Чтение QR-кодов;
- VR/AR (виртуальная/дополненная реальность);
- Логистика.
Графики:
Первый график (верхний) показывает общую спектральную чувствительность.
Второй график (нижний) разделяет чувствительность по цветовым каналам: Blue (синий), Green (зеленый), Red (красный).

Размеры:

Оплата продукции производится по безналичному расчету на основании счета либо договора поставки. Компания АЗИМУТ ФОТОНИКС принимает участие в конкурсных торгах (электронных аукционах) на выполнение заказов от бюджетных организаций. Для бюджетных организаций предусмотрена работа с частичной предоплатой в рамках договоров по ФЗ.
Доставка оборудования и компонентов во все регионы России осуществляется транспортными компаниями (Major Express, Гарантпост, СДЭК) с обязательным соблюдением требований к транспортировке и хранению, также возможен самовывоз из нашего офиса в Москве. Условия отправки груза в страны СНГ и ЕАЭС необходимо уточнять отдельно у специалистов нашей компании.
