Компания АЗИМУТ ФОТОНИКС предлагает гониометры c одним кругом от компании Huber Diffraction. Гониометры представлены в стандартной и вакуумной конфигурации.
- Четыре прецизионные конфигурации;
- Две конфигурации под нагрузку.
Специальные версии:
- Подходит для вакуума;
- Немагнитная;
- С защитой от излучения;
- В черном варианте.
Индивидуальная модульная настройка:
- От базовой модели до high-end системы;
- К многоосевым системам;
- С индивидуальным передаточным отверстием;
- С шаблоном отверстий по индивидуальному заказу.
Технические характеристики:
|
Параметр |
Значение |
|
Диапазон хода (°) |
360 |
|
Материал (корпус/червячная передача): |
Алюминий/бронза |
|
Передаточное число |
360:1 |
|
Разрешение (°) |
0.001 * 0.0005 (мин.) |
|
Мин. крутящий момент (Нм) |
1.5 |
|
Макс. выходной крутящий момент (Нм) |
100 |
|
Жесткость (мкрад/Нм) |
0.1 |
|
Вес (кг) |
55 |
|
Размер фланца (мм) |
82 |
|
Передаточное отверстие (мм) |
260 (стандарт) |
* Шаговый двигатель, 1000 шагов/оборот.
Конфигурации точности:
|
Параметр |
Значение |
||||
|
X1 |
X2 |
X3 |
XE |
||
|
Точность (") |
≤ |
35 |
20 |
12 |
По запросу |
|
Повторяемость (однонаправленная) (") |
≤ |
4 |
2 |
2 |
По запросу |
|
Ошибка реверсирования (") |
≤ |
8 |
4 |
3 |
По запросу |
|
Эксцентриситет (мкм) |
≤ |
5 |
3 |
2 |
2 |
|
Биение (") |
≤ |
6 |
2 |
2 |
2 |
Конфигурации нагрузки:
|
Параметр |
Значение |
|
|
Вертикальная ось |
Горизонтальная ось |
|
|
W1: Макс. нагрузка (Н) |
6650 |
2000 |
|
W2: Макс. нагрузка (Н) |
11300 |
3300 |
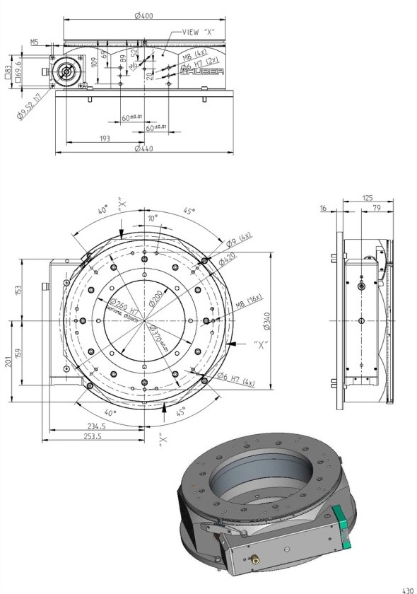
Габариты:
Оплата продукции производится по безналичному расчету на основании счета либо договора поставки. Компания АЗИМУТ ФОТОНИКС принимает участие в конкурсных торгах (электронных аукционах) на выполнение заказов от бюджетных организаций. Для бюджетных организаций предусмотрена работа с частичной предоплатой в рамках договоров по ФЗ.
Доставка оборудования и компонентов во все регионы России осуществляется транспортными компаниями (Major Express, Гарантпост, СДЭК) с обязательным соблюдением требований к транспортировке и хранению, также возможен самовывоз из нашего офиса в Москве. Условия отправки груза в страны СНГ и ЕАЭС необходимо уточнять отдельно у специалистов нашей компании.
