Компания АЗИМУТ ФОТОНИКС предлагает гониометры c 2 кругами от компании Huber Diffraction. Гониометры представлены в стандартной и вакуумной конфигурации.
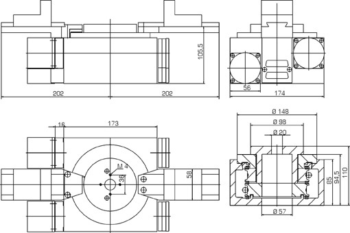
Благодаря своей компактной конструкции 2-круговой гониометр 423 идеально подходит для приложений в ограниченном пространстве.
Оба круговых движения независимы друг от друга. Нижний круг оснащен 2-тета-манипулятором с призменной направляющей и кареткой.
Сбоку на корпусе верхнего круга установлена дополнительная призматическая направляющая с кареткой.
- Четыре прецизионные конфигурации;
- Две конфигурации под нагрузку.
Специальные версии:
- Подходит для вакуума;
- Немагнитная;
- С защитой от излучения;
- В черном варианте.
Технические характеристики:
|
Параметр |
Значение |
|
Диапазон хода (°) |
360 |
|
Материал (корпус/червячная передача): |
Алюминий/бронза |
|
Передаточное число |
360:1 |
|
Разрешение (°) |
0.001 * |
|
Мин. крутящий момент (Нм) |
0.2 |
|
Вес (кг) |
12 |
|
Размер фланца (мм) |
56 |
|
Жесткость (мкрад/Нм) |
6 |
|
Макс. нагрузка (Н): |
|
|
Тета |
1500 |
|
2-тета |
50 |
* Шаговый двигатель, 1000 шагов/оборот.
Конфигурации точности:
|
Параметр |
Значение |
|
|
Точность (") |
≤ |
30 |
|
Повторяемость (однонаправленная) (") |
≤ |
2 |
|
Ошибка реверсирования (") |
≤ |
10 |
|
Эксцентриситет (мкм) |
≤ |
3 |
|
Биение (") |
≤ |
5 |
Габариты:
Оплата продукции производится по безналичному расчету на основании счета либо договора поставки. Компания АЗИМУТ ФОТОНИКС принимает участие в конкурсных торгах (электронных аукционах) на выполнение заказов от бюджетных организаций. Для бюджетных организаций предусмотрена работа с частичной предоплатой в рамках договоров по ФЗ.
Доставка оборудования и компонентов во все регионы России осуществляется транспортными компаниями (Major Express, Гарантпост, СДЭК) с обязательным соблюдением требований к транспортировке и хранению, также возможен самовывоз из нашего офиса в Москве. Условия отправки груза в страны СНГ и ЕАЭС необходимо уточнять отдельно у специалистов нашей компании.
