Компания АЗИМУТ ФОТОНИКС предлагает гониометры c 2 кругами от компании Huber Diffraction. Гониометры представлены в стандартной и вакуумной конфигурации.
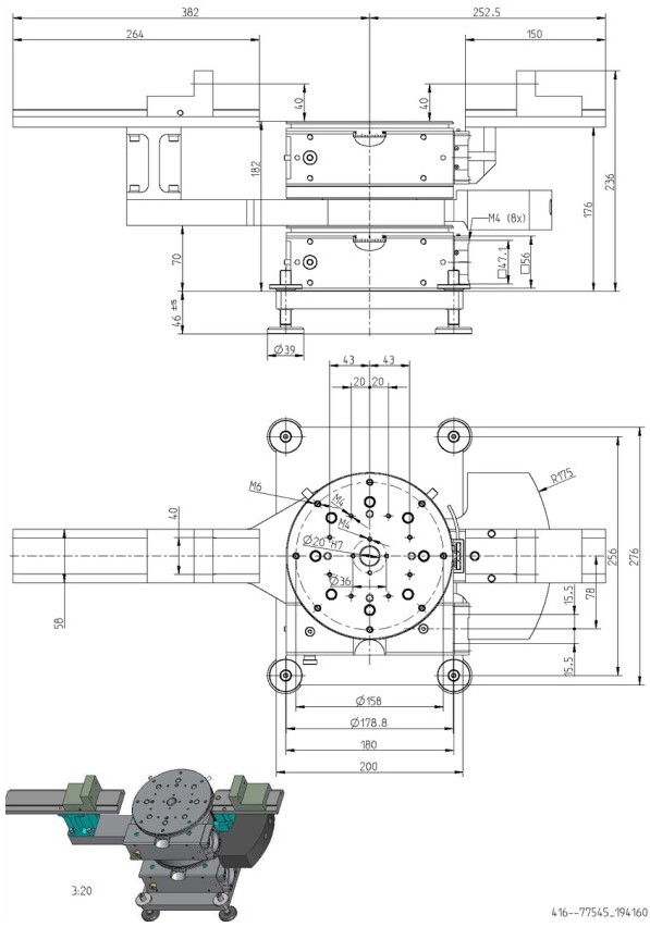
Система 416 представляет собой комбинацию двух 1-круговых гониометров 411 или 411А. Оба круговых движения независимы друг от друга.
Верхний круг оснащен 2-тета-манипулятором с призменной направляющей и кареткой.
Сбоку на корпусе верхнего круга установлена дополнительная призматическая направляющая с кареткой.
- Четыре прецизионные конфигурации;
- Две конфигурации под нагрузку.
Специальные версии:
- Подходит для вакуума;
- Немагнитная;
- С защитой от излучения;
- В черном варианте.
Технические характеристики:
|
Параметр |
Значение |
|
Диапазон хода (°) |
360 |
|
Материал (корпус/червячная передача): |
Алюминий/бронза |
|
Передаточное число |
360:1 / 180:1 |
|
Разрешение (°) |
0.001 / 0.002 * ** |
|
Мин. крутящий момент (Нм) |
0.40 / 0.45 * |
|
Вес (кг) |
20 |
|
Размер фланца (мм) |
56 |
* Значения относительно 2-кругового гониометра 416A;
** Шаговый двигатель, 1000 шагов/оборот.
Конфигурации точности:
|
Параметр |
Значение |
||||
|
X1 |
X2 |
X3 |
XE |
||
|
Точность (") |
≤ |
40 |
30 |
15 |
По запросу |
|
Повторяемость (однонаправленная) (") |
≤ |
4 |
2 |
2 |
По запросу |
|
Ошибка реверсирования (") |
≤ |
20 |
8 |
7 |
По запросу |
|
Эксцентриситет (мкм) |
≤ |
5 |
3 |
2 |
2 |
|
Биение (") |
≤ |
8 |
4 |
3 |
3 |
Конфигурации нагрузки:
|
Параметр |
Значение |
|
Вертикальная ось |
|
|
W1: Макс. нагрузка (Н) |
1800 |
|
W2: Макс. нагрузка (Н) |
3100 |
- Вертикальная ось гониометра (V-W1, V-W2)
- Горизонтальная ось гониометра (H-W1, H-W2)
- Максимальная нагрузка на плечо 2-тета зависит от расстояния (импульса).
Габариты:
Оплата продукции производится по безналичному расчету на основании счета либо договора поставки. Компания АЗИМУТ ФОТОНИКС принимает участие в конкурсных торгах (электронных аукционах) на выполнение заказов от бюджетных организаций. Для бюджетных организаций предусмотрена работа с частичной предоплатой в рамках договоров по ФЗ.
Доставка оборудования и компонентов во все регионы России осуществляется транспортными компаниями (Major Express, Гарантпост, СДЭК) с обязательным соблюдением требований к транспортировке и хранению, также возможен самовывоз из нашего офиса в Москве. Условия отправки груза в страны СНГ и ЕАЭС необходимо уточнять отдельно у специалистов нашей компании.
