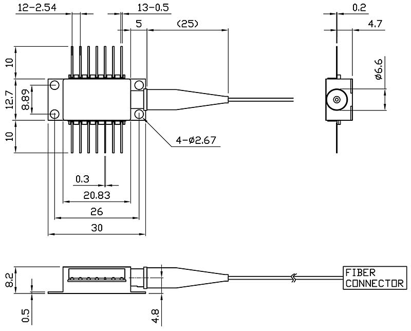
Серия DFB лазерных диодов PL-DFB-1572 от LD-PD с центральной длиной волны 1572 нм. DFB чип лазерного диода упакован в стандартный герметичный корпус 14-pin "бабочка" со встроенными TEC и PD.
Применения:
- Диодно-лазерная абсорбционная спектроскопия (TDLAS);
- Мониторинг CO2.
Технические характеристики:
|
Параметр |
Мин. |
Тип. |
Макс. |
Ед. измерения |
|
Центральная длина волы |
1571.5 |
1572 |
1572.5 |
нм |
|
SMSR |
30 |
40 |
- |
дБ |
|
Пороговый ток |
- |
20 |
30 |
мА |
|
Рабочий ток |
- |
80 |
120 |
мА |
|
Выходная мощность |
10 |
15 |
30 |
мВт |
|
Квантовая эффективность |
0.08 |
0.12 |
- |
мВт/мА |
|
Коэффициент перестройки током |
- |
0.015 |
- |
нм/мА |
|
Коэффициент перестройки температурой |
- |
0.12 |
- |
нм/К |
|
Прямое напряжение |
- |
1.3 |
2 |
В |
|
Сопротивление термистора |
9.5 |
10 |
10.5 |
кОм |
|
Температурный коэффициент термистора |
- |
-4.4 |
- |
%/С |
|
Тип волокна |
SM, PM |
- | ||
|
Ток TEC |
- |
- |
1.2 |
А |
Оплата продукции производится по безналичному расчету на основании счета либо договора поставки. Компания АЗИМУТ ФОТОНИКС принимает участие в конкурсных торгах (электронных аукционах) на выполнение заказов от бюджетных организаций. Для бюджетных организаций предусмотрена работа с частичной предоплатой в рамках договоров по ФЗ.
Доставка оборудования и компонентов во все регионы России осуществляется транспортными компаниями (Major Express, Гарантпост, СДЭК) с обязательным соблюдением требований к транспортировке и хранению, также возможен самовывоз из нашего офиса в Москве. Условия отправки груза в страны СНГ и ЕАЭС необходимо уточнять отдельно у специалистов нашей компании.
