VIGO Photonics 4EF-5 – это многополосный четырехканальный детекторный модуль для среднего ИК диапазона, 3.34 мкм (CH1), 4.26 мкм (CH2), 4.47 мкм (CH3) и 4.71 мкм. Термоэлектрический охлаждаемый фотоэлектрический матричный детектор 2 × 2 на основе гетероструктуры InAsSb интегрирован с четырехканальным трансимпедансным предусилителем и контроллером термоэлектрического охлаждения. В этом модуле используются четыре полосовых фильтра с центральной длиной волны: CH4. 4EF-5 подходит для обнаружения обычных газов.
Особенности:- Встроенный контроллер TEC; - Легкая сборка; - Совместим с оптическими аксессуарами; - Другие фильтры доступны по запросу.
|
Применения:- Обнаружение газов: CH4 (метан) C2H6 (этан) CO2 (двуокись углерода) N2O (закись азота) CO (окись углерода); - Обнаружение пламени; - Контроль процесса горения; - Обнаружение взрывчатых веществ; - Анализ выхлопных газов.
|

Спектральный отклик (Ta = 20 °C)
Технические характеристики:
|
Параметр |
Значение | |||
|
Канал 1 (CH1) |
Канал 2 (CH2) |
Канал 3 (CH3) |
Канал 4 (CH4) | |
|
Оптические параметры | ||||
|
Центральная длина волны, мкм |
3.34 |
4.26 |
4.47 |
4.71 |
|
Пропускание фильтра, нм |
130±20 |
180±20 |
80±20 |
100±20 |
|
Обнаружительная способность см⋅Гц1/2/Вт
|
≥2.4×109 |
≥2.4×109 |
≥2.3×109 |
≥2.0×109 |
|
Параметры электроники | ||||
|
Чувствительность по напряжению Rv (RL = 1 МОм*), В / Вт |
≥1.4×104 |
≥1.4×104 |
≥1.4×104 |
≥1.1×104 |
|
Низкая частота среза flo, Гц |
Постоянный ток | |||
|
Высокая частота среза fhi, кГц |
100 |
100 |
100 |
100 |
|
Выходное сопротивление Rout, Ом |
50 |
50 |
50 |
50 |
|
Размах выходного напряжения Vout (R = 1 МОм*), В |
1 |
1 |
1 |
1 |
|
Смещение выходного напряжения Voff, мВ |
Макс. ±20 |
Макс. ±20 |
Макс. ±20 |
Макс. ±20 |
|
Напряжение питания модуля детектирования Вsup, Вdc |
±5.0 | |||
|
Напряжение питания контроллера TEC, В |
+5.0 | |||
|
Потребляемая мощность, Вт |
5 | |||
|
Другая информация | ||||
|
Материал активных элементов |
Эпитаксиальная гетероструктура InAsSb | |||
|
Активные области A, мм × мм |
4×(1×1) | |||
|
Шаг активной области, мм |
4.5 | |||
|
Угол приема одиночного элемента, Φ |
~36° |
~36° |
~36° |
~36° |
|
Температура окружающей среды при эксплуатации Ta, °C |
От +10 до +30 | |||
|
Контроллер ТЕС |
Встроенный | |||
|
Разъем ввода-вывода |
WR-MM (разъем) SMT 690367281676 | |||
* RL – сопротивление нагрузки

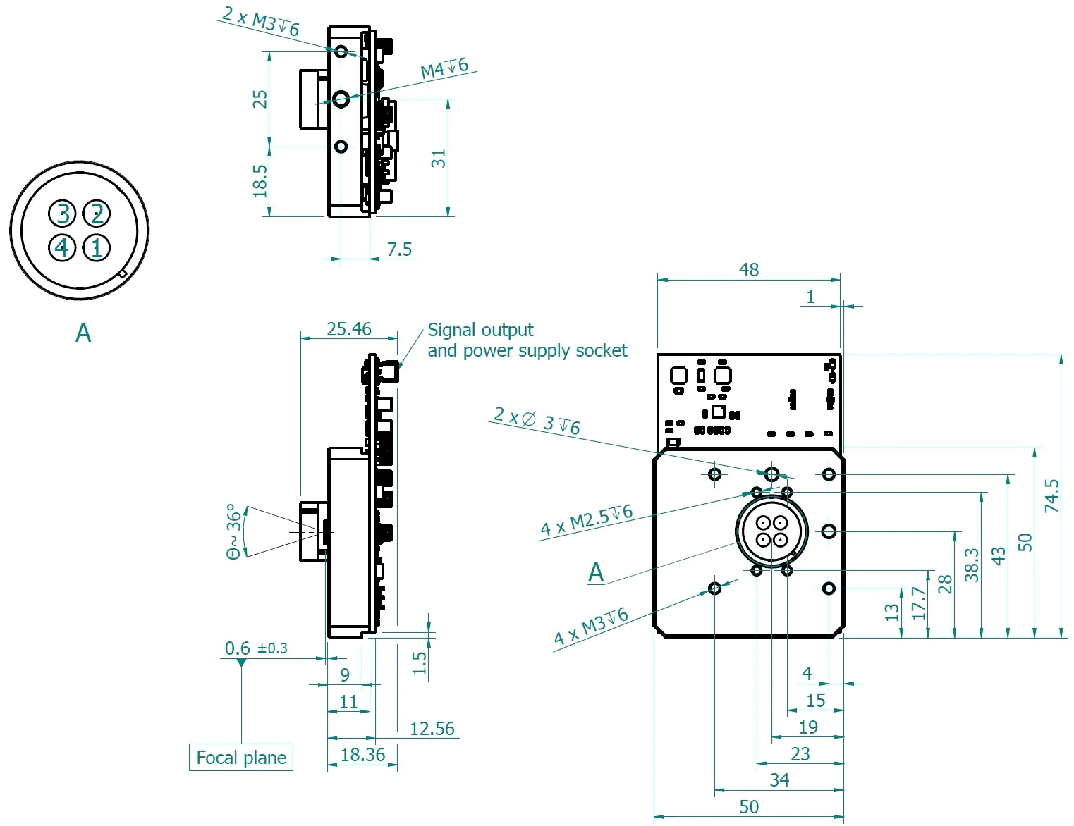
Чертеж
Оплата продукции производится по безналичному расчету на основании счета либо договора поставки. Компания АЗИМУТ ФОТОНИКС принимает участие в конкурсных торгах (электронных аукционах) на выполнение заказов от бюджетных организаций. Для бюджетных организаций предусмотрена работа с частичной предоплатой в рамках договоров по ФЗ.
Доставка оборудования и компонентов во все регионы России осуществляется транспортными компаниями (Major Express, Гарантпост, СДЭК) с обязательным соблюдением требований к транспортировке и хранению, также возможен самовывоз из нашего офиса в Москве. Условия отправки груза в страны СНГ и ЕАЭС необходимо уточнять отдельно у специалистов нашей компании.
