|
Поставщик
|
Contrastech |
|
Типы изделий
|
объективы |
|
Вес
|
5.7 кг |
|
Рабочее расстояние
|
300 ±5 мм |
|
Типы объектива
|
телецентрические |
|
Числовая апертура
|
F/4.2 |
|
Крепление
|
C-Mount |
|
Применение объектива
|
машинное зрение |
|
Увеличение, х
|
0,048 |
Би-телецентрический объектив с увеличением 0.048x и полем зрения Ø150 мм обеспечивает высокую точность измерений при компактных габаритах. Предназначен для работы с камерами формата от 1/2.5" до 1.1".
Преимущества:
- Сбалансированные параметры: Поле зрения 150 мм идеально подходит для контроля большинства промышленных деталей;
- Максимальная точность: Би-телецентричность (<0.1°) и дисторсия <0.1% гарантируют метрологическую корректность;
- Высокое разрешение: Поддержка высокопиксельных камер;
- Легкая интеграция: Компактные размеры и вес 5.7 кг упрощают монтаж в существующие системы.
Технические характеристики:
- Увеличение: 0.048x;
- Поле зрения: Ø150 мм;
- Рабочее расстояние: 300 ±5 мм;
- Максимальный размер сенсора: Ø7.2 мм (1/2.5");
- Диафрагма (F/#): F4.2;
- Глубина резкости: ±190 мм (@F11);
- Дисторсия: < 0.1%;
- Телецентричность: < 0.1°;
- Расстояние объект-изображение: 627 ±5 мм;
- Крепление: C-mount;
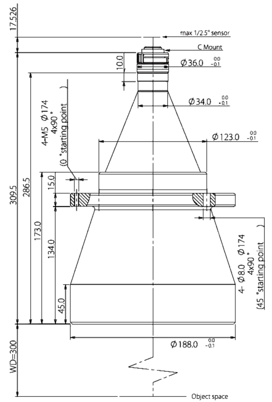
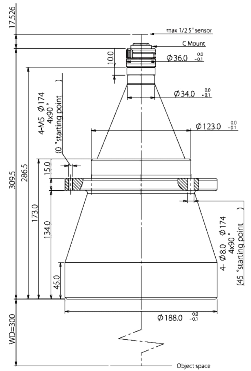
- Длина оптической системы: 309.5 мм;
- Вес: 5.7 кг;
- Температурный диапазон: Работа от -10°C до +50°C, хранение от -20°C до +60°C;
Области применения:
- Контроль электронных компонентов: Точные измерения BGA-компонентов, разъемов и микросхем;
- Инспекция прецизионных механических деталей;
- Измерение в приборостроении: Калибровка и контроль размеров деталей приборов и датчиков;
- Контроль качества ювелирных изделий и часовых механизмов;
- Научные исследования и разработки: Лабораторные измерения и анализ материалов в исследовательских целях.
Габаритные размеры:

Оплата продукции производится по безналичному расчету на основании счета либо договора поставки. Компания АЗИМУТ ФОТОНИКС принимает участие в конкурсных торгах (электронных аукционах) на выполнение заказов от бюджетных организаций. Для бюджетных организаций предусмотрена работа с частичной предоплатой в рамках договоров по ФЗ.
Доставка оборудования и компонентов во все регионы России осуществляется транспортными компаниями (Major Express, Гарантпост, СДЭК) с обязательным соблюдением требований к транспортировке и хранению, также возможен самовывоз из нашего офиса в Москве. Условия отправки груза в страны СНГ и ЕАЭС необходимо уточнять отдельно у специалистов нашей компании.
