|
Поставщик
|
Contrastech |
|
Типы изделий
|
объективы |
|
Вес
|
19.1 кг |
|
Рабочее расстояние
|
410 ±6 мм |
|
Типы объектива
|
телецентрические |
|
Числовая апертура
|
F/4.2 |
|
Крепление
|
C-Mount |
|
Применение объектива
|
машинное зрение |
|
Увеличение, х
|
0,03 |
Профессиональная оптика для контроля крупных объектов. Би-телецентрический объектив с увеличением 0.030x и полем зрения Ø240 мм. Оптимизирован для высокоточных измерений геометрических параметров плоских деталей большого формата с использованием камер от 1/2.5" до 1.1". Гарантирует минимальные искажения и высочайшую повторяемость результатов.
Преимущества:
- Большое поле зрения: Диаметр 240 мм для контроля крупногабаритных изделий;
- Высокая точность: Би-телецентричность (<0.1°) и низкая дисторсия (<0.1%) обеспечивают геометрическую корректность измерений;
- Отличная разрешающая способность: Поддержка высокопиксельных камер;
- Большая глубина резкости: ±489 мм при диафрагме F11 для работы с объектами, имеющими неровности поверхности;
- Компактная конструкция: При сохранении высоких характеристик имеет оптимизированные габариты и вес.
Технические характеристики:
- Увеличение: 0.030x;
- Поле зрения: Ø240 мм;
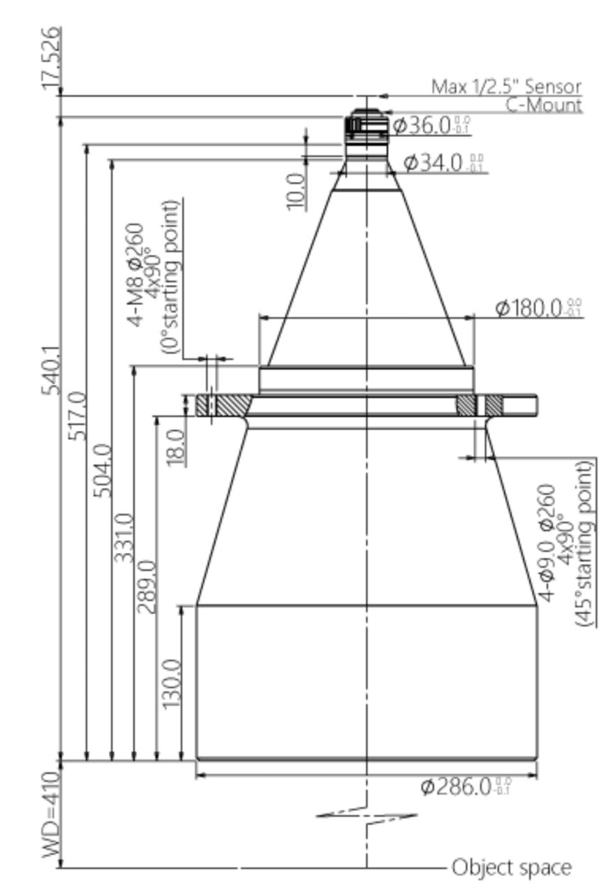
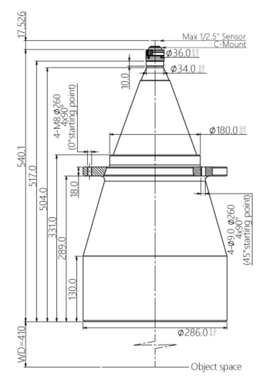
- Рабочее расстояние: 410 ±6 мм;
- Макс. размер сенсора: Ø7.2 мм (1/2.5");
- Диафрагма (F/#): F4.2;
- Глубина резкости: ±489 мм (@F11);
- Дисторсия: < 0.1%;
- Телецентричность: < 0.1°;
- Расстояние объект-изображение: 968 ±6 мм;
- Крепление: C-mount;
- Длина оптической системы: 540.1 мм;
- Вес: 19.1 кг;
- Температурный диапазон: Работа от -10°C до +50°C, хранение от -20°C до +60°C.
Области применения:
- Контроль крупных металлических и композитных панелей: Прецизионные измерения габаритов и геометрии;
- Инспекция печатных плат большого формата: Контроль целостности дорожек и расположения компонентов;
- Измерение в прецизионном машиностроении: Калибровка шаблонов, пресс-форм и крупных механических компонентов;
- Контроль качества дисплеев и стекла: Проверка размеров и дефектов больших LCD/LED-панелей и стеклянных изделий;
- Научные исследования и метрология: Визуализация и анализ больших плоских образцов с требованием высокой геометрической точности.
Габаритные размеры:

Оплата продукции производится по безналичному расчету на основании счета либо договора поставки. Компания АЗИМУТ ФОТОНИКС принимает участие в конкурсных торгах (электронных аукционах) на выполнение заказов от бюджетных организаций. Для бюджетных организаций предусмотрена работа с частичной предоплатой в рамках договоров по ФЗ.
Доставка оборудования и компонентов во все регионы России осуществляется транспортными компаниями (Major Express, Гарантпост, СДЭК) с обязательным соблюдением требований к транспортировке и хранению, также возможен самовывоз из нашего офиса в Москве. Условия отправки груза в страны СНГ и ЕАЭС необходимо уточнять отдельно у специалистов нашей компании.
