|
Поставщик
|
Contrastech |
|
Типы изделий
|
объективы |
|
Вес
|
9.6 кг |
|
Рабочее расстояние
|
330 ±5 мм |
|
Типы объектива
|
телецентрические |
|
Числовая апертура
|
F/4.2 |
|
Крепление
|
C-Mount |
|
Применение объектива
|
машинное зрение |
|
Увеличение, х
|
0,038 |
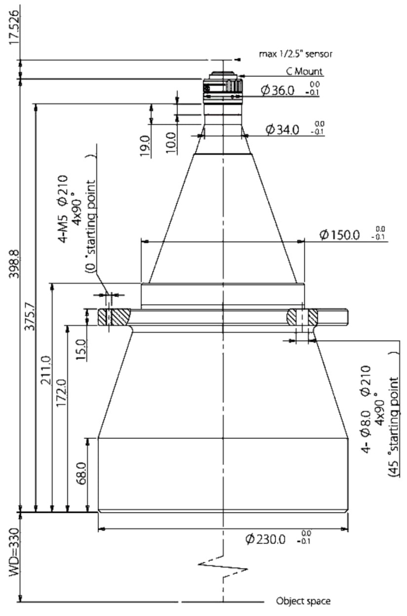
Би-телецентрический объектив с увеличением 0.038x и полем зрения Ø190 мм. Создан для высокоточного контроля геометрии плоских объектов среднего размера с использованием камер формата от 1/2.5" до 1.1". Обеспечивает исключительную геометрическую точность и повторяемость измерений.
Преимущества:
- Оптимальное поле зрения: Диаметр 190 мм идеален для контроля деталей среднего формата;
- Высокая точность измерений: Би-телецентричность (<0.1°) и минимальная дисторсия (<0.1%);
- Высокая разрешающая способность: Поддержка камер с высокой плотностью пикселей;
- Компактность и удобство: Уменьшенные габариты и вес (9.6 кг) упрощают интеграцию в измерительные системы.
Технические характеристики:
- Увеличение: 0.038x;
- Поле зрения: Ø190 мм;
- Рабочее расстояние: 330 ±5 мм;
- Макс. размер сенсора: Ø7.2 мм (1/2.5");
- Диафрагма (F/#): F4.2;
- Глубина резкости: ±306 мм (@F11);
- Дисторсия: < 0.1%;
- Телецентричность: < 0.1°;
- Расстояние объект-изображение: 746 ±5 мм;
- Крепление: C-mount;
- Длина оптической системы: 398.8 мм;
- Вес: 9.6 кг;
- Температурный диапазон: Работа от -10°C до +50°C, хранение от -20°C до +60°C.
Области применения:
- Контроль печатных плат;
- Инспекция прецизионных металлических деталей;
- Измерение в электронной промышленности;
- Контроль качества мелкой оптики и стекла;
- Лабораторная метрология и научные исследования.
Габаритные размеры:

Оплата продукции производится по безналичному расчету на основании счета либо договора поставки. Компания АЗИМУТ ФОТОНИКС принимает участие в конкурсных торгах (электронных аукционах) на выполнение заказов от бюджетных организаций. Для бюджетных организаций предусмотрена работа с частичной предоплатой в рамках договоров по ФЗ.
Доставка оборудования и компонентов во все регионы России осуществляется транспортными компаниями (Major Express, Гарантпост, СДЭК) с обязательным соблюдением требований к транспортировке и хранению, также возможен самовывоз из нашего офиса в Москве. Условия отправки груза в страны СНГ и ЕАЭС необходимо уточнять отдельно у специалистов нашей компании.
