|
Поставщик
|
Contrastech |
|
Типы изделий
|
объективы |
|
Вес
|
4.2 кг |
|
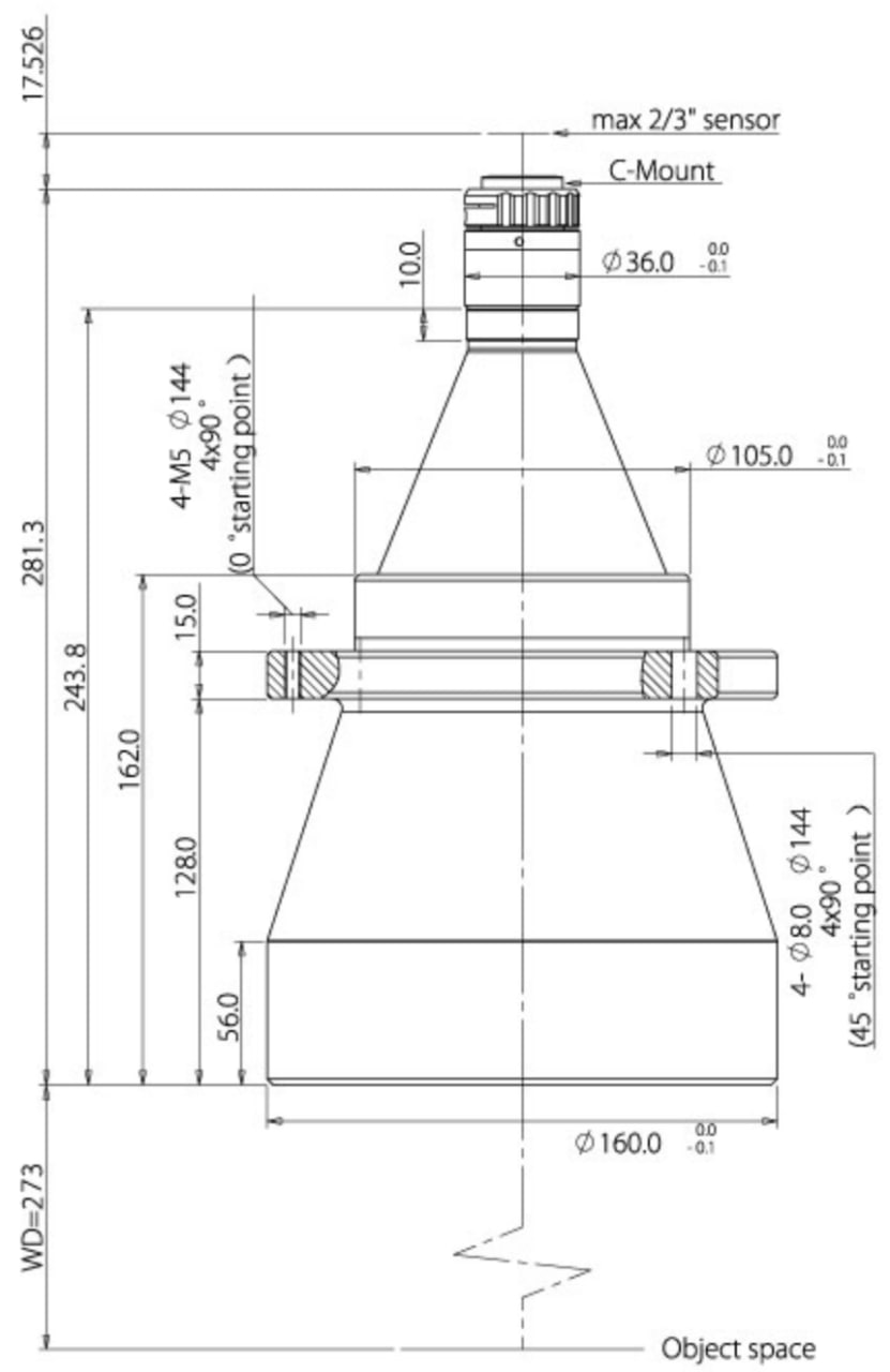
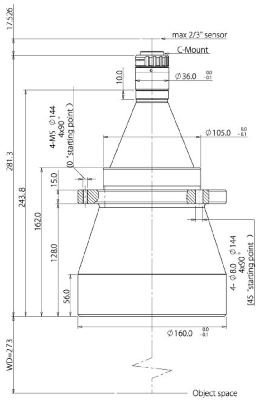
Рабочее расстояние
|
273 ±5 мм |
|
Типы объектива
|
телецентрические |
|
Числовая апертура
|
F/4.9 |
|
Крепление
|
C-Mount |
|
Применение объектива
|
машинное зрение |
|
Увеличение, х
|
0,095 |
Объектив BTL-0.095X-280-23(LM) разработан для задач, где важны высокая плотность деталей на изображении и бескомпромиссная геометрическая точность. Он создан для работы с профессиональными C-Mount камерами, оснащёнными сенсором 2/3", он обеспечивает превосходное разрешение и идеальную телецентричность для контроля небольших и средних прецизионных объектов.
Преимущества:
- Максимальная детализация на крупном сенсоре: Использование сенсора 2/3" (11.4 мм) позволяет добиться исключительной чёткости и широкого динамического диапазона, раскрывая потенциал высокопиксельных камер;
- Идеальный баланс увеличения и охвата: Увеличение 0.095x и поле зрения 120 мм оптимальны для детального анализа объектов, где необходимо рассмотреть как общий вид, так и мельчайшие элементы;
- Абсолютная точность измерений: Би-телецентрическая конструкция гарантирует искажения менее 0.1% и отклонение лучей менее 0.1°, что обеспечивает неизменность масштаба по всему полю зрения;
- Эргономичная конструкция: Небольшие габариты и малый вес (4.2 кг) делают объектив манёвренным и простым в интеграции даже в стеснённые производственные пространства;
- Готовность к сложным условиям: Широкий рабочий температурный диапазон и прочный корпус обеспечивают надёжность в условиях цеха.
Технические характеристики:
- Оптическое увеличение: 0.095x;
- Рабочее расстояние: 273 ±5 мм;
- Поле зрения: ⌀ 120 мм;
- Максимальный размер сенсора: ⌀ 11.4 мм (формат 2/3");
- Диафрагменное число: F4.9;
- Разрешающая способность: >185 пар линий/мм;
- Глубина резкости: ±48.7 мм (при F11);
- Оптические искажения: < 0.1%;
- Телецентричность: < 0.1°;
- Оптическая длина: 572 ±5 мм;
- Тип крепления: C-Mount;
- Длина корпуса: 281.7 мм;
- Эксплуатационная температура: от -10°C до +50°C;
- Температура хранения: от -20°C до +60°C;
- Масса: 4.2 кг.
Области применения:
- Контроль качества микроэлектроники: инспекция пайки BGA-компонентов, целостность дорожек на платах, наличие и маркировка чипов;
- Прецизионная метрология в приборостроении: измерение размеров, зазоров и формы мелких механических деталей;
- Автоматизированный визуальный контроль в фармацевтике и медицине: проверка упаковки, наличия этикеток, целостности изделий;
- Научные исследования и разработки: задачи, требующие высокоточной визуализации и анализа геометрических параметров;
- Роботизированные сборочные и измерительные комплексы: встроенный контроль на промежуточных этапах производства.
Габаритные размеры:

Оплата продукции производится по безналичному расчету на основании счета либо договора поставки. Компания АЗИМУТ ФОТОНИКС принимает участие в конкурсных торгах (электронных аукционах) на выполнение заказов от бюджетных организаций. Для бюджетных организаций предусмотрена работа с частичной предоплатой в рамках договоров по ФЗ.
Доставка оборудования и компонентов во все регионы России осуществляется транспортными компаниями (Major Express, Гарантпост, СДЭК) с обязательным соблюдением требований к транспортировке и хранению, также возможен самовывоз из нашего офиса в Москве. Условия отправки груза в страны СНГ и ЕАЭС необходимо уточнять отдельно у специалистов нашей компании.
