|
Поставщик
|
Contrastech |
|
Типы изделий
|
объективы |
|
Вес
|
3 кг |
|
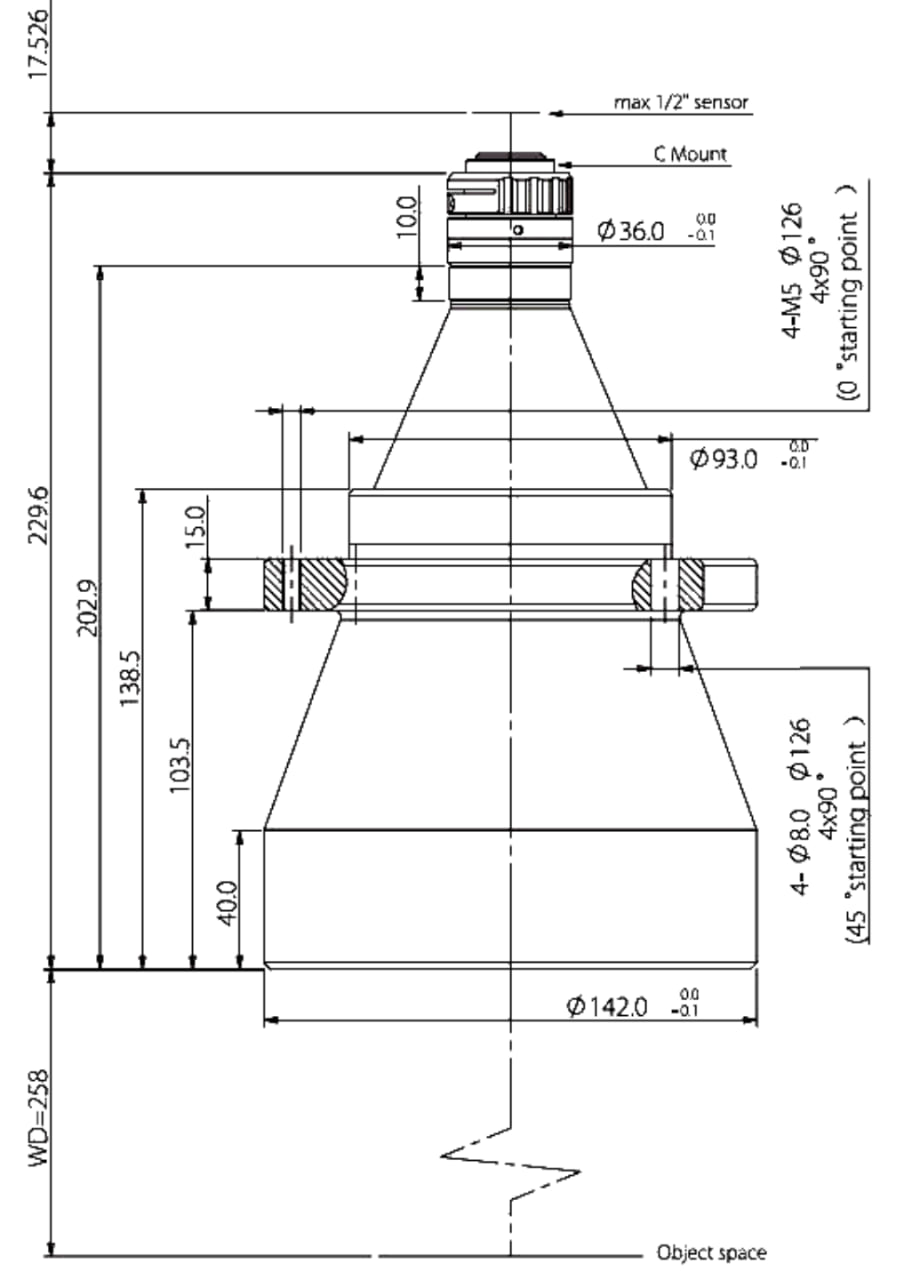
Рабочее расстояние
|
258 ±4 мм |
|
Типы объектива
|
телецентрические |
|
Числовая апертура
|
F/4.2 |
|
Крепление
|
C-Mount |
|
Применение объектива
|
машинное зрение |
|
Увеличение, х
|
0,08 |
Объектив BTL-0.08X-258-12(LM) представляет собой идеальное решение для систем машинного зрения, где требуется высокая точность измерений при работе с объектами. Благодаря компактным габаритам и малому весу он легко интегрируется в роботизированные комплексы и автоматические линии контроля. Объектив сохраняет все преимущества би-телецентрической оптики: минимальные искажения и эталонную геометрическую точность.
Преимущества:
- Высокая детализация и разрешение для работы с современными камерами;
- Исключительно низкий уровень искажений и высокая телецентричность;
- Компактная и легкая конструкция для удобной интеграции;
- Широкий диапазон рабочих температур для промышленного применения;
- Оптимальное сочетание светосилы и глубины резкости.
Технические характеристики:
- Оптическое увеличение: 0.080x;
- Рабочее расстояние: 258 ±4 мм;
- Поле зрения: 100 мм;
- Максимальный размер сенсора: 8.0 мм (формат 1/2");
- Диафрагма: F4.2;
- Разрешающая способность: >210 пар линий/мм;
- Глубина резкости: ±68.7 мм (при F11);
- Оптические искажения: <0.1%;
- Телецентричность: <0.1°;
- Оптическая длина: 505 ±4 мм;
- Крепление: C-Mount;
- Длина корпуса: 229.6 мм;
- Рабочая температура: -10°C ... +50°C;
- Температура хранения: -20°C ... +60°C;
- Вес: 3.0 кг.
Области применения:
- Контроль качества электронных компонентов и микросхем;
- Измерение размеров прецизионных деталей в машиностроении;
- Автоматизированная инспекция печатных плат;
- Системы машинного зрения для роботизированного производства;
- Научно-исследовательские и лабораторные измерения.
Габаритные размеры:

Оплата продукции производится по безналичному расчету на основании счета либо договора поставки. Компания АЗИМУТ ФОТОНИКС принимает участие в конкурсных торгах (электронных аукционах) на выполнение заказов от бюджетных организаций. Для бюджетных организаций предусмотрена работа с частичной предоплатой в рамках договоров по ФЗ.
Доставка оборудования и компонентов во все регионы России осуществляется транспортными компаниями (Major Express, Гарантпост, СДЭК) с обязательным соблюдением требований к транспортировке и хранению, также возможен самовывоз из нашего офиса в Москве. Условия отправки груза в страны СНГ и ЕАЭС необходимо уточнять отдельно у специалистов нашей компании.
