|
Поставщик
|
Contrastech |
|
Типы изделий
|
объективы |
|
Вес
|
5.7 кг |
|
Рабочее расстояние
|
300 ±5 мм |
|
Типы объектива
|
телецентрические |
|
Числовая апертура
|
F/4.9 |
|
Крепление
|
C-Mount |
|
Применение объектива
|
машинное зрение |
|
Увеличение, х
|
0,076 |
Би-телецентрический объектив BTL-0.076X-300-23(LM) представляет собой оптимальное сочетание компактной конструкции, удобного рабочего расстояния и превосходного качества изображения для камер с профессиональным сенсором 2/3". Обладая сбалансированным полем зрения 150 мм, он идеально подходит для задач контроля деталей среднего размера, где требуется максимальная детализация и точность измерений в условиях ограниченного пространства.
Преимущества:
- Профессиональная детализация: Совместимость с крупным сенсором 2/3" (11.4 мм) обеспечивает отличное разрешение;
- Компактность и удобство: Один из самых компактных объективов в серии для сенсора 2/3", что упрощает его интеграцию в роботизированные ячейки и автоматические линии;
- Эталонная би-телецентрическая точность: Сохраняет высочайшие стандарты серии;
- Оптимальное рабочее расстояние: Удобное расстояние 300 мм обеспечивает гибкость при настройке системы и размещении освещения;
- Промышленная надежность: Прочный корпус и расширенный температурный диапазон гарантируют стабильную работу.
Технические характеристики:
- Увеличение: 0.076x;
- Рабочее расстояние: 300 ±5 мм;
- Поле зрения: ⌀ 150 мм;
- Макс. размер сенсора: ⌀ 11.4 мм (формат 2/3");
- Диафрагма: F4.9;
- Разрешение: >185 пар линий/мм;
- Глубина резкости: ±76.1 мм (при F11);
- Оптические искажения: < 0.1%;
- Телецентричность: < 0.1°;
- Оптическая длина: 624.5 ±5 мм;
- Крепление: C-Mount;
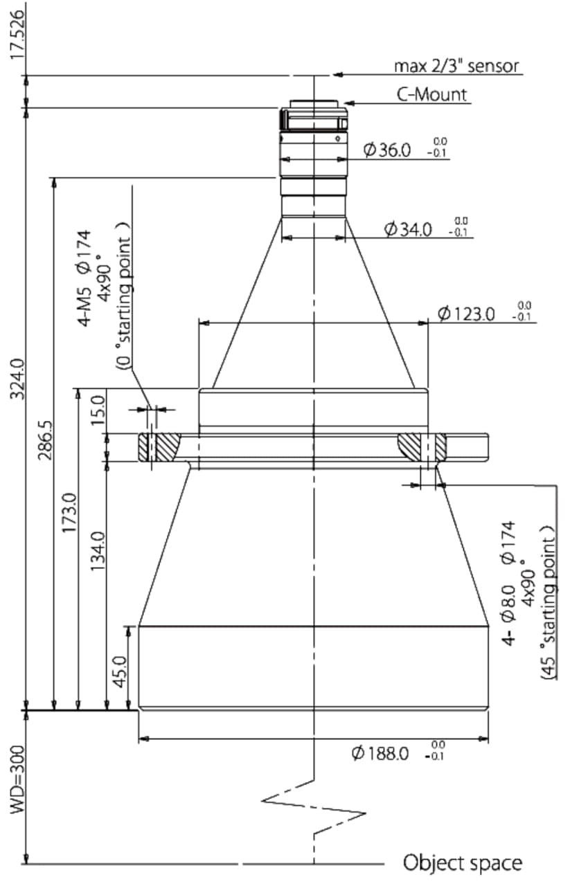
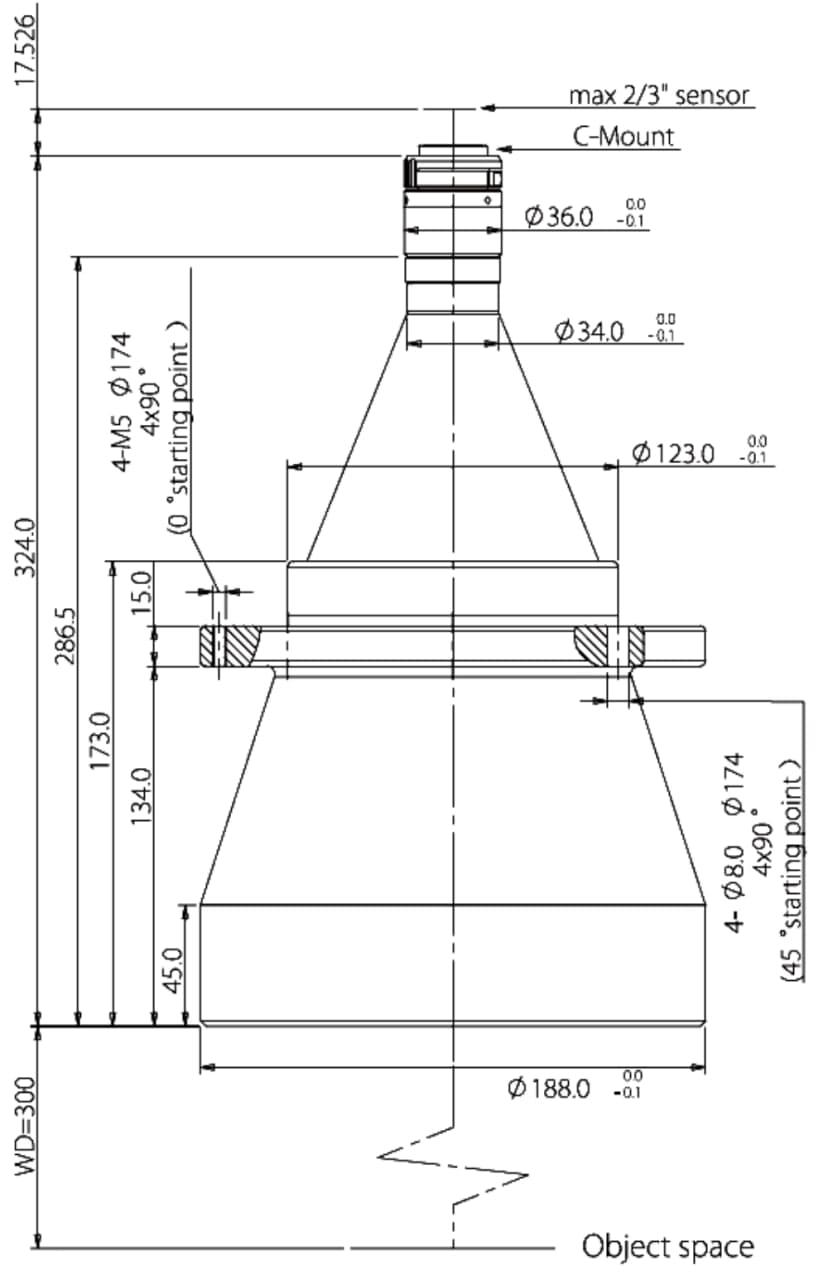
- Длина корпуса: 324.0 мм;
- Рабочая температура: от -10°C до +50°C;
- Температура хранения: от -20°C до +60°C;
- Вес: 5.7 кг.
Области применения:
- Контроль качества и прецизионные измерения в автомобилестроении и аэрокосмической промышленности;
- Автоматизированная инспекция электронных блоков управления, датчиков и прецизионных механизмов;
- Визуальный контроль сборки, наличия меток и правильности позиционирования деталей;
- Задачи машинного зрения для роботизированной сварки, сборки и обработки;
- Научные исследования и лабораторные измерения, требующие высокой геометрической точности.
Габаритные размеры:

Оплата продукции производится по безналичному расчету на основании счета либо договора поставки. Компания АЗИМУТ ФОТОНИКС принимает участие в конкурсных торгах (электронных аукционах) на выполнение заказов от бюджетных организаций. Для бюджетных организаций предусмотрена работа с частичной предоплатой в рамках договоров по ФЗ.
Доставка оборудования и компонентов во все регионы России осуществляется транспортными компаниями (Major Express, Гарантпост, СДЭК) с обязательным соблюдением требований к транспортировке и хранению, также возможен самовывоз из нашего офиса в Москве. Условия отправки груза в страны СНГ и ЕАЭС необходимо уточнять отдельно у специалистов нашей компании.
