|
Поставщик
|
Contrastech |
|
Типы изделий
|
объективы |
|
Вес
|
5.7 кг |
|
Рабочее расстояние
|
300 ±5 мм |
|
Типы объектива
|
телецентрические |
|
Числовая апертура
|
F/4.6 |
|
Крепление
|
C-Mount |
|
Применение объектива
|
машинное зрение |
|
Увеличение, х
|
0,06 |
Объектив BTL-0.06X-300-118(LM) сочетает в себе компактные габариты, удобное рабочее расстояние и полную совместимость с камерами на сенсоре 1/1.8". Обладая полем зрения 150 мм, он обеспечивает высокую детализацию и эталонную геометрическую точность, что делает его одним из самых популярных решений для контроля качества деталей и сборок среднего размера в условиях ограниченного пространства.
Преимущества:
- Идеальный размер: Сбалансированные габариты и вес (5.7 кг) для простой интеграции в стандартные системы машинного зрения;
- Полная совместимость: Оптимизирован для современных C-Mount камер с сенсором 1/1.8" (9.0 мм);
- Высокая информативность: Поле зрения 150 мм обеспечивает оптимальный баланс между охватом и разрешением для детального анализа;
- Эталонная точность: Сохраняет высочайшие стандарты серии: искажения <0.1%, телецентричность <0.1°;
- Универсальность: Подходит как для прецизионных измерений, так и для задач визуального контроля.
Технические характеристики:
- Увеличение: 0.060x;
- Рабочее расстояние: 300 ±5 мм;
- Поле зрения: ⌀ 150 мм;
- Макс. размер сенсора: ⌀ 9.0 мм (формат 1/1.8");
- Диафрагма: F4.6;
- Разрешение: >195 пар линий/мм;
- Глубина резкости: ±122 мм (при F11);
- Оптические искажения: < 0.1%;
- Телецентричность: < 0.1°;
- Оптическая длина: 632 ±5 мм;
- Крепление: C-Mount;
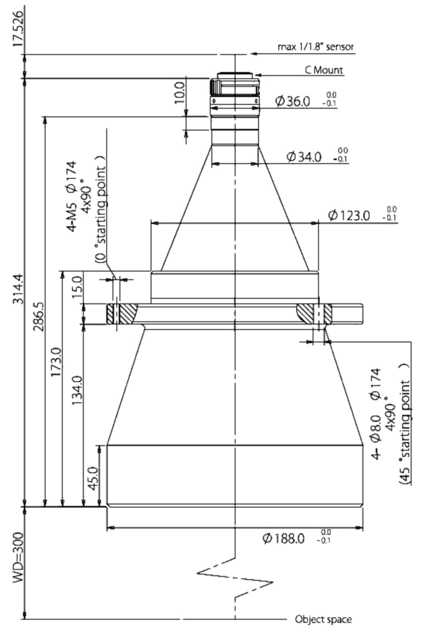
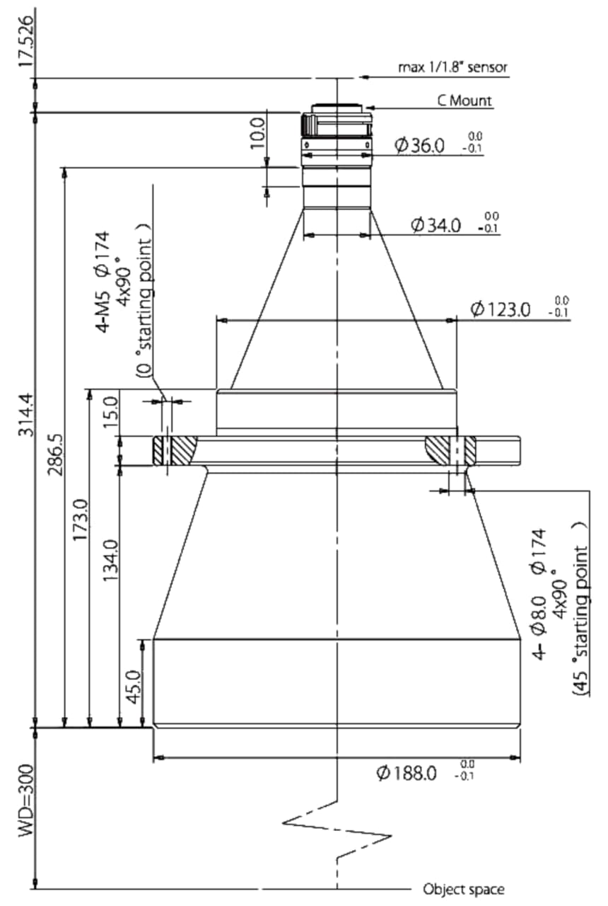
- Длина корпуса: 314.4 мм;
- Рабочая температура: от -10°C до +50°C;
- Температура хранения: от -20°C до +60°C;
- Вес: 5.7 кг.
Области применения:
- Контроль качества сборки и геометрии деталей в автомобилестроении и машиностроении;
- Автоматизированная инспекция электронных блоков, корпусов устройств и панелей управления;
- Визуальный контроль наличия и правильности установки компонентов на конвейере;
- Прецизионные измерения в лабораторных условиях и приборостроении;
- Системы машинного зрения для роботизированных ячеек и измерительных машин.
Габаритные размеры:

Оплата продукции производится по безналичному расчету на основании счета либо договора поставки. Компания АЗИМУТ ФОТОНИКС принимает участие в конкурсных торгах (электронных аукционах) на выполнение заказов от бюджетных организаций. Для бюджетных организаций предусмотрена работа с частичной предоплатой в рамках договоров по ФЗ.
Доставка оборудования и компонентов во все регионы России осуществляется транспортными компаниями (Major Express, Гарантпост, СДЭК) с обязательным соблюдением требований к транспортировке и хранению, также возможен самовывоз из нашего офиса в Москве. Условия отправки груза в страны СНГ и ЕАЭС необходимо уточнять отдельно у специалистов нашей компании.
