|
Поставщик
|
Contrastech |
|
Типы изделий
|
объективы |
|
Вес
|
5.6 кг |
|
Рабочее расстояние
|
300 ±5 мм |
|
Типы объектива
|
телецентрические |
|
Числовая апертура
|
F/4.2 |
|
Крепление
|
C-Mount |
|
Применение объектива
|
машинное зрение |
|
Увеличение, х
|
0,053 |
Би-телецентрический объектив BTL-0.053X-300-12(LM) сочетает в себе высочайшую измерительную точность и компактную конструкцию, идеально подходящую для интеграции в автоматизированные системы контроля. Объектив обеспечивает стабильное и геометрически точное изображение с полем зрения 150 мм, что делает его оптимальным выбором для инспекции деталей.
Преимущества:
- Высокая детализация изображения для работы с современными высокопиксельными камерами;
- Минимальные искажения и выдающаяся телецентричность для метрологических задач;
- Увеличенная глубина резкости и светосильная оптика;
- Компактные габариты и малый вес для легкой интеграции;
- Прочная конструкция для надежной работы в промышленных условиях.
Технические характеристики:
- Увеличение: 0.053x;
- Рабочее расстояние: 300 ±5 мм;
- Поле зрения: 150 мм;
- Макс. размер сенсора: 8.0 мм (формат 1/2");
- Диафрагма: F4.2;
- Разрешение: >210 пар линий/мм;
- Глубина резкости: ±156 мм (при F11);
- Искажения: <0.1%;
- Телецентричность: <0.1°;
- Оптическая длина: 631 ±5 мм;
- Крепление: C-Mount;
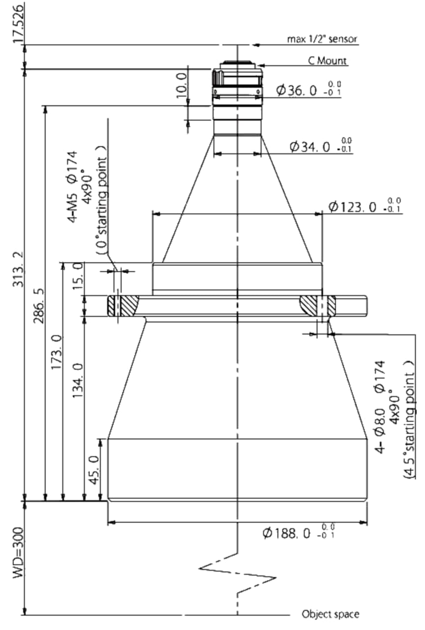
- Длина корпуса: 313.2 мм;
- Рабочая температура: от -10°C до +50°C;
- Температура хранения: от -20°C до +60°C;
- Вес: 5.6 кг.
Области применения:
- Автоматизированный контроль качества в электронной промышленности;
- Прецизионные измерения размеров и формы деталей в машиностроении;
- Контроль сборок и зазоров;
- Научно-исследовательские и лабораторные измерения;
- Системы машинного зрения.
Габаритные размеры:

Оплата продукции производится по безналичному расчету на основании счета либо договора поставки. Компания АЗИМУТ ФОТОНИКС принимает участие в конкурсных торгах (электронных аукционах) на выполнение заказов от бюджетных организаций. Для бюджетных организаций предусмотрена работа с частичной предоплатой в рамках договоров по ФЗ.
Доставка оборудования и компонентов во все регионы России осуществляется транспортными компаниями (Major Express, Гарантпост, СДЭК) с обязательным соблюдением требований к транспортировке и хранению, также возможен самовывоз из нашего офиса в Москве. Условия отправки груза в страны СНГ и ЕАЭС необходимо уточнять отдельно у специалистов нашей компании.
