|
Поставщик
|
Contrastech |
|
Типы изделий
|
объективы |
|
Вес
|
9.6 кг |
|
Рабочее расстояние
|
330 ±5 мм |
|
Типы объектива
|
телецентрические |
|
Числовая апертура
|
F/4.6 |
|
Крепление
|
C-Mount |
|
Применение объектива
|
машинное зрение |
|
Увеличение, х
|
0,047 |
Би-телецентрический объектив BTL-0.047X-330-118(LM) обеспечивает идеальное сочетание высокого разрешения, широкого поля зрения (190 мм) и совместимости с популярным форматом сенсора 1/1.8". Эта модель разработана для задач, где требуется не только точное измерение геометрии, но и выявление мельчайших дефектов на поверхности объектов среднего размера.
Преимущества:
- Оптимизация под современные камеры: Идеальная работа с C-Mount камерами, оснащенными сенсором 9.0 мм (1/1.8"), для максимального использования их разрешающей способности;
- Высокая детализация: Разрешение свыше 200 пар линий/мм позволяет выявлять микроскопические царапины, сколы и особенности текстуры;
- Эталонная геометрическая точность: Сохраняет стандарты серии: искажения <0.1% и телецентричность <0.1° для бескомпромиссных измерений;
- Сбалансированные параметры: Удобное рабочее расстояние, значительная глубина резкости и компактные габариты для легкой интеграции;
- Надежность: Прочная конструкция обеспечивает стабильную работу в условиях промышленного производства.
Технические характеристики:
- Увеличение: 0.047x;
- Рабочее расстояние: 330 ±5 мм;
- Поле зрения: ⌀ 190 мм;
- Макс. размер сенсора: ⌀ 9.0 мм (формат 1/1.8");
- Диафрагма: F4.6;
- Разрешение: >200 пар линий/мм;
- Глубина резкости: ±199 мм (при F11);
- Оптические искажения: < 0.1%;
- Телецентричность: < 0.1°;
- Оптическая длина: 751 ±5 мм;
- Крепление: C-Mount;
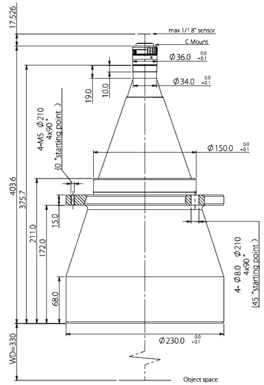
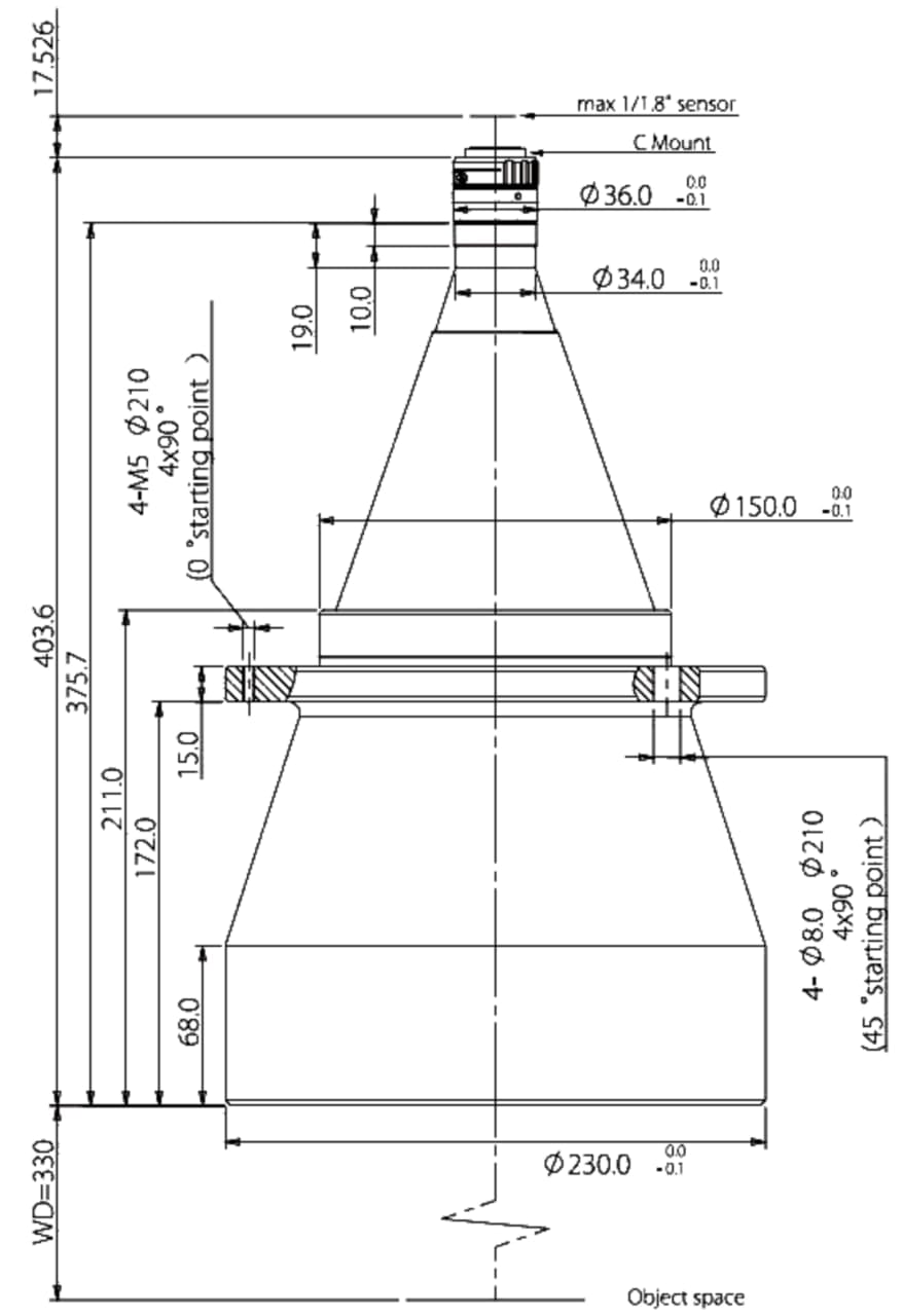
- Длина корпуса: 403.6 мм;
- Рабочая температура: от -10°C до +50°C;
- Температура хранения: от -20°C до +60°C;
- Вес: 9.6 кг.
Области применения:
- Контроль качества поверхности и обнаружение дефектов на металлических, пластиковых и композитных деталях;
- Прецизионные измерения размеров и допусков в машиностроении и приборостроении;
- Автоматизированная инспекция печатных плат (PCB) и электронных модулей среднего размера;
- Визуальный контроль сборочных операций и наличия компонентов;
- Научные исследования и лабораторные измерения, требующие высокой детализации изображения.
Габаритные размеры:

Оплата продукции производится по безналичному расчету на основании счета либо договора поставки. Компания АЗИМУТ ФОТОНИКС принимает участие в конкурсных торгах (электронных аукционах) на выполнение заказов от бюджетных организаций. Для бюджетных организаций предусмотрена работа с частичной предоплатой в рамках договоров по ФЗ.
Доставка оборудования и компонентов во все регионы России осуществляется транспортными компаниями (Major Express, Гарантпост, СДЭК) с обязательным соблюдением требований к транспортировке и хранению, также возможен самовывоз из нашего офиса в Москве. Условия отправки груза в страны СНГ и ЕАЭС необходимо уточнять отдельно у специалистов нашей компании.
