|
Поставщик
|
Contrastech |
|
Типы изделий
|
объективы |
|
Вес
|
46.6 кг |
|
Рабочее расстояние
|
465 ±6 мм |
|
Типы объектива
|
телецентрические |
|
Числовая апертура
|
F/4.6 |
|
Крепление
|
C-Mount |
|
Применение объектива
|
машинное зрение |
|
Увеличение, х
|
0,03 |
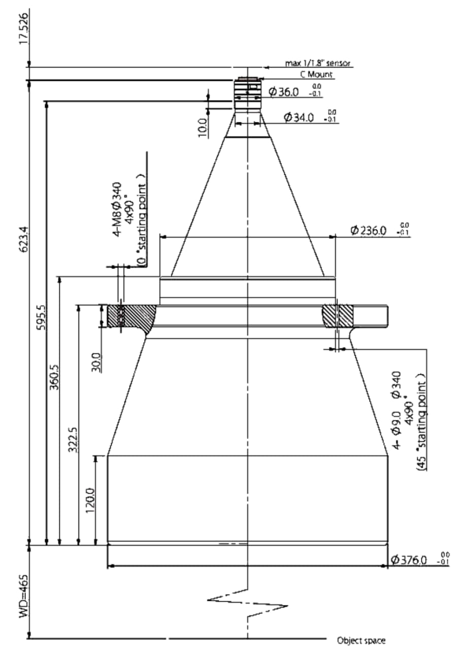
Би-телецентрический объектив BTL-0.03X-465-118(LM) разработан для максимально точного и детального контроля объектов большой площади. Он предлагает поле зрения 300 мм, совместимое с крупными сенсорами до 9.0 мм (формат 1/1.8"). Это решение для задач, где критически важна бескомпромиссная геометрическая точность измерений по всей площади изображения.
Преимущества:
- Максимальный охват: Самое большое поле зрения в линейке (300 мм) для контроля крупных деталей и сборок целиком;
- Совместимость с крупными сенсорами: Оптимизирован для камер с сенсором 1/1.8", обеспечивая высокую световую эффективность и качество картинки;
- Эталонная точность: Искажения менее 0.1% и телецентричность лучше 0.1° гарантируют прецизионность измерений;
- Высокая детализация: Отличное разрешение (>190 пар линий/мм) для работы с высокопиксельными промышленными камерами;
- Большая глубина резкости: Значительный рабочий объем (±488 мм) упрощает настройку и позволяет контролировать объекты с перепадом высот.
Технические характеристики:
- Увеличение: 0.030x;
- Рабочее расстояние: 465 ±6 мм;
- Поле зрения: ⌀ 300 мм;
- Макс. размер сенсора: ⌀ 9.0 мм (формат 1/1.8");
- Диафрагма: F4.6;
- Разрешение: >190 пар линий/мм;
- Глубина резкости: ±488 мм (при F11);
- Оптические искажения: < 0.1%;
- Телецентричность: < 0.1°;
- Оптическая длина: 1106 ±6 мм;
- Крепление: C-Mount;
- Длина корпуса: 623.4 мм;
- Рабочая температура: от -10°C до +50°C;
- Температура хранения: от -20°C до +60°C;
- Вес: 46.6 кг.
Области применения:
- Прецизионный контроль качества и измерение габаритов в машиностроении;
- Автоматизированная инспекция крупных электронных панелей, дисплеев и плат;
- Задачи машинного зрения для контроля литья, штамповки и крупных сборок;
- Высокоточная метрология и 3D-сканирование в промышленности и науке;
- Контроль поверхностей и геометрии в производстве композитных материалов.
Габаритные размеры:

Оплата продукции производится по безналичному расчету на основании счета либо договора поставки. Компания АЗИМУТ ФОТОНИКС принимает участие в конкурсных торгах (электронных аукционах) на выполнение заказов от бюджетных организаций. Для бюджетных организаций предусмотрена работа с частичной предоплатой в рамках договоров по ФЗ.
Доставка оборудования и компонентов во все регионы России осуществляется транспортными компаниями (Major Express, Гарантпост, СДЭК) с обязательным соблюдением требований к транспортировке и хранению, также возможен самовывоз из нашего офиса в Москве. Условия отправки груза в страны СНГ и ЕАЭС необходимо уточнять отдельно у специалистов нашей компании.
