Выбор между дюймовыми, метрическими и универсальными компонентами Thorlabs
Thorlabs разрабатывает продукты для совместимости с дюймовыми и метрическими установками. Когда один компонент может одновременно удовлетворить потребности как в дюймовых, так и в метрических компонентах, разрабатывается и продается только один компонент (который называется «универсальным»). Однако, когда невозможно или нецелесообразно, чтобы один компонент соответствовала обоим стандартам, Thorlabs проектирует как дюймовый, так и метрический эквивалент.
Несколько различий между дюймовыми и метрическими компонентами:
|
1" = 25.4 мм |
||
|
Стандарт |
Дюймовый |
Метрический |
|
«Малое» отверстие |
8-32 |
M4 x 0.7 |
|
«Большое» отверстие |
1/4"-20 |
M6 x 1.0 |
|
Расстояние между отверстиями на плитах |
1" |
25.0 мм |
|
Артикул Thorlabs |
- |
/M или суффикс -EC |
Компоненты с резьбой имеют дюймовую и метрическую версии
Различие между дюймовыми и метрическими компонентами наиболее важно, когда компонент имеет механические монтажные элементы, в которых используются резьбовые отверстия. Резьбовое отверстие – это отверстие, которое позволяет вкручивать установочный винт или винт с головкой под ключ и совместимо только с одним типом резьбы. Поскольку существуют как дюймовые, так и метрические стандарты резьбы, компоненты, в которых используются монтажные отверстия с резьбой, должны иметь как дюймовую, так и метрическую версии.
Например, стержни серии TR компании Thorlabs, которые содержат два резьбовых отверстия. Для нужд в дюймовой резьбе компания производит стержни TR с отверстием с резьбой 8-32 на одном конце и отверстием с резьбой 1/4"-20 на другом. Однако для нужд в метрической системе стержни TR/M содержат отверстие с резьбой M4 на одном конце и отверстие с резьбой M6 на другом. Стержень TR с дюймовой системой не может использоваться напрямую с плитой с метрической системой измерения, а стержень TR с метрической системой не может напрямую использоваться с плитой с дюймовой системой измерения. Поэтому должны существовать две версии.
Для сравнения, кинематическое крепление для зеркал KM100 от Thorlabs. В этих деталях для монтажа используются просверленные отверстия (с гладкими краями), а не резьба. Отсутствие резьбы означает, что винты с головкой под ключ 8-32 или M4 можно вставить сразу. Поэтому была разработана только одна версия, которая называется «универсальной».
Чтобы не запутать клиентов, у которых есть как дюймовая, так и метрическая оптомеханика, метрические компоненты обычно включают идентификационный маркер, которого нет на дюймовом эквиваленте. Например, метрические стержни TR имеют кольцо на конической кромке рядом с отверстием с резьбой M4.
Стержень TR2 с резьбовыми отверстиями 8-32 и 1/4"-20
Стержень TR50/M с резьбовыми отверстиями M4 и M6
Установка может сочетать универсальные и дюймовые компоненты или универсальные и метрические компоненты, но без специального оборудования (например, резьбовых адаптеров) дюймовые и метрические компоненты не могут быть объединены.
Универсальные компоненты используют винты с головкой для крепления к другим деталям
Универсальные крепления не содержат резьбовых отверстий для крепления. Следовательно, частый вопрос заключается в том, как прикрепить универсальное крепление к дюймовому или метрическому стержню, поскольку стержни поставляются с предустановленным установочным винтом 8-32 или M4. Этот установочный винт легко снимается с помощью 5/64" или 2-миллиметровой отвертки, или шестигранного ключа, открывающего доступ к отверстию с резьбой 8-32 или M4.
Поскольку универсальные компоненты предназначены для использования с винтами с головкой под ключ, в Thorlabs обычно включают в каждый элемент винты под дюймовую и метрическую головку.
Как использовать универсальный держатель?
|
Шпилька 8-32 (M4) в стержнях имеет шестигранную головку, которая подходит для шаровой отвертки 5/64" (2 мм) или шестигранного ключа |
С помощью отвертки или шестигранного ключа снимите шпильку. Это обнажает резьбу 8-32 (M4) |
|
Вставьте винт с головкой под ключ 8-32 (M4) в раззенкованное отверстие в универсальном держателе и затяните его в стержне с другой стороны отверстия |
Универсальный держатель на стержне готово к установке оптики |
Дюймовые и метрические компоненты используют разные основные единицы длины
Различие в дюймовых и метрических единицах также важно для продуктовых линеек, отличающихся своими механическими размерами. Опять же, рассмотрим стержни серии TR. Их дюймовые версии бывают нескольких дискретных длин: 1" (25.4 мм), 1.5" (38.1 мм), 2" (50.8 мм) и больше. Однако их метрические версии имеют различную дискретную длину: 30 мм. (1.18"), 40 мм (1.57"), 50 мм (1.97") и больше.
Вследствие этих различий обычно лучше использовать дюймовые компоненты в дюймовых системах и метрические компоненты в метрических системах, даже если компоненты содержат универсальные элементы. Например, основания для стержней Thorlabs BA2 и BA2/M включают в себя расточенные монтажные отверстия и монтажные щели с раззенковкой, которые можно считать универсальными, поскольку они не имеют резьбы. Однако отверстия и прорези основания BA2 (дюймовой) расположены так, чтобы точно совпадать с матрицей резьбовых отверстий дюймовой плиты, в то время как отверстия и прорези основания BA2/M (метрической) точно совпадают с матрицей резьбовых отверстий метрической плиты.
|
Основания BA2 и BA2/M привинчены к дюймовому оптическому столу. Несколько BA2 могут быть расположены рядом друг с другом без каких-либо проблем. Однако BA2/M вынуждено повернуться, чтобы быть закрепленным, что приводит к трате места на столе. |
Если основание BA2/M расположить параллельно и перпендикулярно матрице с резьбовыми отверстиями дюймового оптического стола, один из винтов не сможет затянуться, и механическая стабильность будет нарушена. |
Кроме того, внешние размеры BA2 составляют 2" x 3" x 3/8" (50.8 мм x 76.2 мм x 9.5 мм), а внешние размеры BA2/M составляют 50 мм x 75 мм x 10 мм (1.97" х 2.95" х 0.39"). Эти небольшие различия означают, что несколько оснований BA2 (или BA2/M) могут быть совмещены на дюймовых (или метрических) оптических столах, не оставляя неиспользуемых рядов отверстий.
Наименование деталей
В ситуациях, когда ключевыми различиями между компонентами одной серии являются их механические размеры, наименования могут различаться между дюймовыми и метрическими версиями. Это сделано для удобства читабельности. Например, стержень серии TR размером 1" называется TR1, стержень 1.5" называется TR1.5, а стержень 2" называется TR2. Число после префикса TR указывает длину компоненты (в дюймовых единицах). Наименования метрических стоек: стержень 30 мм называется TR30/M, стержень 40 мм называется TR40/M, а стержень 50 мм называется TR50/M. В этих деталях дополнительная цифра в названии позволяет называть их по их натуральным единицам длины, то есть TR30/M имеет на одну цифру в своем имени больше, чем TR1. Это не значит, что TR30/M в тридцать раз длиннее!
Как правило, номера деталей стараются сделать как можно короче, поэтому в артикуле метрических деталей не всегда может быть лишняя цифра. В этих случаях можно положиться на суффикс /M, чтобы узнать, является ли компонент метрическим. Например, можно рассмотреть алюминиевые оптические плиты. MB1012 представляет собой оптическую плиту дюймовых размеров 10 x 12" (с резьбовыми отверстиями 1/4-20 с шагом 1"), а MB1560/M представляет собой оптическую плиту метрических размеров 15 x 60 см (с резьбовыми отверстиями M6 с шагом 25 мм). Обе эти компоненты имеют четыре цифры в своих номерах деталей, но одна из них дюймовая, а другая – метрическая.
|
Размеры BA2 оптимизированы для дюймовых систем |
Размеры BA2/M оптимизированы для метрических систем |
Дюймовые и метрические компоненты принимают одинаковые оптические размеры
Часто предполагается, что метрическая версия держателя предназначена для оптики с метрическими размерами. Например, существует две версии держателя LMR1 для оптики Ø1": LMR1 с монтажным отверстием с резьбой 8-32 и LMR1/M с монтажным отверстием с резьбой M4. LMR1 разработан для оптики Ø1" (Ø25.4 мм), а LMR1/M разработан для оптики Ø25.0 мм. Фактически, обе модели LMR1 и LMR1/M подходят для оптики диаметром 25.4 мм (и обе используют одно и то же стопорное кольцо SM1RR).
Это имеет два непосредственных последствия. Во-первых, LMR1/M не слишком мал для оптики диаметром 1", поэтому держатель без проблем подходит для оптики диаметром до 1". Однако LMR1/M не будет идеально центрировать оптику диаметром 25.0 мм. Это может быть проблемой для приложений, в которых центрирование имеет решающее значение, как и в любом приложении, использующем линзу.
На некоторых чертежах может быть неясно, что дюймовые и метрические компоненты имеют одинаковый размер отверстия. Это впечатление обычно возникает из-за округления.
|
Держатель линз LMR1 с резьбой SM1, подходит для оптики диаметром до 1" и содержит резьбовое отверстие 8-32 |
Держатель LMR1/M имеет резьбу SM1, подходит для оптики диаметром до 25.4 мм и содержит резьбовое отверстие M4 |
Отверстия с резьбой SM не отличаются между в дюймовых и метрических деталях
Компания Thorlabs разработала семейство собственных стандартов резьбы для распространенных оптических диаметров, обозначаемых префиксом SM. Эти резьбы обеспечивают удобный способ центрирования, закрепления и позиционирования оптики в держателях. Поскольку Thorlabs широко внедрили стандарты SM во всю линейку оптомеханических продуктов, можно быть уверенным, что купленные компоненты механически совместимы.
Стандарт SM:
|
Наименование |
Размер оптики |
Резьба |
|
SM05 |
Ø1/2" (Ø12.7 мм) |
0.535"-40 |
|
SM1 |
Ø1" (Ø25.4 мм) |
1.035"-40 |
|
SM30 |
Ø30 мм |
M30.5 x 0.5 |
|
SM2 |
Ø2" (Ø50.8 мм) |
2.035"-40 |
|
SM3 |
Ø3" (Ø76.2 мм) |
3.035"-40 |
В оптических креплениях суффикс /M относится только к монтажным отверстиям с резьбой. Другими словами, когда Thorlabs обозначает изделие с резьбой SM, как дюймовое или метрическое, отверстие с резьбой SM одинаково в обеих версиях.
В механических чертежах сначала указываются расчетные единицы
Thorlabs предоставляет механические чертежи практически для всех своих деталей в форматах файлов PDF и DXF, а подавляющее большинство деталей также имеет 3D-модели в форматах файлов SolidWorks, eDrawing и Step. Чертежи в формате PDF и DXF включают расчетные размеры каждой компоненты, обозначают важные физические характеристики каждого продукта (такие как монтажные отверстия, метрические идентификационные метки и специальные элементы, такие как стопорные винты и стопорные кольца).
Размеры на каждом чертеже даны либо в дюймах с метрическим преобразованием в скобках, либо в метрической системе с преобразованием в дюймы в скобках. Единицы, перечисленные первыми, являются расчетными единицами. По стандарту даются дюймовые измерения с точностью до двух знаков после запятой (сотые доли дюйма), а метрические измерения – с точностью до одного знака после запятой (десятые доли миллиметра), поскольку стандартные допуски составляют ± 0.005 дюйма (примерно ± 0.1 мм).
Хотя измерения в расчетных единицах компоненты всегда точны с этим допуском, преобразованные размеры могут быть округлены. Например, если преобразованный размер на чертеже не приводится к заявленной точности (два знака после запятой для дюймовых размеров и один знак после запятой для метрических размеров), он был округлен, хотя наличие условного числа знаков после запятой не гарантирует, что округление не произошло. В компании отказались от практики округления несколько лет назад, но она все еще появляется на чертежах, которые еще не были обновлены. Поэтому, если необходимо использовать преобразование единиц измерения, целесообразно проверить преобразование самостоятельно, взяв за основу эталонные единицы. 1" равен ровно 25.4 мм.
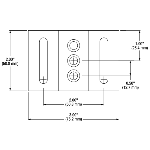
Основание с зажимом BA2F имеет дюймовые единицы измерения. Поэтому на его чертеже указаны размеры изделия в дюймах, а в скобках указано метрическое преобразование.
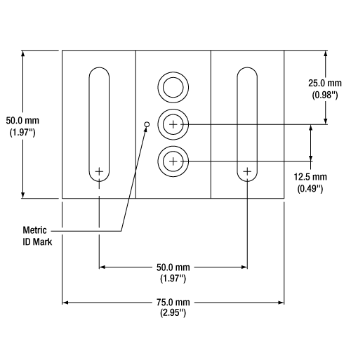
Основание с зажимом BA2F/M имеет метрические единицы измерения. Поэтому на его чертеже указаны размеры изделия в миллиметрах, а в скобках указано британское преобразование.
Что определяет резьбу?
Резьба в первую очередь определяется (наружным) диаметром винта и расстоянием между последовательными витками (шаг). В дюймовом варианте винт с головкой под ключ 1/4"-20 имеет диаметр винта 1/4" и шаг резьбы 20 витков на дюйм. В метрическом варианте винт с головкой под ключ M4 x 0.7 имеет диаметр винта 4 мм и шаг резьбы 1 на 0.7 мм. (Термин M4 x 0.7 часто сокращается до M4.)
Резьба также определяется допуском резьбы (насколько может варьироваться шаг), формой (профилем) резьбы, углом резьбы, а также наружным и внутренним диаметром.
Основные параметры резьбы

