Виды коннекторов и их функции
Выбор коннектора (разъема)
Коннектор крепится на конце оптического волокна и обеспечивает быстрое и простое подключение и отключение. Коннекторы механически соединяют и выравнивают волокно, чтобы излучение могло беспрепятственно проходить от одного к другому.
Плоский скол
Плоский скол – это тщательно контролируемый разрыв волокна перпендикулярно его оси, в результате чего получается плоский торец. Такое оптоволокно не имеет коннектора. Плоский скол позволяет использовать оптоволокно без покрытия. Волокна с плоским сколом идеально подходят для механической сварки или сварки плавлением или для свободного выхода без использования коннектора.
Отрезание ножницами
Ножничный разрез – это очень быстрый разрез, при котором на конце волокна не получается ровная выходная поверхность или поверхность для сварки. Этот разрез идеально подходит для опытных пользователей, которые умеют работать с волокном или намереваются заделать волокно своим собственным коннектором. Конец волокна, отрезанного ножницами, должен быть сколот и соединен, прежде чем его можно будет использовать.
Разъемы FC/PC
Резьбовой коннектор FC/PC разработан для работы в условиях высокой вибрации. «PC» означает «физический контакт», потому что этот разъем позволяет поверхностям волокон находиться в прямом контакте друг с другом на интерфейсе. Коннектор FC/PC из керамики или нержавеющей стали подпружинен, чтобы контролировать силу, действующую на оптоволокно, когда соединитель ввинчивается в порт. Все коннекторы FC/PC обеспечивают минимальное обратное отражение от -40 до -45 дБ.
|
|
Одномодовый (SM) разъем FC/PC имеет керамический наконечник с предварительно закругленным радиусом (R20 мм), который помогает минимизировать обратные отражения. Разъем FC/PC имеет допуск на размер отверстия +1/-0 мкм и максимальную концентричность 1 мкм.
Многомодовые разъемы FC/PC (наконечники из нержавеющей стали или керамические наконечники)
|
|
В многомодовом (MM) разъеме FC/PC имеется отверстие, соответствующее диаметру волокна, и максимальная концентричность 3 мкм.
Разъемы FC/PC с сохранением поляризации
|
|
Для оптоволокна с сохранением поляризации (PM) предлагается разъем FC с плавно регулируемым ключом, который позволяет вращать заднюю часть коннектора для совмещения с медленной или быстрой осью волокна. Как только соединитель будет выровнен, его можно зафиксировать с помощью капли суперклея.
Разъемы FC/APC
|
|
Этот разъем имеет такую же базовую конструкцию, что и разъем FC/PC, но конец волокна отполирован под углом. Этот интерфейс с названием «Физический контакт под углом» (APC) предотвращает попадание света, отраженного на стыке волокна с волокном, обратно вверх. Разъемы FC/APC правильно соединяются только с другими разъемами FC/APC. Соединение FC/APC с любым другим разъемом приводит к высоким вносимым потерям. Эти разъемы минимизируют обратные отражения, но имеют более высокие вносимые потери, чем их аналоги FC/PC.
Все разъемы FC/APC обеспечивают минимальное обратное отражение -65 дБ из-за конца APC. Разъемы APC компании Thorlabs отличаются использованием зеленого чехла для снятия натяжения.
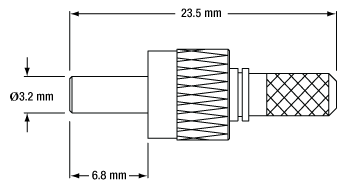
Разъемы SMA
|
|
Сверхминиатюрные разъемы версии A (SMA) используются для многомодовых волокон с жилой большого диаметра. Эти разъемы имеют такую же резьбу, как и разъемы FC/PC и FC/APC. Есть разъемы SMA для волокон с диаметром оболочки от 125 до 1580 мкм.
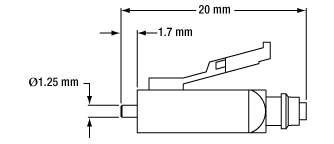
Разъемы ST®
Разъемы с прямым наконечником (ST) имеют байонетное крепление, которое позволяет быстро подключать и отключать волокно, но не обеспечивает такое надежное крепление, как другие соединения.
|
|
Одномодовый (SM) коннектор ST оснащен керамическим наконечником с предварительно закругленным концом (R20 мм) для минимизации обратных отражений. Коннекторы ST имеют концентричность максимум 1 мкм.
Также есть соединители типа ST, разработанные для многомодовых (MM) приложений. Стандартные коннекторы имеют размер отверстия 140 мкм, но также предлагается полный комплект перфорированных соединителей для удовлетворения индивидуальных требований заказчика. Эти соединители имеют максимальную концентричность 1 мкм.
Разъемы SC
Одномодовые или многомодовые
|
|
Разъемы Subscriber Connector (SC) – это разъемы с защелкой, которые легко и быстро использовать. Соединители типа SC с диаметром отверстия Ø125 мкм имеют керамический наконечник с предварительно закругленным радиусом (R20 мм), который помогает минимизировать обратные отражения.
Разъемы LC®
|
|
Разъемы Lucent (LC) похожи на разъемы SC, но содержат наконечники, которые в два раза меньше, чем на разъемах SC. Есть разъемы LC для одномодовых волокон. Многомодовые разъемы LC доступны по запросу. Благодаря своему небольшому размеру они идеально подходят для приложений, где используется большое количество разъемов на небольшом пространстве.
