Основное назначение:
Объектив предназначен для визуального контроля и обнаружения дефектов на внешней и внутренней поверхности мелких деталей, таких как флаконы для лекарств, горлышки бутылок и резьбовые соединения.
Ключевые особенности:
- Высокое разрешение и компактность: Обеспечивает четкое изображение в миниатюрном корпусе;
- Панорамный обзор 360°: Идеально подходит для полного контроля боковой поверхности небольших объектов;
- Широкий диапазон размеров: Минимальный диаметр объекта для измерения — от 4.5 мм.
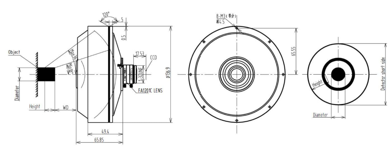
Краткие характеристики:
- Объектив: Для панорамного контроля наружных/внутренних поверхностей 360°;
- Рабочее расстояние: 14 /36,8 /48,2 м;
- Тип крепления: C-Mount;
- Диапазон диаметров объекта: от 4-23.4 мм;
- Диафрагма: 7.5/ 15/ 25;
- Размер матрицы: 2/3";
- Размер изображения: ⌀ 6.6 мм.
Габаритные размеры:

Оплата продукции производится по безналичному расчету на основании счета либо договора поставки. Компания АЗИМУТ ФОТОНИКС принимает участие в конкурсных торгах (электронных аукционах) на выполнение заказов от бюджетных организаций. Для бюджетных организаций предусмотрена работа с частичной предоплатой в рамках договоров по ФЗ.
Доставка оборудования и компонентов во все регионы России осуществляется транспортными компаниями (Major Express, Гарантпост, СДЭК) с обязательным соблюдением требований к транспортировке и хранению, также возможен самовывоз из нашего офиса в Москве. Условия отправки груза в страны СНГ и ЕАЭС необходимо уточнять отдельно у специалистов нашей компании.
