Аксессуары для спектрометров идеально подходят для различных спектроскопических приложений. Волоконно-оптическая отражательная сфера измеряет полусферическую или диффузную отражательную способность или может использоваться для определения УФ-стойкости, цвета или лучистой теплопередачи образца. Держатель для кювет 12,5 x 12,5 мм содержит кювету 12,5 x 12,5 мм, которая позволяет измерять пропускание и поглощение с помощью двух сквозных портов SMA905 или проводить измерения флуоресценции с помощью третьего порта под прямым углом 90 °.
Волоконно-оптическая отражательная сфера может подключаться к спектрометрам и источникам света с помощью оптоволоконных патч-кордов с двумя портами SMA905. Волоконно-оптическая отражательная сфера включает в себя включенный/исключенный зеркальный порт, который можно отрегулировать вручную для измерения общего или диффузного отражения. Сфера диаметром 1,5 дюйма заключена в корпус из анодированного алюминия. Порт SMA905 для ввода света расположен в верхней части сферы и расположен под углом 8° от нормального положения, рекомендуется использовать оптоволоконный патч-корд 400 мкм. Выходной порт SMA905 для обнаружения расположен под углом 90° к порту для образца 5/16 дюйма, чтобы с помощью спектрометра регистрировать интегрированное излучение от стенки сферы, и рекомендуется патч-корд из волокна 600 мкм. Сферу можно поместить поверх эталонного стандарта или образца, а порт для образца расположить внизу. Поскольку показания отражательной способности определяются с помощью сравнительного или эталонного метода, дополнительная калибровка не требуется. В качестве справочных стандартов рекомендуются стандарты цвета или шкалы серого, а также целевое значение коэффициента отражения баланса белого.
Примечание. Спектрометр, источник света, оптоволоконный патч-корд и эталонный эталон продаются отдельно и могут потребоваться для использования с этим продуктом в качестве полной установки.
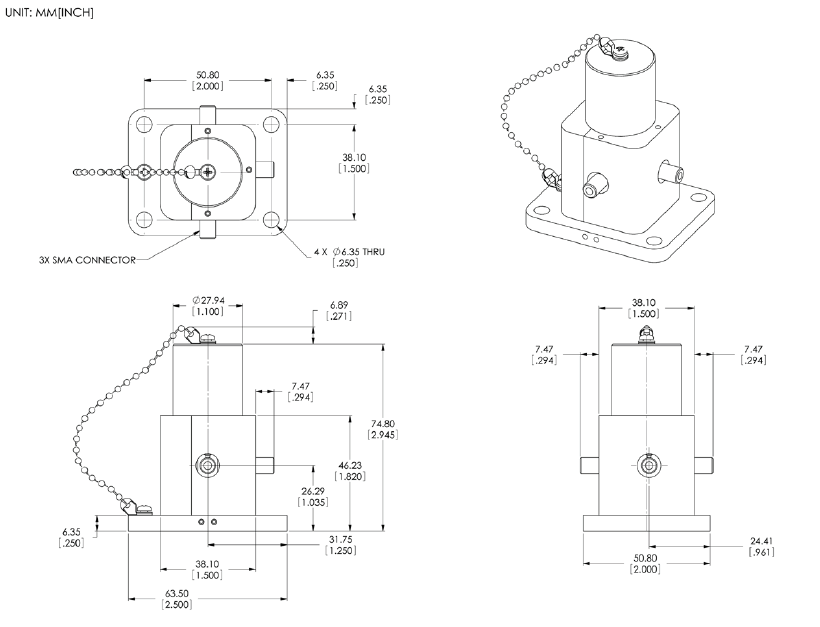
Держатель кюветы изготовлен из черного анодированного алюминия и поставляется с монтажной пластиной с четырьмя сквозными отверстиями 1/4 дюйма (0,25 дюйма). Держатель кюветы подпружинен и может удерживать стандартную кювету размером 12,5 x 12,5 мм, которые могут быть заполнены жидкими или порошкообразными образцами, в результате чего длина оптического пути составляет 10 x 10 мм Держатель кюветы имеет в общей сложности три порта SMA905, один для подключения к источнику света и два для спектрометров в зависимости от приложений с волоконными патч-кордами .Для измерения пропускания или поглощения используйте два сквозных порта SMA905 для источника света и спектрометра.Для измерения флуоресценции используйте третий порт под прямым углом 90° для спектрометра.Каждый порт SMA905 оснащен встроенными коллимационными и собирающими линзами для максимизации оптического поперечного сечения и рекомендуются с оптоволоконными патч-кордами с числовой апертурой 0,22.
Примечание. Спектрометр, источник света и оптоволоконный патч-корд продаются отдельно и могут потребоваться для использования с этим продуктом в качестве полной установки. Кювета не входит в комплект.


Оплата продукции производится по безналичному расчету на основании счета либо договора поставки. Компания АЗИМУТ ФОТОНИКС принимает участие в конкурсных торгах (электронных аукционах) на выполнение заказов от бюджетных организаций. Для бюджетных организаций предусмотрена работа с частичной предоплатой в рамках договоров по ФЗ.
Доставка оборудования и компонентов во все регионы России осуществляется транспортными компаниями (Major Express, Гарантпост, СДЭК) с обязательным соблюдением требований к транспортировке и хранению, также возможен самовывоз из нашего офиса в Москве. Условия отправки груза в страны СНГ и ЕАЭС необходимо уточнять отдельно у специалистов нашей компании.